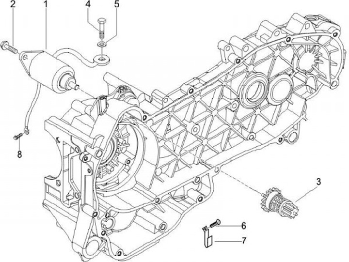
Motor de arranque
Piaggio Liberty 200 Sport (2006, ZAPM38501)
Ordenar