muy bueno
4.7 / 5
Envío hoy con pedido en 6 h 34 min
Gastos de envío gratuitos a partir de 99€ (DE)
Alta satisfacción del cliente
Contacto
|
Privacidad
|
AGB & Customer Info
|
Pie de imprenta
Envío hoy con pedido en 6 h 34 min
Blog
DE | €
Mi garaje
¿Ha olvidado su contraseña?
de acceso
Crear una nueva cuenta de cliente
0
Todos
Motor
Todo apagado Motor
Caja de cambios
Carburador
Cigüeñal
Cilindro
Colector de admisión y diafragma
Conducir
Conjunto de revisiones
Embrague
Encendido
Escape
Filtro de aire
Inicio
Motor y carcasa
Motores
Refrigeración
Sellos
Sistema de inyección
Tornillos y piezas pequeñas
Sistema eléctrico
Todo apagado Sistema eléctrico
Bujías de encendido
Cables
Encendido y alternador
Enchufe
Fuente de luz
Iluminación
Instrumentos
Interruptores
Motor de arranque
Pilas
Regulador, rectificador
Tornillos y piezas pequeñas
Bastidor y piezas complementarias
Todo apagado Bastidor y piezas complementarias
Amortiguador
Caballete principal y lateral
Cojinete del cabezal de dirección
Horquillas
Piezas de revestimiento
Rotulación
Sillines
Sistema de combustible
Tornillos y piezas pequeñas
Manillares y accesorios
Todo apagado Manillares y accesorios
Asas
Espejo
Freno y embrague
Instrumentos
Interruptores
Manillares y piezas de carenado
Palancas de cambio de gas
Tornillos y piezas pequeñas
Cables Bowden
Todo apagado Cables Bowden
Boquillas de sujeción y tornillos de ajuste
Cables del velocímetro
Elementos de control
Líneas de freno
Mandos tacométricos
Tirones de cable y series
Ruedas
Todo apagado Ruedas
Frenos
Llantas
Mangueras
Neumáticos
Ruedas
Válvulas y piezas pequeñas
Servicio
Todo apagado Servicio
Aceites
Correa trapezoidal
Establece
Filtros
Herramienta
Petróleo y química
Todo apagado Petróleo y química
Aceites
Adhesivos
Grasas y lubricantes
Lacas y colores
Material de explotación
Material para talleres
Productos de cuidado y limpieza
Sellador
Accesorios
Todo apagado Accesorios
Accesorios especiales
Aceleradores y limitadores de revoluciones
Carteras
Defensas
Equipamiento de taller
Maletas
Manuales y más
Mercancía
Parabrisas
Portaequipajes
Protección antirrobo
Soportes y accesorios para teléfonos móviles
Cascos y ropa
Todo apagado Cascos y ropa
Accesorios
Camisetas y camisas
Cascos
Chaquetas y pantalones
Gafas y viseras
Guantes
Vales
Consejo del día
%
BGM PRO
Herramienta de desmontaje eje rueda delantera -BGM PRO- Vespa 125 V1-V15, V30-33, VM1-2, VN1, VN2, VNA, VNB , 150 VL, VB, VBA, VBB, VLA1, VGL1, VGLA1, VGLB1, Super, GL, T4, Sprint, GT, GTR, Rally, TS, Motovespa (1959-1964) 125N, 125S, 150S
22,28 €*
25,32 €*
Vespa clásica
Motor
Todo apagado Motor
Caja de cambios
Carburador
Cigüeñal
Cilindro
Colector de admisión y diafragma
Conducir
Conjunto de revisiones
Embrague
Encendido
Escape
Filtro de aire
Inicio
Motor y carcasa
Motores
Refrigeración
Sellos
Tornillos y piezas pequeñas
Sistema eléctrico
Todo apagado Sistema eléctrico
Bujías de encendido
Cables
Encendido y alternador
Enchufe
Fuente de luz
Iluminación
Instrumentos
Interruptores
Motor de arranque
Pilas
Regulador, rectificador
Tornillos y piezas pequeñas
Chasis
Todo apagado Chasis
Amortiguador
Bancos
Caballete principal y lateral
Cojinete del cabezal de dirección
Horquillas
Piezas de revestimiento
Rotulación
Sistema de combustible
Tornillos y piezas pequeñas
Manillar
Todo apagado Manillar
Asas
Espejo
Freno y embrague
Instrumentos
Interruptores
Manillares y piezas de carenado
Palancas de cambio de gas
Tornillos y piezas pequeñas
Cables Bowden
Todo apagado Cables Bowden
Boquillas de sujeción y tornillos de ajuste
Cables del velocímetro
Elementos de control
Líneas de freno
Mandos tacométricos
Tirones de cable y series
Ruedas
Todo apagado Ruedas
Frenos
Llantas
Mangueras
Neumáticos
Ruedas
Válvulas y piezas pequeñas
Servicio
Todo apagado Servicio
Aceites
Establece
Filtros
Herramienta
Aceite y química
Todo apagado Aceite y química
Aceites
Adhesivos
Grasas y lubricantes
Lacas y colores
Material de explotación
Material para talleres
Productos de cuidado y limpieza
Sellador
Accesorios
Todo apagado Accesorios
Accesorios especiales
Barra de choque
Bolsas
Equipamiento para talleres
Literatura
Mercancía
Paravientos
Portaequipajes
Soportes y accesorios para teléfonos móviles
TopCase
Cascos y ropa
Todo apagado Cascos y ropa
Accesorios
Camisetas y camisas
Cascos
Chaquetas y pantalones
Gafas y viseras
Guantes
Consejo del día
LTH
Escape -LTH-Box Road Racing- Vespa PX80, PX125, PX150 - para la puesta a punto de los cilindros 166cc, 172cc, 177cc, 187cc, 190cc - Negro
182,01 €*
Vespa Moderna
Motor
Todo apagado Motor
Caja de cambios
Carburador
Cigüeñal
Cilindro
Colector de admisión y diafragma
Conducir
Conjunto de revisiones
Embrague
Encendido
Escape
Filtros de aire
Inicio
Motor y carcasa
Motores
Refrigeración
Sellos
Sistema de inyección
Tornillos y piezas pequeñas
Sistema eléctrico
Todo apagado Sistema eléctrico
Bujías de encendido
Cables
Encendido y alternador
Enchufe
Fuente de luz
Iluminación
Instrumentos
Interruptores
Motor de arranque
Pilas
Regulador, rectificador
Tornillos y piezas pequeñas
Bastidor y piezas complementarias
Todo apagado Bastidor y piezas complementarias
Amortiguador
Bancos
Caballete principal y lateral
Cojinete del cabezal de dirección
Horquillas
Piezas de revestimiento
Rotulación
Sistema de combustible
Tornillos y piezas pequeñas
Manillares y accesorios
Todo apagado Manillares y accesorios
Asas
Espejo
Freno y embrague
Instrumentos
Interruptores
Manillares y piezas de carenado
Palancas de cambio de gas
Tornillos y piezas pequeñas
Cables Bowden
Todo apagado Cables Bowden
Boquillas de sujeción y tornillos de ajuste
Cables del velocímetro
Elementos de control
Líneas de freno
Mandos tacométricos
Tirones de cable y series
Ruedas
Todo apagado Ruedas
Frenos
Llantas
Mangueras
Neumáticos
Ruedas
Válvulas y piezas pequeñas
Servicio
Todo apagado Servicio
Aceites
Correa trapezoidal
Establece
Filtros
Herramienta
Más limpio
Petróleo y química
Todo apagado Petróleo y química
Aceites
Adhesivos
Grasas y lubricantes
Lacas y colores
Material de explotación
Material para talleres
Productos de cuidado y limpieza
Selladores
Accesorios
Todo apagado Accesorios
Accesorios especiales
Barra de choque
Bolsas
Equipamiento para talleres
Literatura
Mercancía
Paravientos
Portaequipajes
Protección antirrobo
Soportes y accesorios para teléfonos móviles
TopCase
Cascos y ropa
Todo apagado Cascos y ropa
Accesorios
Camisetas y camisas
Cascos
Chaquetas y pantalones
Gafas y viseras
Guantes
Consejo del día
Arriba
Moto Nostra
Carter de aceite con mirilla -MOTO NOSTRA- negro brillante - Vespa GTS 310 (2024-) - Vespa GTS MP3 HPE 310 (2024-)
192,18 €*
Ciclomotor Classic
Motor
Todo apagado Motor
Caja de cambios
Carburador
Cigüeñal
Cilindro
Colector de admisión y diafragma
Conducir
Conjunto de revisiones
Embrague
Encendido
Escape
Filtros de aire
Inicio
Motor y carcasa
Refrigeración
Sellos
Tornillos y piezas pequeñas
Sistema eléctrico
Todo apagado Sistema eléctrico
Bujías de encendido
Cables
Encendido y alternador
Enchufe
Fuente de luz
Iluminación
Instrumentos
Interruptores
Pilas
Regulador, rectificador
Tornillos y piezas pequeñas
Bastidor y piezas complementarias
Todo apagado Bastidor y piezas complementarias
Amortiguador
Bancos
Caballete principal y lateral
Cojinete del cabezal de dirección
Horquillas
Piezas de revestimiento
Rotulación
Sistema de combustible
Tornillos y piezas pequeñas
Manillares y accesorios
Todo apagado Manillares y accesorios
Asas
Espejo
Freno y embrague
Instrumentos
Interruptores
Manillares y piezas de carenado
Palancas de cambio de gas
Tornillos y piezas pequeñas
Cables Bowden
Todo apagado Cables Bowden
Boquillas de sujeción y tornillos de ajuste
Cables del velocímetro
Elementos de control
Mandos tacométricos
Tirones de cable y series
Ruedas
Todo apagado Ruedas
Frenos
Llantas
Mangueras
Neumáticos
Ruedas
Válvulas y piezas pequeñas
Servicio
Todo apagado Servicio
Aceites
Filtros
Herramienta
Petróleo y química
Todo apagado Petróleo y química
Aceites
Adhesivos
Grasas y lubricantes
Lacas y colores
Material de explotación
Material para talleres
Productos de cuidado y limpieza
Sellador
Accesorios
Todo apagado Accesorios
Accesorios especiales
Bolsas
Equipamiento para talleres
Literatura
Mercancía
Portaequipajes
Protección antirrobo
Cascos y ropa
Todo apagado Cascos y ropa
Accesorios
Camisetas y camisas
Cascos
Guantes
Consejo del día
BGM PRO
Campana de embrague -BGM PRO- Piaggio Ciao, Bravo, Boxer, Si -una pieza con aletas de refrigeración, CNC Made in Germany, modelos con variador
131,17 €*
Lambretta
Motor
Todo apagado Motor
Caja de cambios
Carburador
Cigüeñal
Cilindro
Colector de admisión y diafragma
Conducir
Conjuntos de revisión
Embrague
Encendido
Escape
Filtro de aire
Kickstarter
Motor y carcasa
Refrigeración
Sellos
Tornillos y piezas pequeñas
Sistema eléctrico
Todo apagado Sistema eléctrico
Bujías de encendido
Encendido y alternador
Enchufe
Fuente de luz
Iluminación
Instrumentos
Interruptores
Mazos de cables
Pilas
Regulador y rectificador
Tornillos y piezas pequeñas
Bastidor y piezas complementarias
Todo apagado Bastidor y piezas complementarias
Amortiguador
Bancos
Caballete principal
Cojinete del cabezal de dirección
Horquillas
Piezas de revestimiento
Rotulación
Sistema de combustible
Tornillos y piezas pequeñas
Manillares y accesorios
Todo apagado Manillares y accesorios
Espejo
Freno y embrague
Instrumentos
Interruptores
Manillares y piezas de carenado
Palancas de cambio de gas
Puños
Tornillos y piezas pequeñas
Cables Bowden
Todo apagado Cables Bowden
Cables del velocímetro
Elementos de control
Líneas de freno
Mandos tacométricos
Tetones y tornillos de ajuste
Tirones de cable y series
Ruedas
Todo apagado Ruedas
Frenos
Llantas
Mangueras
Neumáticos
Ruedas
Válvulas y piezas pequeñas
Servicio
Todo apagado Servicio
Aceites
Establece
Herramienta
Más limpio
Petróleo y química
Todo apagado Petróleo y química
Aceites
Adhesivos
Grasas y lubricantes
Lacas y colores
Material de explotación
Material para talleres
Productos de cuidado y limpieza
Sellador
Accesorios
Todo apagado Accesorios
Accesorios especiales
Barra de choque
Bolsas
Equipamiento para talleres
Literatura
Mercancía
Paravientos
Portaequipajes
Protección antirrobo
Soportes y accesorios para teléfonos móviles
Cascos y ropa
Todo apagado Cascos y ropa
Accesorios
Camisetas y camisas
Cascos
Chaquetas y pantalones
Guantes
Consejo del día
BGM PRO
Compresor de muelle de horquilla -BGM PRO Made in Germany- Lambretta LI, LIS, SX, TV, DL, GP
59,99 €*
Scooter 50-850cc
Motor
Todo apagado Motor
Arranque
Carburadores
Carcasas de motor
Cigüeñal
Cilindros
Colector de admisión y válvula de láminas
Conjunto de revisiones
Embrague
Encendido
Engranajes
Escape
Filtros de aire
Juntas
Motores
Refrigeración
Sistema de inyección
Tornillos y piezas pequeñas
Transmisión
Sistema eléctrico
Todo apagado Sistema eléctrico
arranque
Baterías
Bombillas
Bujías
Cables
Encendido y alternador
enchufes y clavijas
iluminación
Instrumentos de visualización
Interruptores
Regulador, rectificador
Tornillos y piezas pequeñas
Bastidor y piezas complementarias
Todo apagado Bastidor y piezas complementarias
Amortiguador
Bancos
Caballete principal y lateral
Cojinete del cabezal de dirección
Horquillas
Piezas chasis
Rotulación
Sistema de combustible
Tornillos y piezas pequeñas
Manillares y accesorios
Todo apagado Manillares y accesorios
Asas
Espejo
Freno y embrague
Instrumentos
Interruptores
Manillares y piezas de carenado
Palancas de cambio de gas
Tornillos y piezas pequeñas
Cables Bowden
Todo apagado Cables Bowden
Boquillas de sujeción y tornillos de ajuste
Cables del velocímetro
Elementos de control
Líneas de freno
Mandos tacométricos
Tirones de cable y series
Ruedas
Todo apagado Ruedas
Frenos
Llantas
Mangueras
Neumáticos
Ruedas
Válvulas y piezas pequeñas
Servicio
Todo apagado Servicio
Aceites
Correas de transmisión
Establece
Filtros
Herramienta
Limpiador
Petróleo y química
Todo apagado Petróleo y química
Aceites
Adhesivos
Grasas y lubricantes
Lacas y colores
Líquidos de servicio
Material para talleres
Productos de cuidado y limpieza
Sellador
Accesorios
Todo apagado Accesorios
Accesorios especiales
Aceleradores y limitadores de revoluciones
Bolsas
Defensas
Equipamiento para talleres
Literatura
Mercancía
Paravientos
Portaequipajes
Protección antirrobo
Soportes y accesorios para teléfonos móviles
TopCase
Cascos y ropa
Todo apagado Cascos y ropa
Accesorios
Camisetas y camisas
Cascos
Chaquetas y pantalones
Gafas y viseras
Guantes
Consejo del día
Ferodo
Embrague -PIAGGIO- Piaggio 125-150 ccm 2 tiempos - Gilera Runner 125 (ZAPM07000), Piaggio Hexagon 125 (EXS1T, ZAPM05000), Piaggio Hexagon 150 (EXV1T), Piaggio Skipper 125 (ZAPM12000), Piaggio Skipper 150 (ZAPM13000), Piaggio SKR 125 (CSM1T), Piaggio SKR 1
127,10 €*
Piaggio 50 2T
Zip 50 II (2-Takt, 2000, ZAPC25000)
Anlassermotor
Motor
Sistema eléctrico
Bastidor y piezas complementarias
Manillares y accesorios
Cables Bowden
Ruedas
Servicio
Petróleo y química
Accesorios
Cascos y ropa
Piaggio Zip 50 II (2-tiempos, 2000, ZAPC25000)
Despiece
Amortiguador trasero
Basculante
Batería
Bomba de aceite
Cable cuentakilómetros - cable de freno trasero
Cable de gas
Caja aire secundario
Carburador
Carcasa de motor
Chasis - caballete central
Cigüeñal
Cilindro - pistón
Componentes de carburador
Componentes de horquilla
Culata
Depósito de aceite
Depósito de combustible
Eje rueda delantera
Engranaje
Escape
Escudo frontal
Faro - cuentakilómetros
Filtro de aire
Guantera - reposapiés
Guardabarros
Horquilla
Hueco casco
Intermitente delantero - intermitente trasero
Interruptor - claxón
Manillar
Mazo de cables - regulador
Motor - kit de juntas para motor
Motor de arranque
Polea conducida - embrague
Portamatrículas
Puño de gas
Rueda delantera - pinza de freno delantero
Rueda trasera
Sillín
Tapa carcasa de motor
Tapa lateral
Tapa manillar
Variador
Volante magnético
Zapatas de freno trasero
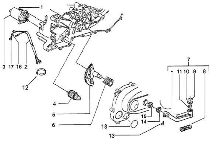
Motor de arranque
Piaggio Zip 50 II (2-tiempos, 2000, ZAPC25000)
Nombre del componente
Rueda libre de arranque
(1)
Muelle
(1)
Arandela elástica
(1)
Pieza de goma
(2)
Cable eléctrico
(1)
Bridas para cables
(1)
Pedal de arranque
(1)
Eje Kickstarter
(1)
Tornillo
(2)
Circlip
(2)
Motor de arranque
(1)
Arandela plana
(2)
Fabricante
Malossi
(1)
Normfest
(2)
OEM-Qualität
(2)
Piaggio
(10)
Ordenar
Relevancia
Precios ascendentes
Precios en descenso
Marca A-Z
Marca Z-A
Novedades
Piaggio
GP82530R
Motor de arranque - Motor de arranque -PIAGGIO- Piaggio 50 ccm 2 tiempos, Peugeot 50 ccm (tipo Speedfight) - 11 dientes
Piaggio
1286174
Rueda libre de arranque -PIAGGIO- Vespa LX 50 (ZAPC38101, ZAPC38400, ZAPC38104), Vespa LXV 50 (ZAPC38102), Vespa Primavera 50 (ZAPC53200), Vespa S 50 (ZAPC38103, ZAPC38402), Vespa Sprint 50 (ZAPC53201), Vespa ET2 50 (ZAPC1600000001001, ZAPC1200000001091,
Piaggio
1831458
Eje Kickstarter -PIAGGIO- Piaggio 50-100 ccm
Piaggio
GP639856
Cable de arranque -PIAGGIO 50cc 2T- Gilera DNA, ICE, Runner FL / Poggiali (ZAPC36), Stalker, Piaggio Diesis, Fly, Free, Liberty, NRG, Sfera, Sfera RST5 125cc0, TPH50, ZIP50, Vespa ET2, LX50 2T, S50 2T
Piaggio
GP286217
Goma Kickstarter -PIAGGIO- Gilera Runner
Piaggio
GP286219
Disco -PIAGGIO- Gilera Runner
Fecha de entrega
Piaggio
GP288041
Fusible -PIAGGIO- Gilera Runner
Malossi
M2917109B
Muelle de arranque -MALOSSI- Piaggio, Gilera 50-180 2T, 50-125 4T
Piaggio
7675050
Tapa de goma para el orificio de la mirilla de aceite en el cuadro -PIAGGIO- Vespa PX Lusso (a partir de 1984)
OEM-Qualität
1006416
Anillo Seeger -WELLE DIN471- Ø=15mm (usado para eje de arranque Minarelli, CPI)
Piaggio
1433987
Disco distanciador eje de arranque Ø=16.3x23.8mm -PIAGGIO- Piaggio 50-180 ccm 2 tiempos - Aprilia SR125, Gilera Runner FX/FXR 125-180, Italjet Dragster 125-180, Piaggio SKR125, SKR150, TPH125, Skipper125, Skipper150, Hexagon LX/LXT 125-180 , Piaggio 50-10
Piaggio
7675359
Brida para cables -PIAGGIO- 3,6x170mm
Normfest
9901066
Tornillo -DIN 933- M6 x 20mm (fuerza 8,8)
OEM-Qualität
7676694
Tornillo -DIN 7985- M4 x 6mm
Normfest
9901044
Arandela elástica -DIN 127- M4
×
×