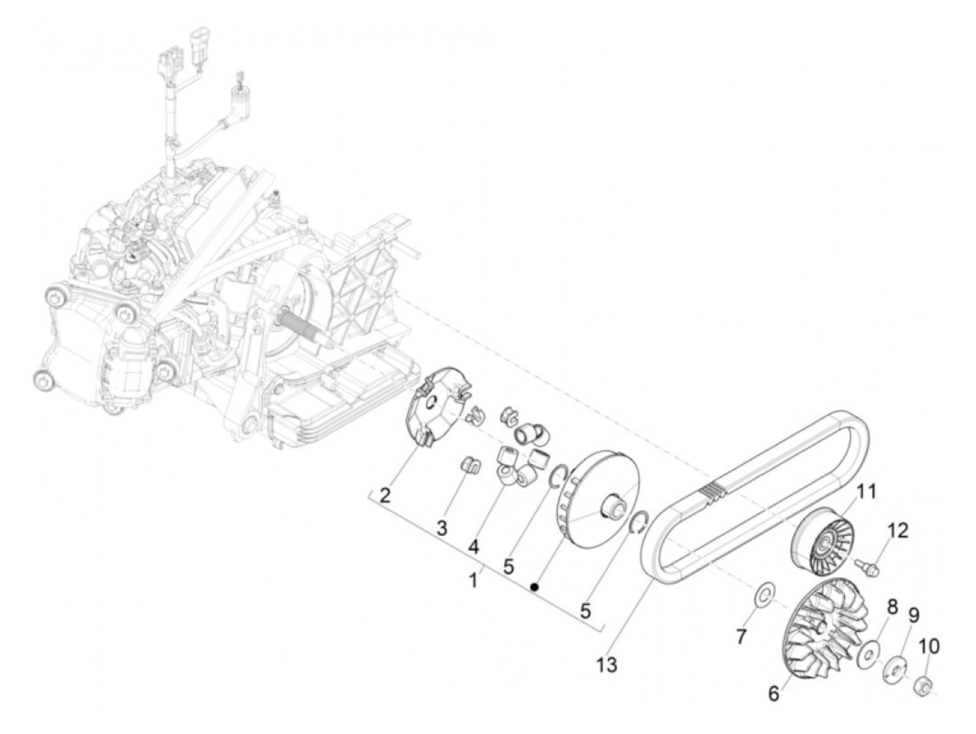
Variador
Vespa GTS 300ie Super Tech HPE ABS ASR (2021-2022, ZAPMD3100)
Ordenar