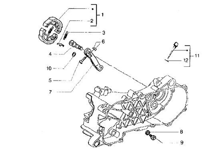
Zapatas de freno trasero
Piaggio Hexagon 125 (1998-2000, ZAPM05000)
Ordenar