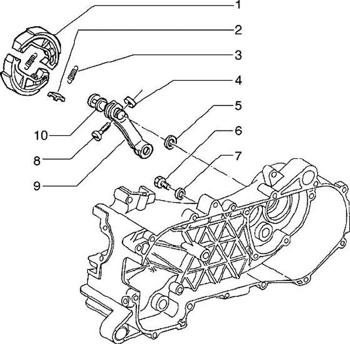
Zapatas de freno trasero
Piaggio Hexagon 150 (1994, EXV1T)
Ordenar