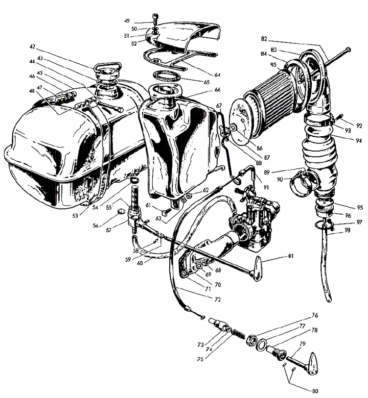
Écrou à oreilles pour filtre à air -CASA LAMBRETTA- Lambretta DL/GP 125, DL/GP 150, DL/GP 200, LI 125 (Serie 2, 1961-), LI 150 (Serie 2, 1961-), TV 175 (Serie 2, 1961-), LI 125 (Serie 3), LI 150 (Serie 3), LI Special 125, LI Special 150, SX 150, TV 175 (S