très bon
4.7 / 5
Port gratuit à partir de 99€ (DE)
Grande satisfaction des clients
Contact
|
Protection des données
|
CGV & Infos clients
|
Mentions légales
Blog
DE | €
Mon garage
Mot de passe oublié ?
connexion
Créer un nouveau compte client
0
Tous les
Moteur
Tous éteints Moteur
Allumage
Aspiration & membrane
Boîtes de vitesses
Carburateur
Cylindre
Démarreur
Embrayage
Entraînement
Filtre à air
Joints d'étanchéité
Moteur & boîtier
Moteurs
Pot d'échappement
Refroidissement
Révision
Système d'injection
Vilebrequin
Vis & petites pièces
Installation électrique
Tous éteints Installation électrique
Allumage & alternateur
Bougies d'allumage
Câble
Démarreur
Éclairage
Fiche
Instruments
Interrupteur
Piles
Régulateur, redresseur
Sources lumineuses
Vis & petites pièces
Cadre & pièces rapportées
Tous éteints Cadre & pièces rapportées
Amortisseur de chocs
Béquille principale & latérale
Ecritures
Fourches
Palier de direction
Pièces d'habillage
Selles
Système de carburant
Vis & petites pièces
Guidons & armatures
Tous éteints Guidons & armatures
Frein & embrayage
Guidon & pièces d'habillage
Instruments
Interrupteur
Miroir
Poignées
Poignées de commande de gaz
Vis & petites pièces
Câbles Bowden
Tous éteints Câbles Bowden
Arbres de tachymètre
Conduites de frein
Éléments de commande
Entraînements tachymétriques
Mamelons de serrage & vis de réglage
Palans à câble & kits
Roues
Tous éteints Roues
Freins
Jantes
Pneus
Roues
Tuyaux
Vannes & petites pièces
Service
Tous éteints Service
Courroies
Filtre
Huiles
Outils
Sets
Pétrole & chimie
Tous éteints Pétrole & chimie
Adhésifs
Fournitures d'atelier
Graisses & lubrifiants
Huiles
Produit d'étanchéité
Produits d'entretien & nettoyants
Substances de service
Vernis & peintures
Accessoires
Tous éteints Accessoires
Accessoires spéciaux
Crash bars
Équipement d'atelier
Kits d'étranglement & limiteurs de vitesse
Manuels et plus
Marchandise
Pare-vent
Porte bagages
Protection contre le vol
Sacs
Supports de téléphone portable & accessoires
Top case
Casques & Vêtements
Tous éteints Casques & Vêtements
Accessoires
Casques
Gants
Lunettes & visières
T-Shirt & Hemden
Vestes & pantalons
Bons d'achat
Astuce du jour
%
BGM PRO
Outil de démontage de l'arbre de roue de la roue avant -BGM PRO- Vespa 125 V1-V15, V30-33, VM1-2, VN1, VN2, VNA, VNB , 150 VL, VB, VBA, VBB, VLA1, VGL1, VGLA1, VGLB1, Super, GL, T4, Sprint, GT, GTR, Rally, TS, Motovespa (1959-1964) 125N, 125S, 150S
21,91 €*
24,90 €*
Vespa Classique
Moteur
Tous éteints Moteur
Allumage
Aspiration & membrane
Boîte de vitesses
Carburateur
Cylindre
Démarreur
Embrayage
Entraînement
Filtre à air
Joints d'étanchéité
Kit de révision
Moteur & boîtier
Moteurs
Pot d'échappement
Refroidissement
Vilebrequin
Vis & petites pièces
Installation électrique
Tous éteints Installation électrique
Allumage & alternateur
Bougies d'allumage
Câble
Démarreur
Éclairage
Fiche
Instruments
Interrupteur
Piles
Régulateur, redresseur
Sources lumineuses
Vis & petites pièces
Châssis
Tous éteints Châssis
Amortisseur de chocs
Bancs
Béquille principale & latérale
Ecritures
Fourchettes
Palier de direction
Pièces châssis
Système de carburant
Vis & petites pièces
Guidon
Tous éteints Guidon
Frein & embrayage
Guidon & pièces d'habillage
Instruments
Interrupteur
Miroir
Poignées
Poignées de commande de gaz
Vis & petites pièces
Câbles Bowden
Tous éteints Câbles Bowden
Arbres de tachymètre
Conduites de frein
Éléments de commande
Entraînements tachymétriques
Mamelons de serrage & vis de réglage
Palans à câble & kits
Roues
Tous éteints Roues
Freins
Jantes
Pneus
Roues
Tuyaux
Vannes & petites pièces
Service
Tous éteints Service
Filtre
Huiles
Outils
Sets
Huile et chimie
Tous éteints Huile et chimie
Adhésifs
Fournitures d'atelier
Graisses & lubrifiants
Huiles
Produit d'étanchéité
Produits d'entretien & nettoyants
Substances de service
Vernis & peintures
Accessoires
Tous éteints Accessoires
Accessoires spéciaux
Arceau de sécurité
Equipement d'atelier
Littérature
Marchandise
Pare-vent
Porte-bagages
Sacs
Supports de téléphone portable & accessoires
TopCase
Casques & Vêtements
Tous éteints Casques & Vêtements
Accessoires
Casques
Gants
Lunettes & visières
T-shirt & chemises
Vestes & pantalons
Astuce du jour
Nouveau
Top
BGM PRO
Bras d'embrayage Set -BGM PRO SUPERSTRONG- Vespa Largeframe, PX, T5 125cc, Cosa, Rally, Sprint, TS125, GT125, GTR125, Super, GL, VNA, VNB, VBA, VBB
49,00 €*
Vespa Moderne
Moteur
Tous éteints Moteur
Allumage
Aspiration & membrane
Boîte de vitesses
Carburateur
Cylindre
Démarreur
Embrayage
Entraînement
Filtre à air
Joints d'étanchéité
Kit de révision
Moteur & boîtier
Moteurs
Pot d'échappement
Refroidissement
Système d'injection
Vilebrequin
Vis & petites pièces
Installation électrique
Tous éteints Installation électrique
Allumage & alternateur
Bougies d'allumage
Câble
Démarreur
Éclairage
Fiche
Instruments
Interrupteur
Piles
Régulateur, redresseur
Sources lumineuses
Vis & petites pièces
Cadre & pièces rapportées
Tous éteints Cadre & pièces rapportées
Amortisseur de chocs
Bancs
Béquille principale & latérale
Ecritures
Fourchettes
Palier de direction
Pièces d'habillage
Système de carburant
Vis & petites pièces
Guidons & armatures
Tous éteints Guidons & armatures
Frein & embrayage
Guidon & pièces d'habillage
Instruments
Interrupteur
Miroir
Poignées
Poignées de commande de gaz
Vis & petites pièces
Câbles Bowden
Tous éteints Câbles Bowden
Arbres de tachymètre
Conduites de frein
Éléments de commande
Entraînements tachymétriques
Mamelons de serrage & vis de réglage
Palans à câble & kits
Roues
Tous éteints Roues
Freins
Jantes
Pneus
Roues
Tuyaux
Vannes & petites pièces
Service
Tous éteints Service
Courroie trapézoïdale
Filtre
Huiles
Nettoyant
Outils
Sets
Pétrole & chimie
Tous éteints Pétrole & chimie
Adhésifs
Fournitures d'atelier
Graisses & lubrifiants
Huiles
Produit d'étanchéité
Produits d'entretien & nettoyants
Substances de service
Vernis & peintures
Accessoires
Tous éteints Accessoires
Accessoires spéciaux
Arceau de sécurité
Equipement d'atelier
Littérature
Marchandise
Pare-vent
Porte-bagages
Protection contre le vol
Sacs
Supports de téléphone portable & accessoires
TopCase
Casques & Vêtements
Tous éteints Casques & Vêtements
Accessoires
Casques
Gants
Lunettes & visières
T-shirt & chemises
Vestes & pantalons
Astuce du jour
Polini
CDI -POLINI ECM- Piaggio 50 ccm 4 temps (3 soupapes) - Vespa Primavera 50 3V iGet (Euro5), Sprint 50 iGet (Euro5), Piaggio Liberty 50 iGet (Euro5)
265,00 €*
Cyclomoteur Classique
Moteur
Tous éteints Moteur
Allumage
Aspiration & membrane
Boîte de vitesses
Carburateur
Cylindre
Démarreur
Embrayage
Entraînement
Filtre à air
Joints d'étanchéité
Kit de révision
Moteur & boîtier
Pot d'échappement
Refroidissement
Vilebrequin
Vis & petites pièces
Installation électrique
Tous éteints Installation électrique
Allumage & alternateur
Bougies d'allumage
Câble
Éclairage
Fiche
Instruments
Interrupteur
Piles
Régulateur, redresseur
Sources lumineuses
Vis & petites pièces
Cadre & pièces rapportées
Tous éteints Cadre & pièces rapportées
Amortisseur de chocs
Bancs
Béquille principale & latérale
Ecritures
Fourchettes
Palier de direction
Pièces d'habillage
Système de carburant
Vis & petites pièces
Guidons & armatures
Tous éteints Guidons & armatures
Frein & embrayage
Guidon & pièces d'habillage
Instruments
Interrupteur
Miroir
Poignées
Poignées de commande de gaz
Vis & petites pièces
Câbles Bowden
Tous éteints Câbles Bowden
Arbres de tachymètre
Éléments de commande
Entraînements tachymétriques
Mamelons de serrage & vis de réglage
Palans à câble & kits
Roues
Tous éteints Roues
Freins
Jantes
Pneus
Roues
Tuyaux
Vannes & petites pièces
Service
Tous éteints Service
Filtre
Huiles
Outils
Pétrole & chimie
Tous éteints Pétrole & chimie
Adhésifs
Fournitures d'atelier
Graisses & lubrifiants
Huiles
Produits d'entretien & nettoyants
Produits d'étanchéité
Substances de service
Vernis & peintures
Accessoires
Tous éteints Accessoires
Accessoires spéciaux
Equipement d'atelier
Littérature
Marchandise
Porte-bagages
Protection contre le vol
Sacs
Casques & Vêtements
Tous éteints Casques & Vêtements
Accessoires
Casques
Gants
T-shirt & chemises
Astuce du jour
Moto Nostra
Repose-pieds arrière -MOTO NOSTRA- Piaggio Ciao -Chrome
79,00 €*
Lambretta
Moteur
Tous éteints Moteur
Allumage
Aspiration & membrane
Boîte de vitesses
Carburateur
Cylindre
Embrayage
Entraînement
Filtre à air
Joints d'étanchéité
Kickstarter
Moteur & boîtier
Pot d'échappement
Refroidissement
Sets de révision
Vilebrequin
Vis & petites pièces
Installation électrique
Tous éteints Installation électrique
Allumage & alternateur
Bougies d'allumage
Éclairage
Faisceaux de câbles
Fiche
Instruments
Interrupteur
Piles
Régulateurs & redresseurs
Sources lumineuses
Vis & petites pièces
Cadre & pièces rapportées
Tous éteints Cadre & pièces rapportées
Amortisseur de chocs
Bancs
Béquille principale
Ecritures
Fourchettes
Palier de direction
Pièces d'habillage
Système de carburant
Vis & petites pièces
Guidons & armatures
Tous éteints Guidons & armatures
Frein & embrayage
Guidon & pièces d'habillage
Instruments
Interrupteur
Miroir
Poignées
Poignées de commande de gaz
Vis & petites pièces
Câbles Bowden
Tous éteints Câbles Bowden
Arbres de tachymètre
Conduites de frein
Éléments de commande
Entraînements tachymétriques
Mamelons de serrage & vis de réglage
Palans à câble & kits
Roues
Tous éteints Roues
Freins
Jantes
Pneus
Roues
Tuyaux
Vannes & petites pièces
Service
Tous éteints Service
Huiles
Nettoyant
Outils
Sets
Pétrole & chimie
Tous éteints Pétrole & chimie
Adhésifs
Fournitures d'atelier
Graisses & lubrifiants
Huiles
Produit d'étanchéité
Produits d'entretien & nettoyants
Substances de service
Vernis & peintures
Accessoires
Tous éteints Accessoires
Accessoires spéciaux
Arceau de sécurité
Equipement d'atelier
Littérature
Marchandise
Pare-vent
Porte-bagages
Protection contre le vol
Sacs
Supports de téléphone portable & accessoires
Casques & Vêtements
Tous éteints Casques & Vêtements
Accessoires
Casques
Gants
T-shirt & chemises
Vestes & pantalons
Astuce du jour
BGM PRO
Cylindre -BGM PRO MRB-Racetour 225cc- Lambretta TV 200, SX 200, DL 200, GP 200
525,00 €*
Scooter 50-850cc
Moteur
Tous éteints Moteur
Allumage
Boîtes de vitesses
Carburateurs
Carters moteur
Cylindres
Démarreur
Embrayage
Filtres à air
Joints
Moteurs
Pot d'échappement
Raccord d'aspiration & valve à lamelles
Refroidissement
Révision
Système d'injection
Transmission
Vilebrequin
Vis & petites pièces
Installation électrique
Tous éteints Installation électrique
Allumage & alternateur
Ampoules
Batteries
Bougies
Câbles
démarreur
éclairage
Instruments d'affichage
Interrupteurs
prises et fiches
Régulateur, redresseur
Vis & petites pièces
Cadre & pièces rapportées
Tous éteints Cadre & pièces rapportées
Amortisseur de chocs
Bancs
Béquille principale & latérale
Ecritures
Fourchettes
Palier de direction
Pièces d'habillage
Système de carburant
Vis & petites pièces
Guidons & armatures
Tous éteints Guidons & armatures
Frein & embrayage
Guidon & pièces d'habillage
Instruments
Interrupteur
Miroir
Poignées
Poignées de commande de gaz
Vis & petites pièces
Câbles Bowden
Tous éteints Câbles Bowden
Arbres de tachymètre
Conduites de frein
Éléments de commande
Entraînements tachymétriques
Mamelons de serrage & vis de réglage
Palans à câble & kits
Roues
Tous éteints Roues
Freins
Jantes
Pneus
Roues
Tuyaux
Vannes & petites pièces
Service
Tous éteints Service
Courroies
Filtre
Huiles
Nettoyant
Outils
Sets
Pétrole & chimie
Tous éteints Pétrole & chimie
Adhésifs
Consommables
Fournitures d'atelier
Graisses & lubrifiants
Huiles
Produit d'étanchéité
Produits d'entretien & nettoyants
Vernis & peintures
Accessoires
Tous éteints Accessoires
Accessoires spéciaux
Crash bars
Equipement d'atelier
Kits d'étranglement & limiteurs de vitesse
Littérature
Marchandise
Pare-vent
Porte-bagages
Protection contre le vol
Sacs
Supports de téléphone portable & accessoires
TopCase
Casques & Vêtements
Tous éteints Casques & Vêtements
Accessoires
Casques
Gants
Lunettes & visières
T-shirt & chemises
Vestes & pantalons
Astuce du jour
Malossi
Bouchon de remplissage d'huile avec jauge -MALOSSI- huile moteur- Piaggio Leader/Quasar - Vespa ET4, LX, LXV, S, GT, GTS, GTV, GTL 125-300, Royal Alloy GP, TG - noir
46,90 €*
Eclatés
Lambretta A - F
LD 150 (1957)
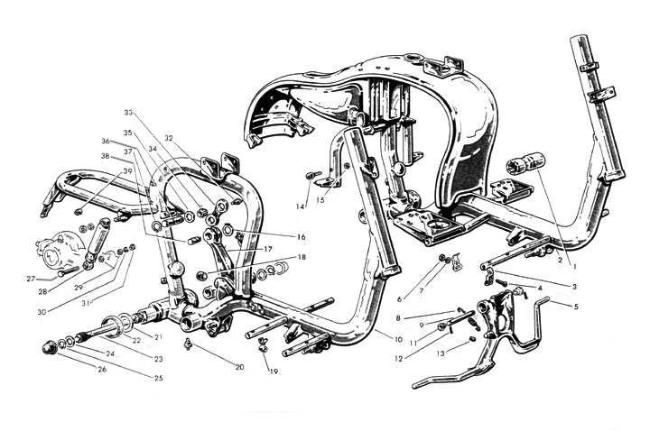
Rahmen
Moteur
Installation électrique
Cadre & pièces rapportées
Guidons & armatures
Câbles Bowden
Roues
Service
Pétrole & chimie
Accessoires
Casques & Vêtements
LD 150 (1957)
Eclatés
Allumage (Filso, Marelli)
Boîte de vitesses
Câbles
Carénage
Châssis
Coiffe cylindre
Cylindre, carter moteur
Démarreur électrique
Embrayage
Fourche, guidon
Freins, roues
Pédale de kick (11M400, 11M400/1, 11M400/2)
Pédale de kick (11M400/4, 11M400/6)
Pédale de kick (train épicycloïdal)
Pot d'échappement
Réservoir, carburateur
Selle
Système électrique (1956)
Système électrique (1957)
Transmission, axe de roue arrière
Vilebrequin, piston
Châssis
LD 150 (1957)
Nom du composant
Kit de fixation
(1)
Boulon
(2)
Douille
(2)
Rondelle élastique
(2)
Pièce en caoutchouc
(5)
Support
(1)
Béquille principale
(1)
Levier
(1)
Ecrou
(1)
Graisseur
(1)
Tôle de sécurité
(1)
Bague d'arrêt
(2)
Finition
brillant
(1)
matt
(2)
poli
(2)
Matériau
Caoutchouc
(2)
Acier
(3)
Couleur
noir
(2)
Position de montage
à l'arrière
(5)
Fabricant
Casa Lambretta
(15)
Normfest
(3)
OEM-Qualität
(1)
Trier
Pertinence
Prix par ordre croissant
Prix décroissant
Marque de A à Z
Marque Z-A
Nouveautés
Casa Lambretta
7674167
Béquille centrale -LAMBRETTA- Lambretta LD
%
Casa Lambretta
7674649
Bague en bronze pour barre de torsion -LAMBRETTA- D, LD
Casa Lambretta
7674650
Biellette de suspension -LAMBRETTA- D, LD
Date de livraison
%
Casa Lambretta
7674651
Axe de biellette longue -LAMBRETTA- D, LD
Date de livraison
Casa Lambretta
7674652
Axe de biellette courte -LAMBRETTA- D, LD
Date de livraison
Casa Lambretta
7674153
Support de câble de vitesse au châssis -LAMBRETTA- Lambretta LD 125, LD 150
Casa Lambretta
8660027
Bague bronze en remplacement des aiguilles de barre de torsion -LAMBRETTA- D, LD
Casa Lambretta
8660023
Capuchon barre de torsion -LAMBRETTA- Lambretta D, LD
Casa Lambretta
8660025
Tampon d’aile -LAMBRETTA- Lambretta LD 125 (1956-), LD 150 (1954-)
Casa Lambretta
8660024
Joint barre de torsion -LAMBRETTA- Lambretta D, LD
Casa Lambretta
7674653
Rondelle de biellette -LAMBRETTA- D, LD
Casa Lambretta
8660022
Tampon caoutchouc châssis/bloc moteur -LAMBRETTA- Lambretta D, LD
Casa Lambretta
8660018
Tampon de béquille centrale -LAMBRETTA- Lambretta LD
Casa Lambretta
7674010
Graisseur -DIN 71412- M8x1,25 - taille de clé=11mm
Casa Lambretta
CL246Z
Circlips externe DIN983 AK- Ø=22mm
Normfest
9901080
Ecrou -DIN 934- M8
Normfest
9901083
Rondelle élastique -DIN 127- M8
Normfest
43505
Rondelle élastique ondulée -DIN 137 acier zingué- M5
OEM-Qualität
8014480
Circlips externe DIN471 -OEM QUALITÄT- Ø=12mm
×
×