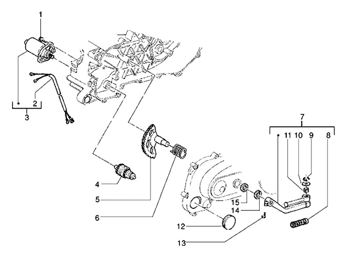
Pompe à eau
Piaggio NRG 50 DT (1999, ZAPC18000)
Trier