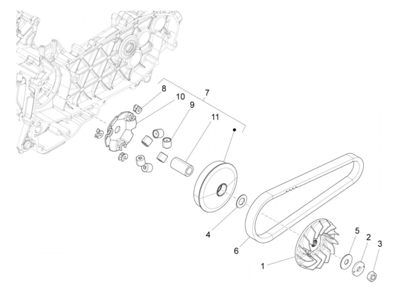
Variateur
Vespa Primavera 125 IGET (2019-2020,ZAPMA1101 ) Yacht Club
Trier