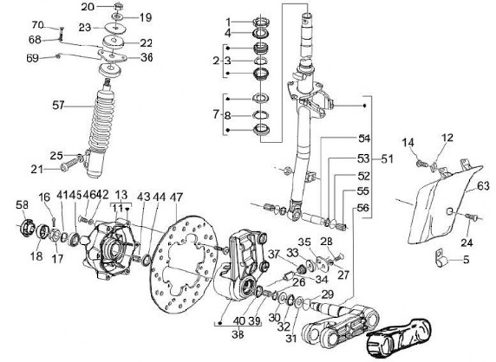
Garpu Depan
Piaggio Zip 50 SP2 (2012, ZAPC25000)
Urutkan