Sangat baik
4.7 / 5
Pengiriman hari ini dengan pesanan di 7 h 19 min
Gratis ongkos kirim mulai dari 99 € (DE)
Kepuasan pelanggan yang tinggi
Kontak
|
Privasi
|
AGB & Info Pelanggan
|
Jejak
Pengiriman hari ini dengan pesanan di 7 h 19 min
Blog
DE | €
Kendaraan saya
Lupa kata sandi Anda?
masuk
Membuat akun pelanggan baru
0
Semua
Mesin
Mulai dari Mesin
Berkendara
Gearbox
Karburator
Knalpot
Kopling
Manifold & diafragma intake
Motor
Motor & perumahan
Pemula
Pendinginan
Pengapian
Poros engkol
Revisi Set
Saringan udara
Segel
Sekrup & bagian kecil
Silinder
Sistem injeksi
Sistem kelistrikan
Mulai dari Sistem kelistrikan
Baterai
Busi
Colokkan
Instrumen
Kabel
Motor starter
Pencahayaan
Pengapian & alternator
Regulator, penyearah
Sakelar
Sekrup & bagian kecil
Sumber cahaya
Bingkai & bagian tambahan
Mulai dari Bingkai & bagian tambahan
Bagian panel
Bantalan kepala kemudi
Dudukan utama & samping
Garpu
Huruf
Jok
Peredam kejut
Sekrup & bagian kecil
Sistem bahan bakar
Setang & alat kelengkapan
Mulai dari Setang & alat kelengkapan
Bagian setang & fairing
Cermin
Gagang pemindah gas
Instrumen
Menangani
Rem & kopling
Sakelar
Sekrup & bagian kecil
Kabel bowden
Mulai dari Kabel bowden
Elemen kontrol
Kabel speedometer
Penarikan & pemasangan kabel
Penggerak Tacho
Puting penjepit & sekrup penyetel
Saluran rem
Roda
Mulai dari Roda
Ban
Katup & bagian kecil
Rem
Roda
Selang
Velg
Layanan
Mulai dari Layanan
Alat
Filter
Minyak
Sabuk-V
Set
Minyak & Kimia
Mulai dari Minyak & Kimia
Bahan pengoperasian
Gemuk & Pelumas
Minyak
Perekat
Perlengkapan bengkel
Pernis & Warna
Produk perawatan & pembersih
Sealant
Aksesori
Mulai dari Aksesori
Aksesoris Khusus
Anginan
Bagasi
Drosselkatup & Pembatas Putaran
Kantong
Literatur: Sastra
Merchandise
Pemegang Ponsel & Aksesoris
Peralatan Bengkel
Perlindungan dari pencurian
Sturzbügel
TopCase
Helm & Pakaian
Mulai dari Helm & Pakaian
Aksesoris
Helm
Jaket & Celana
Kacamata & Visor
Kaos & Kemeja
Sarung Tangan
Voucher
Tips hari ini
BGM PRO
Tang crimping dengan fungsi ratchet -BGM PRO- untuk selubung luar kabel tutup ujung Ø = 4mm, Ø = 5mm, Ø = 6mm
54,00 €*
Vespa Klassik
Mesin
Mulai dari Mesin
Berkendara
Gearbox
Karburator
Knalpot
Kopling
Manifold & diafragma intake
Motor
Motor & perumahan
Pemula
Pendinginan
Pengapian
Poros engkol
Saringan udara
Segel
Sekrup & bagian kecil
Set revisi
Silinder
Sistem Elektrik
Mulai dari Sistem Elektrik
Baterai
Busi
Colokkan
Instrumen
Kabel
Motor starter
Pencahayaan
Pengapian & alternator
Regulator, penyearah
Sakelar
Sekrup & bagian kecil
Sumber cahaya
Rangka
Mulai dari Rangka
Bagian panel
Bangku
Bantalan kepala kemudi
Dudukan utama & samping
Garpu
Huruf
Peredam kejut
Sekrup & bagian kecil
Sistem bahan bakar
Setang
Mulai dari Setang
Bagian setang & fairing
Cermin
Gagang pemindah gas
Instrumen
Menangani
Rem & kopling
Sakelar
Sekrup & bagian kecil
Bowden Kabel
Mulai dari Bowden Kabel
Elemen kontrol
Kabel speedometer
Penarikan & pemasangan kabel
Penggerak Tacho
Puting penjepit & sekrup penyetel
Saluran rem
Roda
Mulai dari Roda
Ban
Katup & bagian kecil
Pelek
Rem
Roda
Selang
Servis
Mulai dari Servis
Alat
Filter
Minyak
Set
Oli & Kimia
Mulai dari Oli & Kimia
Bahan pengoperasian
Gemuk & Pelumas
Minyak
Perekat
Perlengkapan bengkel
Pernis & Warna
Produk perawatan & pembersih
Sealant
Aksesoris
Mulai dari Aksesoris
Aksesori khusus
Barang dagangan
Bilah kecelakaan
Literatur
Pembawa bagasi
Peralatan bengkel
Perisai angin
Tas
Tempat & aksesori ponsel
TopCase
Helm & Pakaian
Mulai dari Helm & Pakaian
Aksesori
Helm
Jaket & celana panjang
Kacamata & pelindung
Kaos & Kemeja
Sarung tangan
Tips hari ini
Baru
Atas
BGM PRO
Roda -BGM Pro Superstrong tubeless 2.10-10 inci aluminium- Vespa V50, 50N, Special, PV, ET3, PK50-125 (S/XL/XL2), PX, T5, Sprint, Rally, GT/GTR, LML Star, Deluxe, Stella - matt hitam
89,00 €*
Vespa Modern
Mesin
Mulai dari Mesin
Berkendara
Gearbox
Karburator
Knalpot
Kopling
Manifold & diafragma intake
Motor
Motor & perumahan
Pemula
Pendinginan
Pengapian
Poros engkol
Saringan udara
Segel
Sekrup & bagian kecil
Set revisi
Silinder
Sistem injeksi
Sistem kelistrikan
Mulai dari Sistem kelistrikan
Baterai
Busi
Colokkan
Instrumen
Kabel
Motor starter
Pencahayaan
Pengapian & alternator
Regulator, penyearah
Sakelar
Sekrup & bagian kecil
Sumber cahaya
Bingkai & bagian tambahan
Mulai dari Bingkai & bagian tambahan
Bagian panel
Bantalan kepala kemudi
Dudukan utama & samping
Garpu
Huruf
Jok
Peredam kejut
Sekrup & bagian kecil
Sistem bahan bakar
Setang & alat kelengkapan
Mulai dari Setang & alat kelengkapan
Bagian setang & fairing
Cermin
Gagang pemindah gas
Instrumen
Menangani
Rem & kopling
Sakelar
Sekrup & bagian kecil
Kabel bowden
Mulai dari Kabel bowden
Elemen kontrol
Kabel speedometer
Penarikan & pemasangan kabel
Penggerak Tacho
Puting penjepit & sekrup penyetel
Saluran rem
Roda
Mulai dari Roda
Ban
Katup & bagian kecil
Pelek
Rem
Roda
Selang
Layanan
Mulai dari Layanan
Alat
Filter
Minyak
Pembersih
Sabuk-V
Set
Minyak & Kimia
Mulai dari Minyak & Kimia
Bahan pengoperasian
Kepadatan
Minyak
Pelumas & Oli
Perekat
Perlengkapan bengkel
Pernis & Warna
Produk perawatan & pembersih
Aksesori
Mulai dari Aksesori
Aksesoris Khusus
Anti-Pencurian
Bagasi
Barang dagangan
Bilah kecelakaan
Pemegang Ponsel & Aksesoris
Peralatan Bengkel
Perisai angin
Sastra: Sastra
Tas
TopCase
Helm & Pakaian
Mulai dari Helm & Pakaian
Aksesori
Helm
Jaket & celana panjang
Kacamata & pelindung
Kaos & Kemeja
Sarung Tangan
Tips hari ini
Polini
Intake manifold -POLINI- 125-150cc 4T 2V AC Leader- Piaggio Liberty (ZAPM22), Skipper (ZAPM21), Zip II (ZAPM25), Vespa ET4 (ZAPM19) - 1 sambungan vakum
17,90 €*
Moped Klassik
Mesin
Mulai dari Mesin
Berkendara
Gearbox
Karburator
Knalpot
Kopling
Manifold & diafragma intake
Motor & perumahan
Pemula
Pendinginan
Pengapian
Poros engkol
Saringan udara
Segel
Sekrup & bagian kecil
Set revisi
Silinder
Sistem kelistrikan
Mulai dari Sistem kelistrikan
Baterai
Busi
Colokkan
Instrumen
Kabel
Pencahayaan
Pengapian & alternator
Regulator, penyearah
Sakelar
Sekrup & bagian kecil
Sumber cahaya
Rangka
Mulai dari Rangka
Bagian panel
Bangku
Bantalan kepala kemudi
Dudukan utama & samping
Garpu
Huruf
Peredam kejut
Sekrup & bagian kecil
Sistem bahan bakar
Setang & alat kelengkapan
Mulai dari Setang & alat kelengkapan
Bagian setang & fairing
Cermin
Gagang pemindah gas
Instrumen
Menangani
Rem & kopling
Sakelar
Sekrup & bagian kecil
Kabel bowden
Mulai dari Kabel bowden
Elemen kontrol
Kabel speedometer
Penarikan & pemasangan kabel
Penggerak Tacho
Puting penjepit & sekrup penyetel
Roda
Mulai dari Roda
Ban
Katup & bagian kecil
Pelek
Rem
Roda
Selang
Layanan
Mulai dari Layanan
Alat
Filter
Minyak
Minyak & Kimia
Mulai dari Minyak & Kimia
Bahan pengoperasian
Minyak
Pelumas & Oli
Perekat
Perlengkapan bengkel
Pernis & Warna
Produk perawatan & pembersih
Sealant
Aksesori
Mulai dari Aksesori
Aksesori khusus
Barang dagangan
Literatur
Pembawa bagasi
Peralatan bengkel
Perlindungan dari pencurian
Tas
Helm & Pakaian
Mulai dari Helm & Pakaian
Aksesori
Helm
Kaos & Kemeja
Sarung tangan
Tips hari ini
MC Proparts
Set bushing -Bushing Garpu MC- Lengan ayun garpu Ciao, untuk revisi dan stabilisasi roda depan
17,90 €*
Lambretta
Mesin
Mulai dari Mesin
Berkendara
Gearbox
Karburator
Kickstarter
Knalpot
Kopling
Manifold & diafragma intake
Motor & perumahan
Pendinginan
Pengapian
Poros engkol
Saringan udara
Segel
Sekrup & bagian kecil
Set revisi
Silinder
Sistem kelistrikan
Mulai dari Sistem kelistrikan
Baterai
Busi
Colokkan
Instrumen
Memanfaatkan kabel
Pencahayaan
Pengapian & alternator
Regulator & penyearah
Sakelar
Sekrup & bagian kecil
Sumber cahaya
Bingkai & bagian tambahan
Mulai dari Bingkai & bagian tambahan
Bagian panel
Bangku
Bantalan kepala kemudi
Berdiri
Garpu
Huruf
Peredam kejut
Sekrup & bagian kecil
Sistem bahan bakar
Setang & alat kelengkapan
Mulai dari Setang & alat kelengkapan
Bagian setang & fairing
Cermin
Gagang pemindah gas
Instrumen
Menangani
Rem & kopling
Sakelar
Sekrup & bagian kecil
Kabel bowden
Mulai dari Kabel bowden
Elemen kontrol
Kabel speedometer
Penarikan & pemasangan kabel
Penggerak Tacho
Puting penjepit & sekrup penyetel
Saluran rem
Roda
Mulai dari Roda
Ban
Katup & bagian kecil
Pelek
Rem
Roda
Selang
Layanan
Mulai dari Layanan
Alat
Minyak
Pembersih
Set
Minyak & Kimia
Mulai dari Minyak & Kimia
Bahan pengoperasian
Gemuk & Pelumas
Minyak
Perekat
Perlengkapan bengkel
Pernis & Warna
Produk perawatan & pembersih
Sealant
Aksesori
Mulai dari Aksesori
Aksesori khusus
Barang dagangan
Bilah kecelakaan
Literatur
Pembawa bagasi
Peralatan bengkel
Perisai angin
Perlindungan dari pencurian
Tas
Tempat & aksesori ponsel
Helm & Pakaian
Mulai dari Helm & Pakaian
Aksesori
Helm
Jaket & celana panjang
Kaos & Kemeja
Sarung tangan
Tips hari ini
Selleria Trezzi
Kursi SIL (Scooter India Limited) -MADE IN ITALIA- Lambretta DL, GP - hitam
399,00 €*
Scooter 50-850ccm
Mesin
Mulai dari Mesin
Ansaugpipa & Membran
Filter Udara
Karburator
Karet
Knalpot
Kopling
Kruk As
Mesin
Mesin Motor
Pending
Penggerak
Penyalaan
Revisi Set
Sekrup & Bagian Kecil
Silinder
Sistem Injeksi
Starter Kickstarter
Transmisi
Sistem kelistrikan
Mulai dari Sistem kelistrikan
Baterai
Busik-busik
Instrumenta
Kabel
Lampu
Penerangan
Regulator, Rectifier
Saklar
Sekrup & Bagian Kecil
Sistem Pengapian & Dinamo
Soket
Starter
Bingkai & bagian tambahan
Mulai dari Bingkai & bagian tambahan
Bagian panel
Bangku
Bantalan kepala kemudi
Dudukan utama & samping
Garpu
Huruf
Peredam kejut
Sekrup & bagian kecil
Sistem bahan bakar
Setang & alat kelengkapan
Mulai dari Setang & alat kelengkapan
Bagian setang & fairing
Cermin
Gagang pemindah gas
Instrumen
Menangani
Rem & kopling
Sakelar
Sekrup & bagian kecil
Kabel bowden
Mulai dari Kabel bowden
Elemen kontrol
Kabel speedometer
Penarikan & pemasangan kabel
Penggerak Tacho
Puting penjepit & sekrup penyetel
Rem Cakram
Roda
Mulai dari Roda
Ban
Katup & bagian kecil
Pelek
Rem
Roda
Selang
Layanan
Mulai dari Layanan
Alat
Filter
Minyak
Pembersih
Sabuk V
Set
Minyak & Kimia
Mulai dari Minyak & Kimia
Bahan Bakar
Gemuk & Pelumas
Oli
Perekat
Perlengkapan bengkel
Pernis & Warna
Produk perawatan & pembersih
Sealant
Aksesori
Mulai dari Aksesori
Aksesori khusus
Barang dagangan
Drosselkatup & Pembatas Putaran
Literatur
Pembawa bagasi
Pemegang Ponsel & Aksesoris
Peralatan bengkel
Perisai angin
Perlindungan dari pencurian
Sturzbügel
Tas
TopCase
Helm & Pakaian
Mulai dari Helm & Pakaian
Aksesori
Helm
Jaket & Celana
Kacamata & Visor
Kaos & Kemeja
Sarung Tangan
Tips hari ini
Polini
Variomatic -POLINI Evolution High-Speed-Kit - 250-310 Quasar/HPE - GTS 250-310, GTV 300-310, Royal Alloy GP 300, TG 300, Italjet Dragster 300
275,00 €*
Tampilan yang meledak
Vespa LX/LXV/S 50
Vespa LX/LX Touring 50 (4-Takt, 2009-2013, ZAPC38700)
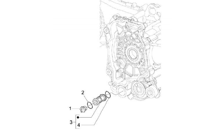
Ölfilter
Mesin
Sistem kelistrikan
Bingkai & bagian tambahan
Setang & alat kelengkapan
Kabel bowden
Roda
Layanan
Minyak & Kimia
Aksesori
Helm & Pakaian
Vespa LX 50 (4-tak, 2009, ZAPC38700)
Tampilan yang meledak
Bagasi
Bahan Bakar
Baterai - Klakson
Belakang
Cermin
Dekorasi
Depan
Dinamo
Gepenggerak Roda Gigi Sabuk
Helmkompartemen
Jok
Kabel Gas
Kabelbundel
Kaki Penutup
Karburator
Karburator Komponen
Kasing Kurbel
Kepala Silinder
Kickstand
Knalpot
Kunci Kontak
Kurbelas
Lampu Depan
Lenkerpenutup
Mesin
Noken As - Tuas Kip
Oli Filter
Oli Pompa
Penjepit Rem Depan - Saluran Rem
Plat Nomor
Rangka
Regulator - Koil
Rem Cakram Belakang
Rem Cermin
Roda Depan
Saklar
Saringan Udara Tambahan
Setang
Setang
Silinder
Silinderkepala
Sisi Verkleidungen - Spoiler
Sistem Penggantung Belakang
Spakbor
Starter Motor
Swingarm
Takometer
Transmisi
Tutup Rumah
Udara Filter
Variabel Riemenpulley
Oli Filter
Vespa LX 50 (4-tak, 2009, ZAPC38700)
Nama komponen
Dichtung
(2)
Ölfilter
(1)
Schraube
(1)
Produsen
Piaggio
(4)
Urutkan
Relevansi
Harga naik
Harga turun
Merek A-Z
Merek Z-A
Hal-hal baru
Piaggio
1431242
Filter oli -PIAGGIO- Piaggio 50-100 ccm HiPer-4
Piaggio
GP288548
Tutup saringan oli / sumbat penguras oli -PIAGGIO- Vespa ET4 50-125, LX 50 4T, LXV 50 4T, S 50 4T, Primavera 50 4T, Sprint 50 4T
Piaggio
GP285536
O-ring 31.47x1.78mm -PIAGGIO- (digunakan untuk sumbat pembuangan oli)
Piaggio
GP288474
O-ring 20.35x1.78mm -PIAGGIO- (digunakan untuk sisipan filter oli, saringan oli)
×
×