Sangat baik
4.7 / 5
Pengiriman hari ini dengan pesanan di 6 h 29 min
Gratis ongkos kirim mulai dari 99 € (DE) Kepuasan pelanggan yang tinggi
Kontak |Privasi |AGB & Info Pelanggan |Jejak
Pengiriman hari ini dengan pesanan di 6 h 29 min
Vespa S 50 Sport (4-tak, 2013, ZAPC38600) | Tampilan yang meledak Vespa S 50 Sport (4-tak, 2013, ZAPC38600) | Tampilan yang meledak
Blog DE  |  €
Kendaraan saya
Lupa kata sandi Anda?
Membuat akun pelanggan baru
0
  • Semua
    • Mesin
      Mulai dari Mesin
      • Berkendara
      • Gearbox
      • Karburator
      • Knalpot
      • Kopling
      • Manifold & diafragma intake
      • Motor
      • Motor & perumahan
      • Pemula
      • Pendinginan
      • Pengapian
      • Poros engkol
      • Revisi Set
      • Saringan udara
      • Segel
      • Sekrup & bagian kecil
      • Silinder
      • Sistem injeksi
    • Sistem kelistrikan
      Mulai dari Sistem kelistrikan
      • Baterai
      • Busi
      • Colokkan
      • Instrumen
      • Kabel
      • Motor starter
      • Pencahayaan
      • Pengapian & alternator
      • Regulator, penyearah
      • Sakelar
      • Sekrup & bagian kecil
      • Sumber cahaya
    • Bingkai & bagian tambahan
      Mulai dari Bingkai & bagian tambahan
      • Bagian panel
      • Bantalan kepala kemudi
      • Dudukan utama & samping
      • Garpu
      • Huruf
      • Jok
      • Peredam kejut
      • Sekrup & bagian kecil
      • Sistem bahan bakar
    • Setang & alat kelengkapan
      Mulai dari Setang & alat kelengkapan
      • Bagian setang & fairing
      • Cermin
      • Gagang pemindah gas
      • Instrumen
      • Menangani
      • Rem & kopling
      • Sakelar
      • Sekrup & bagian kecil
    • Kabel bowden
      Mulai dari Kabel bowden
      • Elemen kontrol
      • Kabel speedometer
      • Penarikan & pemasangan kabel
      • Penggerak Tacho
      • Puting penjepit & sekrup penyetel
      • Saluran rem
    • Roda
      Mulai dari Roda
      • Ban
      • Katup & bagian kecil
      • Rem
      • Roda
      • Selang
      • Velg
    • Layanan
      Mulai dari Layanan
      • Alat
      • Filter
      • Minyak
      • Sabuk-V
      • Set
    • Minyak & Kimia
      Mulai dari Minyak & Kimia
      • Bahan pengoperasian
      • Gemuk & Pelumas
      • Minyak
      • Perekat
      • Perlengkapan bengkel
      • Pernis & Warna
      • Produk perawatan & pembersih
      • Sealant
    • Aksesori
      Mulai dari Aksesori
      • Aksesoris Khusus
      • Anginan
      • Bagasi
      • Drosselkatup & Pembatas Putaran
      • Kantong
      • Literatur: Sastra
      • Merchandise
      • Pemegang Ponsel & Aksesoris
      • Peralatan Bengkel
      • Perlindungan dari pencurian
      • Sturzbügel
      • TopCase
    • Helm & Pakaian
      Mulai dari Helm & Pakaian
      • Aksesoris
      • Helm
      • Jaket & Celana
      • Kacamata & Visor
      • Kaos & Kemeja
      • Sarung Tangan
    • Voucher
    Tips hari ini
    Tang crimping dengan fungsi ratchet -BGM PRO- untuk selubung luar kabel tutup ujung Ø = 4mm, Ø = 5mm, Ø = 6mm
    BGM PRO
    Tang crimping dengan fungsi ratchet -BGM PRO- untuk selubung luar kabel tutup ujung Ø = 4mm, Ø = 5mm, Ø = 6mm
    54,00 €*
  • Vespa Klassik
    • Mesin
      Mulai dari Mesin
      • Berkendara
      • Gearbox
      • Karburator
      • Knalpot
      • Kopling
      • Manifold & diafragma intake
      • Motor
      • Motor & perumahan
      • Pemula
      • Pendinginan
      • Pengapian
      • Poros engkol
      • Saringan udara
      • Segel
      • Sekrup & bagian kecil
      • Set revisi
      • Silinder
    • Sistem Elektrik
      Mulai dari Sistem Elektrik
      • Baterai
      • Busi
      • Colokkan
      • Instrumen
      • Kabel
      • Motor starter
      • Pencahayaan
      • Pengapian & alternator
      • Regulator, penyearah
      • Sakelar
      • Sekrup & bagian kecil
      • Sumber cahaya
    • Rangka
      Mulai dari Rangka
      • Bagian panel
      • Bangku
      • Bantalan kepala kemudi
      • Dudukan utama & samping
      • Garpu
      • Huruf
      • Peredam kejut
      • Sekrup & bagian kecil
      • Sistem bahan bakar
    • Setang
      Mulai dari Setang
      • Bagian setang & fairing
      • Cermin
      • Gagang pemindah gas
      • Instrumen
      • Menangani
      • Rem & kopling
      • Sakelar
      • Sekrup & bagian kecil
    • Bowden Kabel
      Mulai dari Bowden Kabel
      • Elemen kontrol
      • Kabel speedometer
      • Penarikan & pemasangan kabel
      • Penggerak Tacho
      • Puting penjepit & sekrup penyetel
      • Saluran rem
    • Roda
      Mulai dari Roda
      • Ban
      • Katup & bagian kecil
      • Pelek
      • Rem
      • Roda
      • Selang
    • Servis
      Mulai dari Servis
      • Alat
      • Filter
      • Minyak
      • Set
    • Oli & Kimia
      Mulai dari Oli & Kimia
      • Bahan pengoperasian
      • Gemuk & Pelumas
      • Minyak
      • Perekat
      • Perlengkapan bengkel
      • Pernis & Warna
      • Produk perawatan & pembersih
      • Sealant
    • Aksesoris
      Mulai dari Aksesoris
      • Aksesori khusus
      • Barang dagangan
      • Bilah kecelakaan
      • Literatur
      • Pembawa bagasi
      • Peralatan bengkel
      • Perisai angin
      • Tas
      • Tempat & aksesori ponsel
      • TopCase
    • Helm & Pakaian
      Mulai dari Helm & Pakaian
      • Aksesori
      • Helm
      • Jaket & celana panjang
      • Kacamata & pelindung
      • Kaos & Kemeja
      • Sarung tangan
    Tips hari ini
    Roda -BGM Pro Superstrong tubeless 2.10-10 inci aluminium- Vespa V50, 50N, Special, PV, ET3, PK50-125 (S/XL/XL2), PX, T5, Sprint, Rally, GT/GTR, LML Star, Deluxe, Stella - matt hitam
    Baru
    Atas
    BGM PRO
    Roda -BGM Pro Superstrong tubeless 2.10-10 inci aluminium- Vespa V50, 50N, Special, PV, ET3, PK50-125 (S/XL/XL2), PX, T5, Sprint, Rally, GT/GTR, LML Star, Deluxe, Stella - matt hitam
    89,00 €*
  • Vespa Modern
    • Mesin
      Mulai dari Mesin
      • Berkendara
      • Gearbox
      • Karburator
      • Knalpot
      • Kopling
      • Manifold & diafragma intake
      • Motor
      • Motor & perumahan
      • Pemula
      • Pendinginan
      • Pengapian
      • Poros engkol
      • Saringan udara
      • Segel
      • Sekrup & bagian kecil
      • Set revisi
      • Silinder
      • Sistem injeksi
    • Sistem kelistrikan
      Mulai dari Sistem kelistrikan
      • Baterai
      • Busi
      • Colokkan
      • Instrumen
      • Kabel
      • Motor starter
      • Pencahayaan
      • Pengapian & alternator
      • Regulator, penyearah
      • Sakelar
      • Sekrup & bagian kecil
      • Sumber cahaya
    • Bingkai & bagian tambahan
      Mulai dari Bingkai & bagian tambahan
      • Bagian panel
      • Bantalan kepala kemudi
      • Dudukan utama & samping
      • Garpu
      • Huruf
      • Jok
      • Peredam kejut
      • Sekrup & bagian kecil
      • Sistem bahan bakar
    • Setang & alat kelengkapan
      Mulai dari Setang & alat kelengkapan
      • Bagian setang & fairing
      • Cermin
      • Gagang pemindah gas
      • Instrumen
      • Menangani
      • Rem & kopling
      • Sakelar
      • Sekrup & bagian kecil
    • Kabel bowden
      Mulai dari Kabel bowden
      • Elemen kontrol
      • Kabel speedometer
      • Penarikan & pemasangan kabel
      • Penggerak Tacho
      • Puting penjepit & sekrup penyetel
      • Saluran rem
    • Roda
      Mulai dari Roda
      • Ban
      • Katup & bagian kecil
      • Pelek
      • Rem
      • Roda
      • Selang
    • Layanan
      Mulai dari Layanan
      • Alat
      • Filter
      • Minyak
      • Pembersih
      • Sabuk-V
      • Set
    • Minyak & Kimia
      Mulai dari Minyak & Kimia
      • Bahan pengoperasian
      • Kepadatan
      • Minyak
      • Pelumas & Oli
      • Perekat
      • Perlengkapan bengkel
      • Pernis & Warna
      • Produk perawatan & pembersih
    • Aksesori
      Mulai dari Aksesori
      • Aksesoris Khusus
      • Anti-Pencurian
      • Bagasi
      • Barang dagangan
      • Bilah kecelakaan
      • Pemegang Ponsel & Aksesoris
      • Peralatan Bengkel
      • Perisai angin
      • Sastra: Sastra
      • Tas
      • TopCase
    • Helm & Pakaian
      Mulai dari Helm & Pakaian
      • Aksesori
      • Helm
      • Jaket & celana panjang
      • Kacamata & pelindung
      • Kaos & Kemeja
      • Sarung Tangan
    Tips hari ini
    Intake manifold -POLINI- 125-150cc 4T 2V AC Leader- Piaggio Liberty (ZAPM22), Skipper (ZAPM21), Zip II (ZAPM25), Vespa ET4 (ZAPM19) - 1 sambungan vakum
    Polini
    Intake manifold -POLINI- 125-150cc 4T 2V AC Leader- Piaggio Liberty (ZAPM22), Skipper (ZAPM21), Zip II (ZAPM25), Vespa ET4 (ZAPM19) - 1 sambungan vakum
    17,90 €*
  • Moped Klassik
    • Mesin
      Mulai dari Mesin
      • Berkendara
      • Gearbox
      • Karburator
      • Knalpot
      • Kopling
      • Manifold & diafragma intake
      • Motor & perumahan
      • Pemula
      • Pendinginan
      • Pengapian
      • Poros engkol
      • Saringan udara
      • Segel
      • Sekrup & bagian kecil
      • Set revisi
      • Silinder
    • Sistem kelistrikan
      Mulai dari Sistem kelistrikan
      • Baterai
      • Busi
      • Colokkan
      • Instrumen
      • Kabel
      • Pencahayaan
      • Pengapian & alternator
      • Regulator, penyearah
      • Sakelar
      • Sekrup & bagian kecil
      • Sumber cahaya
    • Rangka
      Mulai dari Rangka
      • Bagian panel
      • Bangku
      • Bantalan kepala kemudi
      • Dudukan utama & samping
      • Garpu
      • Huruf
      • Peredam kejut
      • Sekrup & bagian kecil
      • Sistem bahan bakar
    • Setang & alat kelengkapan
      Mulai dari Setang & alat kelengkapan
      • Bagian setang & fairing
      • Cermin
      • Gagang pemindah gas
      • Instrumen
      • Menangani
      • Rem & kopling
      • Sakelar
      • Sekrup & bagian kecil
    • Kabel bowden
      Mulai dari Kabel bowden
      • Elemen kontrol
      • Kabel speedometer
      • Penarikan & pemasangan kabel
      • Penggerak Tacho
      • Puting penjepit & sekrup penyetel
    • Roda
      Mulai dari Roda
      • Ban
      • Katup & bagian kecil
      • Pelek
      • Rem
      • Roda
      • Selang
    • Layanan
      Mulai dari Layanan
      • Alat
      • Filter
      • Minyak
    • Minyak & Kimia
      Mulai dari Minyak & Kimia
      • Bahan pengoperasian
      • Minyak
      • Pelumas & Oli
      • Perekat
      • Perlengkapan bengkel
      • Pernis & Warna
      • Produk perawatan & pembersih
      • Sealant
    • Aksesori
      Mulai dari Aksesori
      • Aksesori khusus
      • Barang dagangan
      • Literatur
      • Pembawa bagasi
      • Peralatan bengkel
      • Perlindungan dari pencurian
      • Tas
    • Helm & Pakaian
      Mulai dari Helm & Pakaian
      • Aksesori
      • Helm
      • Kaos & Kemeja
      • Sarung tangan
    Tips hari ini
    Set bushing -Bushing Garpu MC- Lengan ayun garpu Ciao, untuk revisi dan stabilisasi roda depan
    MC Proparts
    Set bushing -Bushing Garpu MC- Lengan ayun garpu Ciao, untuk revisi dan stabilisasi roda depan
    17,90 €*
  • Lambretta
    • Mesin
      Mulai dari Mesin
      • Berkendara
      • Gearbox
      • Karburator
      • Kickstarter
      • Knalpot
      • Kopling
      • Manifold & diafragma intake
      • Motor & perumahan
      • Pendinginan
      • Pengapian
      • Poros engkol
      • Saringan udara
      • Segel
      • Sekrup & bagian kecil
      • Set revisi
      • Silinder
    • Sistem kelistrikan
      Mulai dari Sistem kelistrikan
      • Baterai
      • Busi
      • Colokkan
      • Instrumen
      • Memanfaatkan kabel
      • Pencahayaan
      • Pengapian & alternator
      • Regulator & penyearah
      • Sakelar
      • Sekrup & bagian kecil
      • Sumber cahaya
    • Bingkai & bagian tambahan
      Mulai dari Bingkai & bagian tambahan
      • Bagian panel
      • Bangku
      • Bantalan kepala kemudi
      • Berdiri
      • Garpu
      • Huruf
      • Peredam kejut
      • Sekrup & bagian kecil
      • Sistem bahan bakar
    • Setang & alat kelengkapan
      Mulai dari Setang & alat kelengkapan
      • Bagian setang & fairing
      • Cermin
      • Gagang pemindah gas
      • Instrumen
      • Menangani
      • Rem & kopling
      • Sakelar
      • Sekrup & bagian kecil
    • Kabel bowden
      Mulai dari Kabel bowden
      • Elemen kontrol
      • Kabel speedometer
      • Penarikan & pemasangan kabel
      • Penggerak Tacho
      • Puting penjepit & sekrup penyetel
      • Saluran rem
    • Roda
      Mulai dari Roda
      • Ban
      • Katup & bagian kecil
      • Pelek
      • Rem
      • Roda
      • Selang
    • Layanan
      Mulai dari Layanan
      • Alat
      • Minyak
      • Pembersih
      • Set
    • Minyak & Kimia
      Mulai dari Minyak & Kimia
      • Bahan pengoperasian
      • Gemuk & Pelumas
      • Minyak
      • Perekat
      • Perlengkapan bengkel
      • Pernis & Warna
      • Produk perawatan & pembersih
      • Sealant
    • Aksesori
      Mulai dari Aksesori
      • Aksesori khusus
      • Barang dagangan
      • Bilah kecelakaan
      • Literatur
      • Pembawa bagasi
      • Peralatan bengkel
      • Perisai angin
      • Perlindungan dari pencurian
      • Tas
      • Tempat & aksesori ponsel
    • Helm & Pakaian
      Mulai dari Helm & Pakaian
      • Aksesori
      • Helm
      • Jaket & celana panjang
      • Kaos & Kemeja
      • Sarung tangan
    Tips hari ini
    Kursi SIL (Scooter India Limited) -MADE IN ITALIA- Lambretta DL, GP - hitam
    Selleria Trezzi
    Kursi SIL (Scooter India Limited) -MADE IN ITALIA- Lambretta DL, GP - hitam
    399,00 €*
  • Scooter 50-850ccm
    • Mesin
      Mulai dari Mesin
      • Ansaugpipa & Membran
      • Filter Udara
      • Karburator
      • Karet
      • Knalpot
      • Kopling
      • Kruk As
      • Mesin
      • Mesin Motor
      • Pending
      • Penggerak
      • Penyalaan
      • Revisi Set
      • Sekrup & Bagian Kecil
      • Silinder
      • Sistem Injeksi
      • Starter Kickstarter
      • Transmisi
    • Sistem kelistrikan
      Mulai dari Sistem kelistrikan
      • Baterai
      • Busik-busik
      • Instrumenta
      • Kabel
      • Lampu
      • Penerangan
      • Regulator, Rectifier
      • Saklar
      • Sekrup & Bagian Kecil
      • Sistem Pengapian & Dinamo
      • Soket
      • Starter
    • Bingkai & bagian tambahan
      Mulai dari Bingkai & bagian tambahan
      • Bagian panel
      • Bangku
      • Bantalan kepala kemudi
      • Dudukan utama & samping
      • Garpu
      • Huruf
      • Peredam kejut
      • Sekrup & bagian kecil
      • Sistem bahan bakar
    • Setang & alat kelengkapan
      Mulai dari Setang & alat kelengkapan
      • Bagian setang & fairing
      • Cermin
      • Gagang pemindah gas
      • Instrumen
      • Menangani
      • Rem & kopling
      • Sakelar
      • Sekrup & bagian kecil
    • Kabel bowden
      Mulai dari Kabel bowden
      • Elemen kontrol
      • Kabel speedometer
      • Penarikan & pemasangan kabel
      • Penggerak Tacho
      • Puting penjepit & sekrup penyetel
      • Rem Cakram
    • Roda
      Mulai dari Roda
      • Ban
      • Katup & bagian kecil
      • Pelek
      • Rem
      • Roda
      • Selang
    • Layanan
      Mulai dari Layanan
      • Alat
      • Filter
      • Minyak
      • Pembersih
      • Sabuk V
      • Set
    • Minyak & Kimia
      Mulai dari Minyak & Kimia
      • Bahan Bakar
      • Gemuk & Pelumas
      • Oli
      • Perekat
      • Perlengkapan bengkel
      • Pernis & Warna
      • Produk perawatan & pembersih
      • Sealant
    • Aksesori
      Mulai dari Aksesori
      • Aksesori khusus
      • Barang dagangan
      • Drosselkatup & Pembatas Putaran
      • Literatur
      • Pembawa bagasi
      • Pemegang Ponsel & Aksesoris
      • Peralatan bengkel
      • Perisai angin
      • Perlindungan dari pencurian
      • Sturzbügel
      • Tas
      • TopCase
    • Helm & Pakaian
      Mulai dari Helm & Pakaian
      • Aksesori
      • Helm
      • Jaket & Celana
      • Kacamata & Visor
      • Kaos & Kemeja
      • Sarung Tangan
    Tips hari ini
    Variomatic -POLINI Evolution High-Speed-Kit - 250-310 Quasar/HPE - GTS 250-310, GTV 300-310, Royal Alloy GP 300, TG 300, Italjet Dragster 300
    Polini
    Variomatic -POLINI Evolution High-Speed-Kit - 250-310 Quasar/HPE - GTS 250-310, GTV 300-310, Royal Alloy GP 300, TG 300, Italjet Dragster 300
    275,00 €*
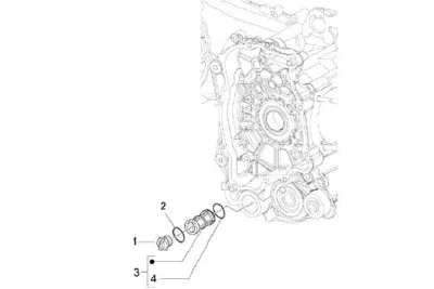
  1. Tampilan yang meledak
  2. Vespa LX/LXV/S 50
  3. Vespa S 50 Sport (4-Takt, 2013, ZAPC38600)
Mesin
Sistem kelistrikan
Bingkai & bagian tambahan
Setang & alat kelengkapan
Kabel bowden
Roda
Layanan
Minyak & Kimia
Aksesori
Helm & Pakaian
Vespa S 50 Sport (4-tak, 2013, ZAPC38600)
  • Tampilan yang meledak
    • Bahan Bakar
    • Baterai
    • Belakang
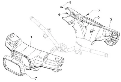
    • Chassis
    • Dekorasi
    • Depan
    • Dinamo
    • Garpu Depan
    • Gepenggerak Roda Gigi Sabuk
    • Helmkompartemen
    • Jok
    • Kabel Gas
    • Kabelbundel
    • Kaki Penutup
    • Kaki Tengah
    • Karburator
    • Karburator Komponen
    • Kasing Kurbel
    • Kepala Silinder
    • Kepala Silinder
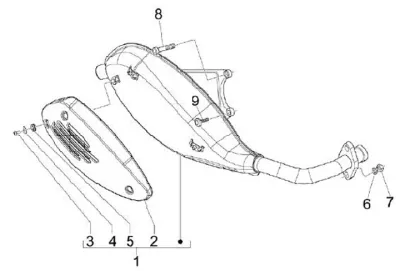
    • Knalpot
    • Kunci Kontak
    • Kurbelas
    • Lampu Depan
    • Lenkerpenutup
    • Mesin
    • Oli Filter
    • Oli Pompa
    • Pelindung Kaki Dalam
    • Plat Nomor
    • Regulator
    • Rem
    • Rem Cakram Belakang
    • Rem Cermin
    • Roda Depan
    • Saklar
    • Schwinghebelpemegang
    • Setang
    • Silinder
    • Sisi Penutup
    • Sistem Penggantung Belakang
    • Sistem Pengisian Udara Samping
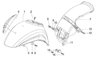
    • Spakbor
    • Spion Belakang
    • Starter Motor
    • Swingarm
    • Takometer
    • Transmisi
    • Tutup Rumah
    • Udara Filter
    • Variabel Riemenpulley
Tampilan yang meledak
Vespa S 50 Sport (4-tak, 2013, ZAPC38600)
Bahan Bakar
Bahan Bakar
Baterai
Baterai
Belakang
Belakang
Chassis
Chassis
Dekorasi
Dekorasi
Depan
Depan
Dinamo
Dinamo
Garpu Depan
Garpu Depan
Gepenggerak Roda Gigi Sabuk
Gepenggerak Roda Gigi Sabuk
Helmkompartemen
Helmkompartemen
Jok
Jok
Kabel Gas
Kabel Gas
Kabelbundel
Kabelbundel
Kaki Penutup
Kaki Penutup
Kaki Tengah
Kaki Tengah
Karburator
Karburator
Karburator Komponen
Karburator Komponen
Kasing Kurbel
Kasing Kurbel
Kepala Silinder
Kepala Silinder
Kepala Silinder
Kepala Silinder
Knalpot
Knalpot
Kunci Kontak
Kunci Kontak
Kurbelas
Kurbelas
Lampu Depan
Lampu Depan
Lenkerpenutup
Lenkerpenutup
Mesin
Mesin
Oli Filter
Oli Filter
Oli Pompa
Oli Pompa
Pelindung Kaki Dalam
Pelindung Kaki Dalam
Plat Nomor
Plat Nomor
Regulator
Regulator
Rem
Rem
Rem Cakram Belakang
Rem Cakram Belakang
Rem Cermin
Rem Cermin
Roda Depan
Roda Depan
Saklar
Saklar
Schwinghebelpemegang
Schwinghebelpemegang
Setang
Setang
Silinder
Silinder
Sisi Penutup
Sisi Penutup
Sistem Penggantung Belakang
Sistem Penggantung Belakang
Sistem Pengisian Udara Samping
Sistem Pengisian Udara Samping
Spakbor
Spakbor
Spion Belakang
Spion Belakang
Starter Motor
Starter Motor
Swingarm
Swingarm
Takometer
Takometer
Transmisi
Transmisi
Tutup Rumah
Tutup Rumah
Udara Filter
Udara Filter
Variabel Riemenpulley
Variabel Riemenpulley
Berlangganan ke Scooter Center Buletin
Masukkan alamat email Anda.
Daftar ke buletin kami sekarang dan dapatkan diskon €5 untuk pesanan Anda berikutnya sebesar €50 atau lebih!
Selalu dapatkan informasi terbaru - dengan berita, promosi, dan penawaran eksklusif untuk skuter & penyetelan.
Anda dapat berhenti berlangganan kapan saja. Data Anda tidak akan diberikan kepada pihak ketiga.
Scooter Center
Sangat baik 4.7 / 5
Scooter Center
Tentang kami
Hubungi Kami
Bagaimana cara menghubungi kami
Jam buka
Untuk dealer
Halaman karir
Tanggung jawab kami/ESG
 
Layanan pengiriman
Biaya pengiriman
Metode/harga pembayaran
Pengembalian / Pengembalian
Beli voucher
Pesanan langsung
Tampilan yang meledak
FAQ
Pembayaran dan pengiriman
Sie können im Shop mit paypal zahlen Sie können im Shop per Vorkasse zahlen Sie können im Shop mit Kreditkarte zahlen Sie können im Shop mit klarna zahlen Sie können im Shop mit Google Pay zahlen Sie können im Shop mit Apple Pay zahlen Sie können im Shop per Nachnahme zahlen Sie können im Shop mit Trustly zahlen Sie können im Shop mit Twint zahlen Sie können im Shop mit iDEAL zahlen Sie können im Shop mit bancontact zahlen Sie können im Shop mit Bancomat Pay zahlen Sie können im Shop mit Amex zahlen Sie können im Shop mit BLIK zahlen
Pengiriman gratis mulai dari nilai pesanan 99 euro untuk semua pelanggan akhir di Jerman.
Wir versenden mit DHL Wir versenden mit ups Wir versenden mit DPD Wir versenden mit Fedex Click & Collect
Ausgezeichnet durch das eKomi Siegel
Artikel tanpa TÜV dan ABE kecuali diberi label lain. Waktu pengiriman mengacu pada pengiriman di Jerman.
Semua hak cipta dilindungi undang-undang © 2025 Scooter Center GmbH
Masalah hukum
Kondisi lingkungan Peraturan tentang Komponen Listrik Kecil Hak pembatalan AGB & informasi pelanggan Pengaturan cookie Pemberitahuan hukum Kebijakan Privasi
* termasuk [[LEWATKAN_KATA_0]] Termasuk PPN. ditambah biaya pengiriman