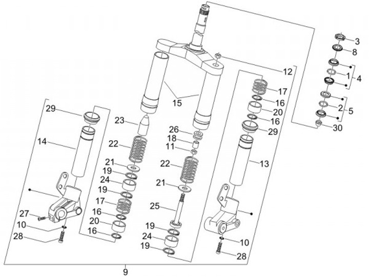
Telegabel - Suku Cadang Setir
Gilera Runner 50 RST SP (2009, ZAPC46100)
Urutkan