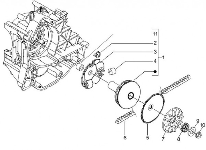
Variabel Riemenpulley
Vespa LX 50 Touring (4-tak, 2009, ZAPC38700)
Urutkan