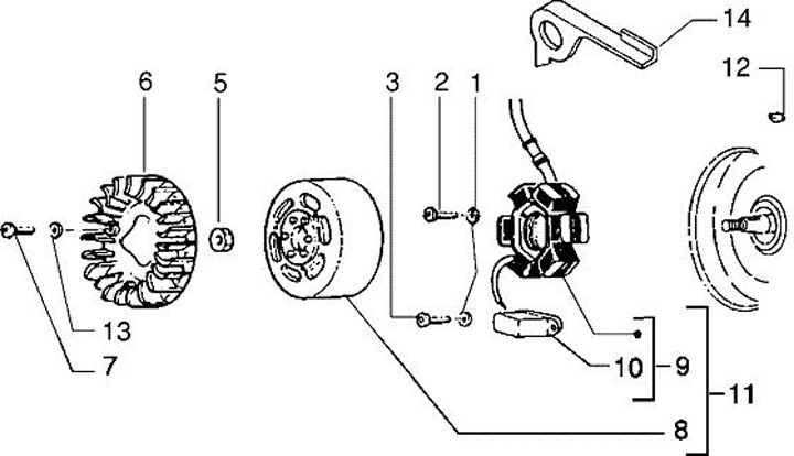
Statore
Piaggio TPH 50 (2006, ZAPC29000)
Ordinamento