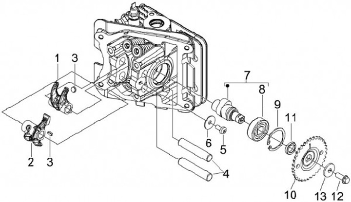
Supporto per braccio oscillante
Vespa LX 50 Touring (4-tempi, 2009, ZAPC38700)
Ordinamento