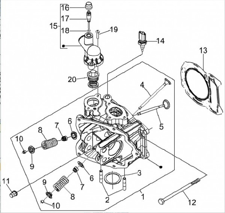
Testa cilindro - valvole
Piaggio X7 250 (2008, ZAPM62200)
Ordinamento