mycket bra
4.7 / 5
Portofritt från 99€ (DE)
Hög kundnöjdhet
Kontakt
|
Sekretess
|
AGB & Kundinformation
|
Impressum
Blog
DE | €
Mitt garage
Har du glömt ditt lösenord?
register
Skapa ett nytt kundkonto
0
Alla
Motor
Allt från Motor
Avgaser
Cylinder
Drive
Förgasare
Inloppsgrenrör & membran
Insprutningssystem
Koppling
Kylning
Luftfilter
Motor & hölje
Motorer
Reparationssats
Skruvar & smådelar
Start
Tändning
Tätningar
Växellåda
Vevaxel
Elektriskt system
Allt från Elektriskt system
Batterier
Belysning
Instrument
Kablar
Ljuskälla
Plug
Regulator, likriktare
Skruvar & smådelar
Startmotor
Strömbrytare
Tändning & generator
Tändstift
Ram och påbyggnadsdelar
Allt från Ram och påbyggnadsdelar
Bokstäver
Bränslesystem
Gafflar
Huvud- och sidostativ
Lager för styrhuvud
Panelerande delar
Sitsbänkar
Skruvar & smådelar
Stötdämpare
Styrstänger & beslag
Allt från Styrstänger & beslag
Broms och koppling
Handtag
Handtag för gasväxling
Instrument
Skruvar & smådelar
Spegel
Strömbrytare
Styren & kåpor
Bowdenkablar
Allt från Bowdenkablar
Bromsledningar
Kabeldrag & set
Kontrollelement
Spännnipplar & justerskruvar
Speedometerkablar
Tachodrivningar
Hjul
Allt från Hjul
Bromsar
Däck
Fälgar
Hjul
Slangar
Ventiler & smådelar
Service
Allt från Service
Filter
Oljor
Uppsättningar
V-rem
Verktyg
Olja & kemi
Allt från Olja & kemi
Driftsmaterial
Fetter & smörjmedel
Lacker och kulörer
Lim
Material till verkstaden
Oljor
Tätningsmedel
Vårdprodukter & rengöringsmedel
Tillbehör
Allt från Tillbehör
Bagagehållare
Drosselsatser & Varvtalsbegränsare
Litteratur
Merchandise
Mobiltelefonhållare och Tillbehör
Specialtillbehör
Stöldskydd
Sturbbågar
Topplåda
Väskor
Verkstadsinredning
Vindrutor
Hjälmar & kläder
Allt från Hjälmar & kläder
Glasögon & Visir
Handaskar
Hjälmar
Jackor & Byxor
T-shirt & skjortor
Tillbehör
Kuponger
Dagens tips
H-Tronic
Batteriladdare -H-TRONIC AL 300Pro- 2V, 6V, 12V
16,90 €*
Klassisk Vespa
Motor
Allt från Motor
Avgaser
Cylinder
Drive
Förgasare
Inloppsgrenrör & membran
Koppling
Kylning
Luftfilter
Motor & hölje
Motorer
Revisionsuppsättning
Skruvar & smådelar
Start
Tändning
Tätningar
Växellåda
Vevaxel
Elektrisk Anläggning
Allt från Elektrisk Anläggning
Belysning
Instrument
Kablar
Ljuskälla
Misshandlare
Plug
Regulator, likriktare
Skruvar & smådelar
Startmotor
Strömbrytare
Tändning & agenerator
Tändstift
Chassi
Allt från Chassi
Bänkar
Bokstäver
Bränslesystem
Gafflar
Huvud- och sidostativ
Lager för styrhuvud
Panelerande delar
Skruvar & smådelar
Stötdämpare
Styren
Allt från Styren
Broms och koppling
Handtag
Handtag för gasväxling
Instrument
Skruvar & smådelar
Spegel
Strömbrytare
Styren & kåpor
Bowdenvajrar
Allt från Bowdenvajrar
Bromsledningar
Kabeldrag & set
Kontrollelement
Spännnipplar & justerskruvar
Speedometerkablar
Tachodrivning
Hjul
Allt från Hjul
Bromsar
Däck
Fälgar
Hjul
Slangar
Ventiler & smådelar
Service
Allt från Service
Filter
Oljor
Uppsättningar
Verktyg
Olja & Kemikalier
Allt från Olja & Kemikalier
Driftsmaterial
Fetter & smörjmedel
Lacker och kulörer
Lim och klister
Material till verkstaden
Oljor
Tätningsmedel
Vårdprodukter & rengöringsmedel
Tillbehör
Allt från Tillbehör
Bagagehållare
Hållare för mobiltelefoner & tillbehör
Handelsvaror
Litteratur
Särskilda tillbehör
Skyddsbåge
TopCase
Väskor
Verkstadsutrustning
Vindskydd
Hjälmar & Kläder
Allt från Hjälmar & Kläder
Glasögon & visir
Handskar
Hjälmar
Jackor & byxor
T-shirts & skjortor
Tillbehör
Dagens tips
Topp
BGM PRO
Hjul -BGM Pro Superstrong tubeless 2.10-10 tum aluminium- Vespa V50, 50N, Special, PV, ET3, PK50-125 (S/XL/XL2), PX, T5, Sprint, Rally, GT/GTR, LML Star, Deluxe, Stella - blank svart
89,00 €*
Vespa Modern
Motor
Allt från Motor
Avgaser
Cylinder
Drive
Förgasare
Inloppsgrenrör & membran
Insprutningssystem
Koppling
Kylning
Luftfilter
Motor & hölje
Motorer
Revisionsuppsättning
Skruvar & smådelar
Start
Tändning
Tätningar
Växellåda
Vevaxel
Elektriskt system
Allt från Elektriskt system
Batterier
Belysning
Instrument
Kablar
Ljuskälla
Plug
Regulator, likriktare
Skruvar & smådelar
Startmotor
Strömbrytare
Tändning & generator
Tändstift
Chassi
Allt från Chassi
Bänkar
Bokstäver
Bränslesystem
Gafflar
Huvud- och sidostativ
Lager för styrhuvud
Panelerande delar
Skruvar & smådelar
Stötdämpare
Styrstänger & beslag
Allt från Styrstänger & beslag
Broms och koppling
Handtag
Handtag för gasväxling
Instrument
Skruvar & smådelar
Spegel
Strömbrytare
Styren & kåpor
Bowdenkablar
Allt från Bowdenkablar
Bromsledningar
Kabeldrag & set
Kontrollelement
Spännnipplar & justerskruvar
Speedometerkablar
Tachodrivning
Hjul
Allt från Hjul
Bromsar
Däck
Fälgar
Hjul
Slangar
Ventiler & smådelar
Service
Allt från Service
Filter
Oljor
Rengöringsmedel
Uppsättningar
V-rem
Verktyg
Olja & kemi
Allt från Olja & kemi
Driftsmaterial
Fetter & smörjmedel
Lacker och kulörer
Lim
Material till verkstaden
Oljor
Tätningsmedel
Vårdprodukter & rengöringsmedel
Tillbehör
Allt från Tillbehör
Bagagehållare
Hållare för mobiltelefoner & tillbehör
Handelsvaror
Litteratur
Särskilda tillbehör
Skyddsbåge
Stöldskydd
TopCase
Väskor
Verkstadsutrustning
Vindskydd
Hjälmar & kläder
Allt från Hjälmar & kläder
Glasögon & visir
Handskar
Hjälmar
Jackor & byxor
T-shirts & skjortor
Tillbehör
Dagens tips
Polini
Inloppsgrenrör -POLINI- Piaggio 125-150 4T 2V AC- (1: a generationen / före Leader) - Piaggio Sfera, Liberty, Aprilia Habana, Mojito, Vespa ET4, Italjet Torpedo, Benelli Adiva - 1 vakuumanslutning
17,19 €*
Moped klassisk
Motor
Allt från Motor
Avgaser
Cylinder
Drive
Förgasare
Inloppsgrenrör & membran
Koppling
Kylning
Luftfilter
Motor & hölje
Revisionsuppsättning
Skruvar & smådelar
Start
Tändning
Tätningar
Växellåda
Vevaxel
Elektriskt system
Allt från Elektriskt system
Batterier
Belysning
Instrument
Kablar
Ljuskälla
Plug
Regulator, likriktare
Skruvar & smådelar
Strömbrytare
Tändning & generator
Tändstift
Ram och påbyggnadsdelar
Allt från Ram och påbyggnadsdelar
Bänkar
Bokstäver
Bränslesystem
Gafflar
Huvud- och sidostativ
Lager för styrhuvud
Panelerande delar
Skruvar & smådelar
Stötdämpare
Styrstänger & beslag
Allt från Styrstänger & beslag
Broms och koppling
Handtag
Handtag för gasväxling
Instrument
Skruvar & smådelar
Spegel
Strömbrytare
Styren & kåpor
Bowdenkablar
Allt från Bowdenkablar
Kabeldrag & set
Kontrollelement
Spännnipplar & justerskruvar
Speedometerkablar
Tachodrivning
Hjul
Allt från Hjul
Bromsar
Däck
Fälgar
Hjul
Slangar
Ventiler & smådelar
Service
Allt från Service
Filter
Oljor
Verktyg
Olja & kemi
Allt från Olja & kemi
Driftsmaterial
Fetter & smörjmedel
Lacker och kulörer
Lim och klister
Material till verkstaden
Oljor
Tätningsmedel
Vårdprodukter & rengöringsmedel
Tillbehör
Allt från Tillbehör
Bagagehållare
Handelsvaror
Litteratur
Särskilda tillbehör
Stöldskydd
Väskor
Verkstadsutrustning
Hjälmar & kläder
Allt från Hjälmar & kläder
Handskar
Hjälmar
T-shirts & skjortor
Tillbehör
Dagens tips
Schmitt
Cylindersats Schmitt Sportfreund Vertex Edition 50cc för Simson S51 KR512 SR50
265,00 €*
Lambretta
Motor
Allt från Motor
Avgaser
Cylinder
Drive
Förgasare
Inloppsgrenrör & membran
Kickstarter
Koppling
Kylning
Luftfilter
Motor & hölje
Revisionsuppsättningar
Skruvar & Smådelar
Tändning
Tätningar
Växellåda
Vevaxel
Elektriskt system
Allt från Elektriskt system
Batterier
Belysning
Instrument
Kabelhärvor
Ljuskälla
Plug
Regulator & likriktare
Skruvar & smådelar
Strömbrytare
Tändning & generator
Tändstift
Ram och påbyggnadsdelar
Allt från Ram och påbyggnadsdelar
Bänkar
Bokstäver
Bränslesystem
Gafflar
Huvudstativ
Lager för styrhuvud
Panelerande delar
Skruvar & smådelar
Stötdämpare
Styrstänger & beslag
Allt från Styrstänger & beslag
Broms och koppling
Handtag
Handtag för gasväxling
Instrument
Skruvar & smådelar
Spegel
Strömbrytare
Styren & kåpor
Bowdenkablar
Allt från Bowdenkablar
Bromsledningar
Kabeldrag & set
Kontrollelement
Spännnipplar & justerskruvar
Speedometerkablar
Tachodrivning
Hjul
Allt från Hjul
Bromsar
Däck
Fälgar
Hjul
Slangar
Ventiler & smådelar
Service
Allt från Service
Oljor
Rengöringsmedel
Uppsättningar
Verktyg
Olja & kemi
Allt från Olja & kemi
Driftsmaterial
Fetter & smörjmedel
Lacker och kulörer
Lim och klister
Material till verkstaden
Oljor
Tätningsmedel
Vårdprodukter & rengöringsmedel
Tillbehör
Allt från Tillbehör
Bagagehållare
Hållare för mobiltelefoner & tillbehör
Handelsvaror
Litteratur
Särskilda tillbehör
Skyddsbåge
Stöldskydd
Väskor
Verkstadsutrustning
Vindskydd
Hjälmar &; kläder
Allt från Hjälmar &; kläder
Handskar
Hjälmar
Jackor & byxor
T-shirts & skjortor
Tillbehör
Dagens tips
Selleria Trezzi
Seat SIL (Scooter India Limited) -MADE IN ITALY- Lambretta DL, GP - svart
399,00 €*
Skoter 50-850cc
Motor
Allt från Motor
Ansugsrör & Membran
Avgasrör
Bränsleinsprutningssystem
Cylinder
Drive
Förgasare
Koppling
Kylning
Luftfilter
Motorer
Motorhus
Reparationssats
Skruvar & Smådelar
Startmotor Kickstarter
Tändning
Tätningsmedel
Växellåda
Veaxell
Elektriskt system
Allt från Elektriskt system
Batterier
Belysning
Brytare
Instrument
Kabel
Kontaktdon
Ljuskälla
Regulator, Likriktare
Skruvar & Smådelar
Startmotor
Tändning & Generator
Tändstift
Ram och påbyggnadsdelar
Allt från Ram och påbyggnadsdelar
Bänkar
Bokstäver
Bränslesystem
Gafflar
Huvud- och sidostativ
Lager för styrhuvud
Panelerande delar
Skruvar & smådelar
Stötdämpare
Styrstänger & beslag
Allt från Styrstänger & beslag
Broms och koppling
Handtag
Handtag för gasväxling
Instrument
Skruvar & smådelar
Spegel
Strömbrytare
Styren & kåpor
Bowdenkablar
Allt från Bowdenkablar
Bromsledningar
Kabeldrag & set
Kontrollelement
Spännnipplar & justerskruvar
Speedometerkablar
Tachodrivning
Hjul
Allt från Hjul
Bromsar
Däck
Fälgar
Hjul
Slangar
Ventiler & smådelar
Service
Allt från Service
Filter
Kilrem
Oljor
Rengöringsmedel
Uppsättningar
Verktyg
Olja & kemi
Allt från Olja & kemi
Drivmedel
Fetter & smörjmedel
Lacker och kulörer
Lim och klister
Material till verkstaden
Oljor
Tätningsmedel
Vårdprodukter & rengöringsmedel
Tillbehör
Allt från Tillbehör
Bagagehållare
Drosselsatser & Varvtalsbegränsare
Handelsvaror
Litteratur
Mobiltelefonhållare och Tillbehör
Särskilda tillbehör
Stöldskydd
Sturbbågar
TopCase
Väskor
Verkstadsutrustning
Vindskydd
Hjälmar & kläder
Allt från Hjälmar & kläder
Glasögon & Visir
Handaskar
Hjälmar
Jackor & Byxor
T-shirts & skjortor
Tillbehör
Dagens tips
Malossi
Varioskydd -MALOSSI-, aluminium, hårdanodiserad- Piaggio Leader/Quasar-motor - ET4, LX/LXV125-150, S125-150, GT/GTS/GTV/GTL 125-300, Royal Alloy GP, TG - svart
86,90 €*
Vespa 125/150/180/200 Rally/Sprint 57-
Vespa 150 Super (VBC1T)
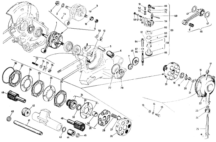
Kurbelwelle, Kupplung
Motor
Elektrisk Anläggning
Chassi
Styren
Bowdenvajrar
Hjul
Service
Olja & Kemikalier
Tillbehör
Hjälmar & Kläder
Vespa 150 Super (VBC1T)
Exploderade vyer
Broms Wire, Gas Wire, Kopplings Wire
Bromstråd, Växeltrådar, Varvrör
Förgasare
Fotstegar, Avgaser
Gaffel, Framhjul
Hjul
Kabelstam
Motorhus, Cylinder
Primär, Kickstarter
Ram
Sitsbank, Tank
Stötdämpare
Strålkastare, Bakljus
Styren
Tändning
Tillbehör
Växellåda, Bakhjul
Växelspak
Vejvaxel, Koppling
Vejvaxel, Koppling
Vespa 150 Super (VBC1T)
Komponentens namn
Uttag
(3)
Packning
(3)
Packning för förgasare
(1)
Avluftare
(1)
Tandad låsbricka
(1)
Fjäder
(2)
Fjäderbricka
(2)
Fjädrande skiva
(1)
Basplatta
(2)
Del av gummi
(3)
Parallell nyckel
(2)
Spak
(1)
Koppling
(2)
Tryckplatta för koppling
(1)
Kopplingsarm
(2)
Kopplingsskydd
(1)
Kopplingskorg
(1)
Kopplingsskiva
(2)
Svamp för frikoppling av koppling
(1)
Vevaxel
(1)
Mutter
(4)
Nitar
(1)
Lager för vevstake
(1)
Rör
(1)
Skruv
(2)
Låsring
(5)
Ljuddämpande gummi
(1)
Splitstift
(1)
Platt bricka
(3)
Kugghjul
(2)
Material
Gummi
(1)
Stål
(1)
Avsluta
matt
(1)
Färg
apelsin
(1)
Monteringsläge
tillbaka
(1)
Stroke
57 mm (standard)
(1)
Längd på vevstake
105 mm (standard)
(1)
Typ av konstruktion
Standard roterande ventil
(1)
Kolvstiftets diameter
15 mm
(1)
Tillverkare
BGM ORIGINAL
(1)
BGM PRO
(2)
CIF
(1)
Dellorto
(1)
GR Gears
(3)
LML
(2)
Malossi
(1)
MEC
(1)
Normfest
(5)
OEM-Qualität
(8)
Piaggio
(23)
Surflex
(2)
Tameni
(1)
Sortera
Relevans
Stigande priser
Priserna sjunker
Varumärke A-Z
Varumärke Z-A
Nyheter
Tameni
3330038
Vevaxel -TAMENI standard, roterande ventil, slaglängd=57mm, vevstake=105mm- Vespa VNB, VBA, VBB, T4, Super
Leveransdatum
CIF
9020145
Koppling -CIF- typ 6-fjädrar (Ø108 mm, VNB4, VNB5, VNB6, GT125, GTR125, Super, TS125, VBB2T, GL125, GL150, Sprint125, Sprint 150, Super125, Super150)- 3 lameller - 22 tänder (Sprint-typ)
Piaggio
9020113
Kopplingsskydd -PIAGGIO- alla Vespa Largeframe, PX, T5 125cc, Cosa, Rally, Sprint, TS125, GT125, GTR125, Super, GL, VNA, VNB, VBA, VBB
GR Gears
3333769
Koppling -OEM-kvalitet typ 6 fjädrar (Ø108 mm, PX80, PX125, PX150)- 3 skivor - 21 tänder
Malossi
M7717765B
Kopplingskorg -MALOSSI Power Up Clutch Ø109,5mm Vespa typ 7 fjädrar (Rally200, PX200, T5 125cc)
Piaggio
3330464
Rörböj oljepump i förgasarsump -PIAGGIO- Vespa PX Lusso, 98, My, 2011, Cosa
OEM-Qualität
7670137
Kopplingsbottenplatta -VESPA typ 6 fjädrar (Ø108 mm, VNB4, VNB5, VNB6, GT125, GTR125, Super, TS125, VBB2T, GL125, GL150, Sprint125, Sprint 150, Super125, Super150)- (Sprint-typ)
OEM-Qualität
9020122
Kopplingspinjong -OEM KVALITET, Vespa typ 6 fjädrar (Ø108mm, VNB4, VNB5, VNB6, GT125, GTR125, Super, TS125, VBB2T, GL125, GL150, Sprint125, Sprint 150, Super125, Super150)- 22 tänder (total höjd 34,0mm, höjd pinjong 12mm
Leveransdatum
Piaggio
1047944
Ljuddämpande blockbussning motor -PIAGGIO- Vespa PX80, PX125, PX150, Sprint150 (VLB1T), TS125 (VNL3T), GT125 (VNL2T), GTR125 (VNL2T), Super, GL150 (VLA1T), VNA, VNB, VBA, VBB
LML
7674442
Kopplingsarm -LML- Vespa Largeframe, PX, T5 125cc, Cosa, Rally, Sprint, TS125, GT125, GTR125, Super, GL, VNA, VNB, VBA, VBB
GR Gears
3333767
Kopplingsbottenplatta -OEM KVALITET, Vespa typ 6 fjädrar (PX80, PX125, PX150)
Piaggio
3330631
Kopplingsspak -PIAGGIO- Vespa PX, Sprint150 (VLB1T), Rally180 (VSD1T), Rally200 (VSE1T), GT125 (VNL2T), GTR125 (VNL2T)
BGM PRO
BGM7041
Silentblock-sats stötdämpare/motor -BGM PRO Antislip orange (tillverkad i Tyskland) Ø=9mm x 48mm- Vespa PX (1983), Rally, TS, Sprint, Sprint Veloce, GT, GTR, Super, GL, V50, PV, ET3
Piaggio
3331121
Kopplingslockets avluftningsskruv -PIAGGIO- Vespa alla Vespa
GR Gears
3333751
Kopplingsbelägg -OEM KVALITET typ 6-fjädrar, 3-stycken - Vespa PX80, PX125, PX150, Sprint, TS, Super, GT, GTR, VBA, VBB, VNB, VNA2T (081469-), Ape 150c
Leveransdatum
Piaggio
7673179
Kopplingsseparator -PIAGGIO- Vespa PX, T5 125cc, Cosa2, Rally180 (VSD1T), Rally200 (VSE1T), Sprint150 (VLB1T), TS125 (VNL3T), GT125 (VNL2T), GTR125 (VNL2T), GL150 (VLA1T), Super, GS160 / GS4 (VSB1T), SS180 (VSC1T), VNA, VNB, VBA, VBB
Piaggio
159589
Ljuddämpande motortvärbalk av gummi höger -PIAGGIO- Vespa PX80, PX125, PX150
BGM ORIGINAL
BGM87804
Seegerring med klack -BGM ORIGINAL- Ø=62mm - används för vevaxellager 613912 Kopplingssida - Vespa PX (-1983), Rally, SS180, GS160, GT125, GTR125, TS125, VL150, VD150, VGLA, VGLB
Piaggio
9020043
Kopplingsbussning -PIAGGIO- Vespa PX, T5 125cc, Cosa, Rally, TS, Sprint, GT, GTR, SS180, GS160 / GS4, GL, Super, VNA, VNB, VBA, VBB
Dellorto
5450022
Packningssats förgasare -DELLORTO- SHBC 19 Vespa PK
1
2
3
×
×