muy bueno
4.7 / 5
Envío hoy con pedido en 4 h 8 min
Gastos de envío gratuitos a partir de 99€ (DE)
Alta satisfacción del cliente
Contacto
|
Privacidad
|
AGB & Customer Info
|
Pie de imprenta
Envío hoy con pedido en 4 h 8 min
Blog
DE | €
Mi garaje
¿Ha olvidado su contraseña?
de acceso
Crear una nueva cuenta de cliente
0
Todos
Motor
Todo apagado Motor
Caja de cambios
Carburador
Cigüeñal
Cilindro
Colector de admisión y diafragma
Conducir
Conjunto de revisiones
Embrague
Encendido
Escape
Filtro de aire
Inicio
Motor y carcasa
Motores
Refrigeración
Sellos
Sistema de inyección
Tornillos y piezas pequeñas
Sistema eléctrico
Todo apagado Sistema eléctrico
Bujías de encendido
Cables
Encendido y alternador
Enchufe
Fuente de luz
Iluminación
Instrumentos
Interruptores
Motor de arranque
Pilas
Regulador, rectificador
Tornillos y piezas pequeñas
Bastidor y piezas complementarias
Todo apagado Bastidor y piezas complementarias
Amortiguador
Caballete principal y lateral
Cojinete del cabezal de dirección
Horquillas
Piezas de revestimiento
Rotulación
Sillines
Sistema de combustible
Tornillos y piezas pequeñas
Manillares y accesorios
Todo apagado Manillares y accesorios
Asas
Espejo
Freno y embrague
Instrumentos
Interruptores
Manillares y piezas de carenado
Palancas de cambio de gas
Tornillos y piezas pequeñas
Cables Bowden
Todo apagado Cables Bowden
Boquillas de sujeción y tornillos de ajuste
Cables del velocímetro
Elementos de control
Líneas de freno
Mandos tacométricos
Tirones de cable y series
Ruedas
Todo apagado Ruedas
Frenos
Llantas
Mangueras
Neumáticos
Ruedas
Válvulas y piezas pequeñas
Servicio
Todo apagado Servicio
Aceites
Correa trapezoidal
Establece
Filtros
Herramienta
Petróleo y química
Todo apagado Petróleo y química
Aceites
Adhesivos
Grasas y lubricantes
Lacas y colores
Material de explotación
Material para talleres
Productos de cuidado y limpieza
Sellador
Accesorios
Todo apagado Accesorios
Accesorios especiales
Aceleradores y limitadores de revoluciones
Carteras
Defensas
Equipamiento de taller
Maletas
Manuales y más
Mercancía
Parabrisas
Portaequipajes
Protección antirrobo
Soportes y accesorios para teléfonos móviles
Cascos y ropa
Todo apagado Cascos y ropa
Accesorios
Camisetas y camisas
Cascos
Chaquetas y pantalones
Gafas y viseras
Guantes
Vales
Consejo del día
%
BGM PRO
Herramienta de desmontaje eje rueda delantera -BGM PRO- Vespa 125 V1-V15, V30-33, VM1-2, VN1, VN2, VNA, VNB , 150 VL, VB, VBA, VBB, VLA1, VGL1, VGLA1, VGLB1, Super, GL, T4, Sprint, GT, GTR, Rally, TS, Motovespa (1959-1964) 125N, 125S, 150S
21,91 €*
24,90 €*
Vespa clásica
Motor
Todo apagado Motor
Caja de cambios
Carburador
Cigüeñal
Cilindro
Colector de admisión y diafragma
Conducir
Conjunto de revisiones
Embrague
Encendido
Escape
Filtro de aire
Inicio
Motor y carcasa
Motores
Refrigeración
Sellos
Tornillos y piezas pequeñas
Sistema eléctrico
Todo apagado Sistema eléctrico
Bujías de encendido
Cables
Encendido y alternador
Enchufe
Fuente de luz
Iluminación
Instrumentos
Interruptores
Motor de arranque
Pilas
Regulador, rectificador
Tornillos y piezas pequeñas
Chasis
Todo apagado Chasis
Amortiguador
Bancos
Caballete principal y lateral
Cojinete del cabezal de dirección
Horquillas
Piezas de revestimiento
Rotulación
Sistema de combustible
Tornillos y piezas pequeñas
Manillar
Todo apagado Manillar
Asas
Espejo
Freno y embrague
Instrumentos
Interruptores
Manillares y piezas de carenado
Palancas de cambio de gas
Tornillos y piezas pequeñas
Cables Bowden
Todo apagado Cables Bowden
Boquillas de sujeción y tornillos de ajuste
Cables del velocímetro
Elementos de control
Líneas de freno
Mandos tacométricos
Tirones de cable y series
Ruedas
Todo apagado Ruedas
Frenos
Llantas
Mangueras
Neumáticos
Ruedas
Válvulas y piezas pequeñas
Servicio
Todo apagado Servicio
Aceites
Establece
Filtros
Herramienta
Aceite y química
Todo apagado Aceite y química
Aceites
Adhesivos
Grasas y lubricantes
Lacas y colores
Material de explotación
Material para talleres
Productos de cuidado y limpieza
Sellador
Accesorios
Todo apagado Accesorios
Accesorios especiales
Barra de choque
Bolsas
Equipamiento para talleres
Literatura
Mercancía
Paravientos
Portaequipajes
Soportes y accesorios para teléfonos móviles
TopCase
Cascos y ropa
Todo apagado Cascos y ropa
Accesorios
Camisetas y camisas
Cascos
Chaquetas y pantalones
Gafas y viseras
Guantes
Consejo del día
Arriba
BGM PRO
Tapa de embrague completa -BGM Pro Superstrong CNC Vespa Largeframe (1962-2016)- Vespa PX, T5 125cc, Cosa, Rally, Sprint, VNB4T-VNB6T, VBB2T, VNC1T, VLA1T, VBC1T, VNL2T, VNL3T, plata
169,00 €*
Vespa Moderna
Motor
Todo apagado Motor
Caja de cambios
Carburador
Cigüeñal
Cilindro
Colector de admisión y diafragma
Conducir
Conjunto de revisiones
Embrague
Encendido
Escape
Filtros de aire
Inicio
Motor y carcasa
Motores
Refrigeración
Sellos
Sistema de inyección
Tornillos y piezas pequeñas
Sistema eléctrico
Todo apagado Sistema eléctrico
Bujías de encendido
Cables
Encendido y alternador
Enchufe
Fuente de luz
Iluminación
Instrumentos
Interruptores
Motor de arranque
Pilas
Regulador, rectificador
Tornillos y piezas pequeñas
Bastidor y piezas complementarias
Todo apagado Bastidor y piezas complementarias
Amortiguador
Bancos
Caballete principal y lateral
Cojinete del cabezal de dirección
Horquillas
Piezas de revestimiento
Rotulación
Sistema de combustible
Tornillos y piezas pequeñas
Manillares y accesorios
Todo apagado Manillares y accesorios
Asas
Espejo
Freno y embrague
Instrumentos
Interruptores
Manillares y piezas de carenado
Palancas de cambio de gas
Tornillos y piezas pequeñas
Cables Bowden
Todo apagado Cables Bowden
Boquillas de sujeción y tornillos de ajuste
Cables del velocímetro
Elementos de control
Líneas de freno
Mandos tacométricos
Tirones de cable y series
Ruedas
Todo apagado Ruedas
Frenos
Llantas
Mangueras
Neumáticos
Ruedas
Válvulas y piezas pequeñas
Servicio
Todo apagado Servicio
Aceites
Correa trapezoidal
Establece
Filtros
Herramienta
Más limpio
Petróleo y química
Todo apagado Petróleo y química
Aceites
Adhesivos
Grasas y lubricantes
Lacas y colores
Material de explotación
Material para talleres
Productos de cuidado y limpieza
Selladores
Accesorios
Todo apagado Accesorios
Accesorios especiales
Barra de choque
Bolsas
Equipamiento para talleres
Literatura
Mercancía
Paravientos
Portaequipajes
Protección antirrobo
Soportes y accesorios para teléfonos móviles
TopCase
Cascos y ropa
Todo apagado Cascos y ropa
Accesorios
Camisetas y camisas
Cascos
Chaquetas y pantalones
Gafas y viseras
Guantes
Consejo del día
Malossi
Variador -MALOSSI- Multivar 2000 - Vespa GTS HPE 310, Piaggio MP3 HPE 310, Royal Alloy GP 350, TG 350
135,00 €*
Ciclomotor Classic
Motor
Todo apagado Motor
Caja de cambios
Carburador
Cigüeñal
Cilindro
Colector de admisión y diafragma
Conducir
Conjunto de revisiones
Embrague
Encendido
Escape
Filtros de aire
Inicio
Motor y carcasa
Refrigeración
Sellos
Tornillos y piezas pequeñas
Sistema eléctrico
Todo apagado Sistema eléctrico
Bujías de encendido
Cables
Encendido y alternador
Enchufe
Fuente de luz
Iluminación
Instrumentos
Interruptores
Pilas
Regulador, rectificador
Tornillos y piezas pequeñas
Bastidor y piezas complementarias
Todo apagado Bastidor y piezas complementarias
Amortiguador
Bancos
Caballete principal y lateral
Cojinete del cabezal de dirección
Horquillas
Piezas de revestimiento
Rotulación
Sistema de combustible
Tornillos y piezas pequeñas
Manillares y accesorios
Todo apagado Manillares y accesorios
Asas
Espejo
Freno y embrague
Instrumentos
Interruptores
Manillares y piezas de carenado
Palancas de cambio de gas
Tornillos y piezas pequeñas
Cables Bowden
Todo apagado Cables Bowden
Boquillas de sujeción y tornillos de ajuste
Cables del velocímetro
Elementos de control
Mandos tacométricos
Tirones de cable y series
Ruedas
Todo apagado Ruedas
Frenos
Llantas
Mangueras
Neumáticos
Ruedas
Válvulas y piezas pequeñas
Servicio
Todo apagado Servicio
Aceites
Filtros
Herramienta
Petróleo y química
Todo apagado Petróleo y química
Aceites
Adhesivos
Grasas y lubricantes
Lacas y colores
Material de explotación
Material para talleres
Productos de cuidado y limpieza
Sellador
Accesorios
Todo apagado Accesorios
Accesorios especiales
Bolsas
Equipamiento para talleres
Literatura
Mercancía
Portaequipajes
Protección antirrobo
Cascos y ropa
Todo apagado Cascos y ropa
Accesorios
Camisetas y camisas
Cascos
Guantes
Consejo del día
MC Proparts
Juego de casquillos -MC Casquillos de horquilla- Brazos oscilantes de horquilla Ciao, para revisión y estabilización de la rueda delantera
17,90 €*
Lambretta
Motor
Todo apagado Motor
Caja de cambios
Carburador
Cigüeñal
Cilindro
Colector de admisión y diafragma
Conducir
Conjuntos de revisión
Embrague
Encendido
Escape
Filtro de aire
Kickstarter
Motor y carcasa
Refrigeración
Sellos
Tornillos y piezas pequeñas
Sistema eléctrico
Todo apagado Sistema eléctrico
Bujías de encendido
Encendido y alternador
Enchufe
Fuente de luz
Iluminación
Instrumentos
Interruptores
Mazos de cables
Pilas
Regulador y rectificador
Tornillos y piezas pequeñas
Bastidor y piezas complementarias
Todo apagado Bastidor y piezas complementarias
Amortiguador
Bancos
Caballete principal
Cojinete del cabezal de dirección
Horquillas
Piezas de revestimiento
Rotulación
Sistema de combustible
Tornillos y piezas pequeñas
Manillares y accesorios
Todo apagado Manillares y accesorios
Espejo
Freno y embrague
Instrumentos
Interruptores
Manillares y piezas de carenado
Palancas de cambio de gas
Puños
Tornillos y piezas pequeñas
Cables Bowden
Todo apagado Cables Bowden
Cables del velocímetro
Elementos de control
Líneas de freno
Mandos tacométricos
Tetones y tornillos de ajuste
Tirones de cable y series
Ruedas
Todo apagado Ruedas
Frenos
Llantas
Mangueras
Neumáticos
Ruedas
Válvulas y piezas pequeñas
Servicio
Todo apagado Servicio
Aceites
Establece
Herramienta
Más limpio
Petróleo y química
Todo apagado Petróleo y química
Aceites
Adhesivos
Grasas y lubricantes
Lacas y colores
Material de explotación
Material para talleres
Productos de cuidado y limpieza
Sellador
Accesorios
Todo apagado Accesorios
Accesorios especiales
Barra de choque
Bolsas
Equipamiento para talleres
Literatura
Mercancía
Paravientos
Portaequipajes
Protección antirrobo
Soportes y accesorios para teléfonos móviles
Cascos y ropa
Todo apagado Cascos y ropa
Accesorios
Camisetas y camisas
Cascos
Chaquetas y pantalones
Guantes
Consejo del día
BGM PRO
Compresor de muelle de horquilla -BGM PRO Made in Germany- Lambretta LI, LIS, SX, TV, DL, GP
59,00 €*
Scooter 50-850cc
Motor
Todo apagado Motor
Arranque
Carburadores
Carcasas de motor
Cigüeñal
Cilindros
Colector de admisión y válvula de láminas
Conjunto de revisiones
Embrague
Encendido
Engranajes
Escape
Filtros de aire
Juntas
Motores
Refrigeración
Sistema de inyección
Tornillos y piezas pequeñas
Transmisión
Sistema eléctrico
Todo apagado Sistema eléctrico
arranque
Baterías
Bombillas
Bujías
Cables
Encendido y alternador
enchufes y clavijas
iluminación
Instrumentos de visualización
Interruptores
Regulador, rectificador
Tornillos y piezas pequeñas
Bastidor y piezas complementarias
Todo apagado Bastidor y piezas complementarias
Amortiguador
Bancos
Caballete principal y lateral
Cojinete del cabezal de dirección
Horquillas
Piezas chasis
Rotulación
Sistema de combustible
Tornillos y piezas pequeñas
Manillares y accesorios
Todo apagado Manillares y accesorios
Asas
Espejo
Freno y embrague
Instrumentos
Interruptores
Manillares y piezas de carenado
Palancas de cambio de gas
Tornillos y piezas pequeñas
Cables Bowden
Todo apagado Cables Bowden
Boquillas de sujeción y tornillos de ajuste
Cables del velocímetro
Elementos de control
Líneas de freno
Mandos tacométricos
Tirones de cable y series
Ruedas
Todo apagado Ruedas
Frenos
Llantas
Mangueras
Neumáticos
Ruedas
Válvulas y piezas pequeñas
Servicio
Todo apagado Servicio
Aceites
Correas de transmisión
Establece
Filtros
Herramienta
Limpiador
Petróleo y química
Todo apagado Petróleo y química
Aceites
Adhesivos
Grasas y lubricantes
Lacas y colores
Líquidos de servicio
Material para talleres
Productos de cuidado y limpieza
Sellador
Accesorios
Todo apagado Accesorios
Accesorios especiales
Aceleradores y limitadores de revoluciones
Bolsas
Defensas
Equipamiento para talleres
Literatura
Mercancía
Paravientos
Portaequipajes
Protección antirrobo
Soportes y accesorios para teléfonos móviles
TopCase
Cascos y ropa
Todo apagado Cascos y ropa
Accesorios
Camisetas y camisas
Cascos
Chaquetas y pantalones
Gafas y viseras
Guantes
Consejo del día
%
Polini
Bloque de diafragma -POLINI Original- Minarelli 50-100 ccm (horizontal), Suzuki/Aprilia 50 ccm, CPI, Keeway, Sachs
14,03 €*
18,90 €*
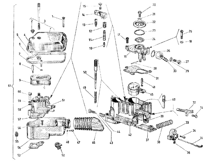
Vespa 125/150/180/200 Rally/Sprint 57-
Vespa 150 Super (A, VBC)
Vergaser
Motor
Sistema eléctrico
Chasis
Manillar
Cables Bowden
Ruedas
Servicio
Aceite y química
Accesorios
Cascos y ropa
Vespa 150 Super (VBC1T)
Despiece
Accesorios
Amortiguador trasero
Cable de freno delantero - cable de gas - cable de embrague
Cable de freno trasero - cable de cambio - cable cuentakilómetro
Carburador
Carcasa de motor - cilindro
Chasis
Cigüeñal - embrague
Encendido
Engranaje - rueda trasera
Faro - piloto trasero
Guías suelo - escape
Horquilla - rueda delantera
Manillar
Mazo de cables
Piñón elástico - pedal arranque
Ruedas
Selector cambio
Sillín - depósito de combustible
Suspensión delantera
Carburador
Vespa 150 Super (VBC1T)
Nombre del componente
Filtro de gasolina
(1)
Estrangulador
(1)
Boquilla de estrangulación
(1)
Junta
(2)
Junta del carburador
(3)
Chiclé
(4)
Tornillo de ajuste
(3)
Muelle
(2)
Arandela elástica
(3)
Pieza de goma
(6)
Filtro de aire
(1)
Tuerca
(2)
Tornillo
(10)
Flotador
(1)
Cámara del flotador
(1)
Aguja flotador
(1)
Pasador de flotador
(1)
Componente del carburador
(4)
Tapa caja carburador
(1)
Tirante
(1)
Fabricante
Dellorto
(19)
Import
(1)
MRP
(1)
Normfest
(6)
OEM-Qualität
(5)
Piaggio
(12)
Ricambio Rapido
(1)
RMS
(1)
Ordenar
Relevancia
Precios ascendentes
Precios en descenso
Marca A-Z
Marca Z-A
Novedades
MRP
MRP562
Adaptador de manguera de admisión -MRP Dumbo Ø60mm (Keihin PWK 33-38mm, Mikuni TMX 35, Polini 32/34, Dellorto PHBH 28/30, VHSH 30)- Vespa PX, T5, Sprint, Rally, GT, GTR, GL150, Super, VNA, VNB, VBA, VBB
Dellorto
3330492
Tapa de la cámara del flotador Vespa PX -DELLORTO- Dellorto SI20/20 , SI24/24 - Ø 4,5mm Aguja del flotador -
Ricambio Rapido
3331858
Tapa del cárter del carburador -RICAMBIO RAPIDO- Vespa PX80-125-150-200 Lusso (1984-) - Transparente
Fecha de entrega
Dellorto
2410890
Estrangulador -DELLORTO SI- Tirar del mando del carburador
Import
9021005
Filtro de aire -IMPORT- Vespa Dellorto SI20/20D, SI24/24E, SI24/24H filtro fino (versión larga, sin orificio por encima del surtidor de aire principal)
%
Piaggio
3330434
Tornillo de ajuste -PIAGGIO- M6 x 17mm (Øinner=6,9mm, paso de rosca 0,75, utilizado para el cárter del carburador / cable del acelerador Vespa VNA, VNB, VBB, Sprint150, Rally180, Rally200, PX80, PX125, PX150, PX200, Cosa)
Dellorto
5350007
Juego de juntas carburador -DELLORTO- SI 18-20-24 Vespa PX80, PX125, PX150, PX200, Sprint, Rally
Dellorto
5350008
Flotador -DELLORTO- SI
Dellorto
5350011
Tornillo de ajuste de la velocidad de ralentí -DELLORTO- SI (tipo Vespa PX)
Dellorto
5450020
Juego de juntas carburador -DELLORTO- SHB 19 Vespa PV125, ET3
Fecha de entrega
Dellorto
2555090
Boquilla -DELLORTO (Tipo: 4576) SI- ( 90)
%
Dellorto
3332712
Tornillo de ajuste de la mezcla -DELLORTO- SI20-24mm - rosca M5 x 0,75mm - punta fina (Ø=0,65mm) - tipo Vespa PX con tornillo ranurado
Dellorto
5350009
Aguja de flotador -DELLORTO, cuadrada, 4,5mm- SI (Vespa PX), SH (Lambretta LI Series3, LIS, SX, TV, DL, GP), PHBH, PHBL - sin muelles
Dellorto
5350013
Banjo de gasolina -DELLORTO- SI
Dellorto
2410894
Tapa de la cámara del filtro de gasolina -DELLORTO- SI
Dellorto
5350064
Varilla de tracción de la corredera del acelerador -DELLORTO- SI (tipo Vespa PX -1984)
Fecha de entrega
Dellorto
7673358
Tobera de estrangulación -DELLORTO (tipo: 5582) SI- (60)
Piaggio
7676497
Tubo de goma para carburador/gasolina -PIAGGIO- Vespa Largeframe (a partir de 1958)
Piaggio
7676393
Tornillo de goma de ajuste del ralentí -PIAGGIO- Vespa Largeframe (a partir de 1958)
Piaggio
3332776
Tornillo para tapa deslizante -PIAGGIO- Carburador SI DellOrto - SI20/15, SI20/17, SI20/20, SI24/24, SI26/27
1
2
3
×
×