very good
4.7 / 5
Shipping today with order in 8 h 45 min
Postage free from 99€ (DE)
High customer satisfaction
Contact
|
Privacy
|
AGB & Customer Info
|
Imprint
Shipping today with order in 8 h 45 min
Blog
DE | €
My vehicle
password forgotten?
login
Create new customer account
0
all
Motor
All off Motor
Air filter
Carburetor
Clutch
Cooling
Crankshaft
Cylinder
Drive
Exhaust
Gearbox
Ignition
Injection system
Intake manifold & diaphragm
Motor & housing
Motors
Overhaul set
Screws & small parts
Seals
Starter
Electrical system
All off Electrical system
Batteries
Cables
Ignition & alternator
Instruments
Light source
Lighting
Regulator, rectifier
Screws & small parts
sockets & plugs
Spark plugs
Starter motor
Switches
Frame & add-on parts
All off Frame & add-on parts
Cladding parts
Forks
Fuel system
Lettering
Main & side stand
Screws & small parts
Seats
Shock absorber
Steering head bearing
Handlebars & fittings
All off Handlebars & fittings
Brake & clutch
Gas shift handles
Handlebars & fairing parts
Handles
Instruments
Mirror
Screws & small parts
Switches
Bowden cables
All off Bowden cables
Brake lines
Cable pulls & sets
Clamping nipples & adjusting screws
Control elements
Speedometer cables
Tacho drives
Wheels
All off Wheels
Brakes
Hoses
Rims
Tires
Valves & small parts
Wheels
Service
All off Service
Filter
Oils
Sets
Tool
V-belt
Oil & Chemistry
All off Oil & Chemistry
Adhesives
Care products & cleaners
Greases & Lubricants
Lacquers & paints
Oils
Operating materials
Sealant
Workshop supplies
Accessories
All off Accessories
Bags
Crash bars
Literature
Luggage racks
Merchandise
Mobile phone mounts & accessories
Rev limiters
Special accessories
Theft protection
Topcase
Windshields
Workshop Equipment
Helmets & Clothing
All off Helmets & Clothing
Accessories
Gloves
Goggles & Visors
Helmets
Jackets & Trousers
T-Shirt & Hemden
Vouchers
Tip of the day
H-Tronic
Battery charger -H-TRONIC AL 300Pro- 2V, 6V, 12V
16,90 €*
Vespa Classic
Engines
All off Engines
Air filter
Carburetor
Clutch
Cooling
Crankshaft
Cylinder
Drive
Exhaust
Gearbox
Ignition
Intake manifold & diaphragm
Motor & housing
Motors
Revision set
Screws & small parts
Seals
Starter
Electrical system
All off Electrical system
Batteries
Cables
Ignition & alternator
Instruments
Light source
Lighting
Plug
Regulator, rectifier
Screws & small parts
Spark plugs
Starter motor
Switches
Chassis
All off Chassis
Benches
Cladding parts
Forks
Fuel system
Lettering
Main & side stand
Screws & small parts
Shock absorber
Steering head bearing
Handlebar
All off Handlebar
Brake & clutch
Gas shift handles
Handlebars & fairing parts
Handles
Instruments
Mirror
Screws & small parts
Switches
Bowden cables
All off Bowden cables
Brake lines
Cable pulls & sets
Clamping nipples & adjusting screws
Control elements
Speedometer cables
Tacho drives
Wheels
All off Wheels
Brakes
Hoses
Rims
Tires
Valves & small parts
Wheels
Service
All off Service
Filter
Oils
Sets
Tool
Oil & Chemistry
All off Oil & Chemistry
Adhesives
Care products & cleaners
Greases & Lubricants
Lacquers & paints
Oils
Operating materials
Sealant
Workshop supplies
Accessories
All off Accessories
Bags
Crash bar
Literature
Luggage carrier
Merchandise
Smartphone holders & accessories
Special accessories
TopCase
Wind shields
Workshop equipment
Helmets & Clothing
All off Helmets & Clothing
Accessories
Glasses & visors
Gloves
Helmets
Jackets & pants
T-shirt & shirts
Tip of the day
New
Top
BGM PRO
Tires -BGM Sport (Made in Germany by Heidenau)- 3.50 - 10 inch TL 59S 180 km/h (reinforced) - only for tubeless rims
59,00 €*
Vespa Modern
Motor
All off Motor
Air filter
Carburetor
Clutch
Cooling
Crankshaft
Cylinder
Drive
Exhaust
Gearbox
Ignition
Injection system
Intake manifold & diaphragm
Motor & housing
Motors
Revision set
Screws & small parts
Seals
Starter
Electrical system
All off Electrical system
Batteries
Cables
Ignition & alternator
Instruments
Light source
Lighting
Plug
Regulator, rectifier
Screws & small parts
Spark plugs
Starter motor
Switches
Frame & add-on parts
All off Frame & add-on parts
Benches
Cladding parts
Forks
Fuel system
Lettering
Main & side stand
Screws & small parts
Shock absorber
Steering head bearing
Handlebars & fittings
All off Handlebars & fittings
Brake & clutch
Gas shift handles
Handlebars & fairing parts
Handles
Instruments
Mirror
Screws & small parts
Switches
Bowden cables
All off Bowden cables
Brake lines
Cable pulls & sets
Clamping nipples & adjusting screws
Control elements
Speedometer cables
Tacho drives
Wheels
All off Wheels
Brakes
Hoses
Rims
Tires
Valves & small parts
Wheels
Service
All off Service
Cleaner
Filter
Oils
Sets
Tool
V-belt
Oil & Chemistry
All off Oil & Chemistry
Adhesives
Care products & cleaners
Greases & Lubricants
Lacquers & paints
Oils
Operating materials
Sealant
Workshop supplies
Accessories
All off Accessories
Bags
Crash bar
Literature
Luggage carrier
Merchandise
Smartphone holders & accessories
Special accessories
Theft protection
TopCase
Wind shields
Workshop equipment
Helmets & Clothing
All off Helmets & Clothing
Accessories
Glasses & visors
Gloves
Helmets
Jackets & pants
T-shirt & shirts
Tip of the day
Polini
Intake manifold -POLINI- Piaggio 125-150 4T 2V AC- (1st generation / pre Leader) - Piaggio Sfera, Liberty, Aprilia Habana, Mojito, Vespa ET4, Italjet Torpedo, Benelli Adiva - 1 vacuum connection
17,19 €*
Moped classic
Motor
All off Motor
Air filter
Carburetor
Clutch
Cooling
Crankshaft
Cylinder
Drive
Exhaust
Gearbox
Ignition
Intake manifold & diaphragm
Motor & housing
Revision set
Screws & small parts
Seals
Starter
Electrical system
All off Electrical system
Batteries
Cables
Ignition & alternator
Instruments
Light source
Lighting
Plug
Regulator, rectifier
Screws & small parts
Spark plugs
Switches
Frame & add-on parts
All off Frame & add-on parts
Benches
Cladding parts
Forks
Fuel system
Lettering
Main & side stand
Screws & small parts
Shock absorber
Steering head bearing
Handlebars & fittings
All off Handlebars & fittings
Brake & clutch
Gas shift handles
Handlebars & fairing parts
Handles
Instruments
Mirror
Screws & small parts
Switches
Bowden cables
All off Bowden cables
Cable pulls & sets
Clamping nipples & adjusting screws
Control elements
Speedometer cables
Tacho drives
Wheels
All off Wheels
Brakes
Hoses
Rims
Tires
Valves & small parts
Wheels
Service
All off Service
Filter
Oils
Tool
Oil & Chemistry
All off Oil & Chemistry
Adhesives
Care products & cleaners
Greases & Lubricants
Lacquers & paints
Oils
Operating materials
Sealant
Workshop supplies
Accessories
All off Accessories
Bags
Literature
Luggage carrier
Merchandise
Special accessories
Theft protection
Workshop equipment
Helmets & Clothing
All off Helmets & Clothing
Accessories
Gloves
Helmets
T-shirt & shirts
Tip of the day
Schmitt
Cylinder kit Schmitt Sportfreund Vertex Edition 50cc for Simson S51 KR512 SR50
265,00 €*
Lambretta
Motor
All off Motor
Air filter
Carburetor
Clutch
Cooling
Crankshaft
Cylinder
Drive
Exhaust
Gasket
Gearbox
Ignition
Intake manifold & diaphragm
Kickstarter
Motor & housing
Revision sets
Screws & small parts
Electrical system
All off Electrical system
Batteries
Cable harnesses
Ignition & alternator
Instruments
Light source
Lighting
Plug
Regulator & rectifier
Screws & small parts
Spark plugs
Switches
Frame & add-on parts
All off Frame & add-on parts
Benches
Cladding parts
Forks
Fuel system
Lettering
Main stand
Screws & small parts
Shock absorber
Steering head bearing
Handlebars & fittings
All off Handlebars & fittings
Brake & clutch
Gas shift handles
Handlebars & fairing parts
Handles
Instruments
Mirror
Screws & small parts
Switches
Bowden cables
All off Bowden cables
Brake hoses
Cable pulls & sets
Clamping nipples & adjusting screws
Control elements
Speedometer cables
Tacho drives
Wheels
All off Wheels
Brakes
Hoses
Rims
Tires
Valves & small parts
Wheels
Service
All off Service
Cleaner
Oils
Sets
Tool
Oil & Chemistry
All off Oil & Chemistry
Adhesives
Care products & cleaners
Greases & Lubricants
Lacquers & paints
Oils
Operating materials
Sealant
Workshop supplies
Accessories
All off Accessories
Bags
Crash bar
Literature
Luggage carrier
Merchandise
Smartphone holders & accessories
Special accessories
Theft protection
Wind shields
Workshop equipment
Helmets & Clothing
All off Helmets & Clothing
Accessories
Gloves
Helmets
Jackets & pants
T-shirt & shirts
Tip of the day
BGM PRO
Clutch compressor tool -BGM PRO- Lambretta LI, LIS, SX, TV (series 2-3), DL, GP, J, Lui
46,90 €*
Scooter 50-850cc
Motor
All off Motor
Air intake filters
Carburettors
Clutch
Cooling
Crankshaft
Cylinders
Drive
Engine casing
Engines
Exhaust
Gaskets
Gear boxes
Ignition
Injection system
Intake manifold & reed valve
Overhaul set
Screws & small parts
Starter
Electrical system
All off Electrical system
Batteries
Display instruments
Electric wires
Ignition & Alternator
Lamps
lighting
Regulator, rectifier
Screws & small parts
sockets & plugs
Spark plugs
starter
Switches
Frame & add-on parts
All off Frame & add-on parts
Benches
Cladding parts
Forks
Fuel system
Lettering
Main & side stand
Screws & small parts
Shock absorber
Steering head bearing
Handlebars & fittings
All off Handlebars & fittings
Brake & clutch
Gas shift handles
Handlebars & fairing parts
Handles
Instruments
Mirror
Screws & small parts
Switches
Bowden cables
All off Bowden cables
Brake lines
Cable pulls & sets
Control elements
Speedometer cables
Tacho drives
Trunions & adjusting screws
Wheels
All off Wheels
Brakes
Hoses
Rims
Tires
Valves & small parts
Wheels
Service
All off Service
Cleaner
Filter
Oils
Sets
Tool
V-belts
Oil & Chemistry
All off Oil & Chemistry
Adhesives
Care products & cleaners
Greases & Lubricants
Lacquers & paints
Oils
Operating fluids
Sealant
Workshop supplies
Accessories
All off Accessories
Bags
Crash bars
Literature
Luggage racks
Merchandise
Mobile phone mounts & accessories
Rev limiters
Special accessories
Theft protection
Topcase
Wind shields
Workshop equipment
Helmets & Clothing
All off Helmets & Clothing
Accessories
Gloves
Goggles & Visors
Helmets
Jackets & Trousers
T-shirt & shirts
Tip of the day
Polini
Reed valve -POLINI Original- Minarelli 50-100 ccm (horizontal), Suzuki/Aprilia 50 ccm, CPI, Keeway, Sachs
18,90 €*
Exploded views
Vespa 80/125/150/200 PX/T5/Cosa/LML
PX 125 E Lusso (ZAPM09302, 2001-)
Explosionszeichnungen
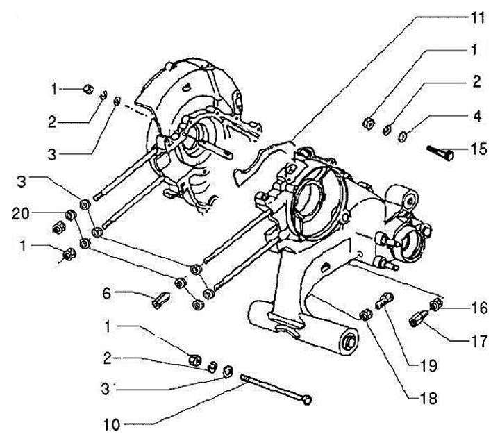
Kurbelgehäusebefestigung
Engines
Electrical system
Chassis
Handlebar
Bowden cables
Wheels
Service
Oil & Chemistry
Accessories
Helmets & Clothing
Vespa PX 125 E Lusso (ZAPM09302, 2001-)
Exploded views
Air intake filter
Air intake filter
Battery - regulator
Bolts engine casing
Brake master cylinder right
Brake pedal
Carburettor
Carburettor parts
Carburettor parts
Carburettor top cap
Centre stand
Chassis
Clutch
Clutch cover
Countershaft
Crankshaft
Cylinder - piston - cylinder head
Cylinder cowling
Decor
Electrical equipment
Engine - gasket set engine
Engine casing
Exhaust
Footboard
Fork
Front brake caliper - brake hose
Front cover
Front shock absorber
Front/rear wheel
Fuel gauge
Fuel tank
Gear change cable
Gear change grip
Gear selector
Gear selector
Gears
Handlebar top
Headlight
High tension coil
Indicator switch - ignition switch
Indicators - indicator relay
Kickstart lever
Mirror
Mudguard
Oil pump
Oil tank
Rear brake hub
Rear brake shoes
Rear shock absorber
Rotor cover
Seat
Secondary air housing
Side cover
Side panel locking device
Speedo
Speedo cable - rear brake cable
Starter motor
Starter relay
Stator
Steering set - lock set
Tail light
Throttle cable - clutch cable
Toolbox
Wheel hub - brake disc
Wiring harness
Bolts engine casing
Vespa PX 125 E Lusso (ZAPM09302, 2001-)
Component name
Gasket
(1)
Adjusting screw
(2)
Spring washer
(1)
Nut
(3)
Screw
(2)
Washer
(1)
Manufacturer
BGM ORIGINAL
(2)
Normfest
(4)
Piaggio
(4)
Sort
Relevance
Prices ascending
Prices descending
Brand A-Z
Brand Z-A
Novelties
BGM ORIGINAL
BGM6495S30X
Adjuster screw set M5 x 30mm (Øinner=6.9mm) -BGM ORIGINAL- (used for clutch Vespa) - 10 pcs
BGM ORIGINAL
BGM6497S25X
Adjuster screw set M7 x 25mm -BGM ORIGINAL- 10 pcs
Piaggio
3330460
Crankcase gasket -PIAGGIO- Vespa PX80, PX125, PX150, PX80, PX125, PX150 EFL, Sprint Veloce, Cosa 125
Piaggio
9020032
Engine casing bolt M7 x 94mm -VESPA- 80-14mm
Piaggio
9020031
Engine casing bolt M7 x 55mm -VESPA-
Piaggio
7675755
Nut M7 flat type for clamp screw front brake cable -PIAGGIO- Vespa V50, V90, PV125, ET3, VNA, VNB, VBA, VBB, Super, GL150 (VLA1T), GT/GTR125 (VNL2T), TS125 (VNL3T), Sprint150 (VLB1T), Rally180/200 (VSD1T/VSE1T), PX (-1983)
Normfest
9901050
Nut -DIN 934- M5
Normfest
9901072
Washer -DIN 125- M7
Normfest
9901073
Spring washer -DIN 127- M7
Normfest
9901070H
Nut high type -similar to DIN 934- M7
×