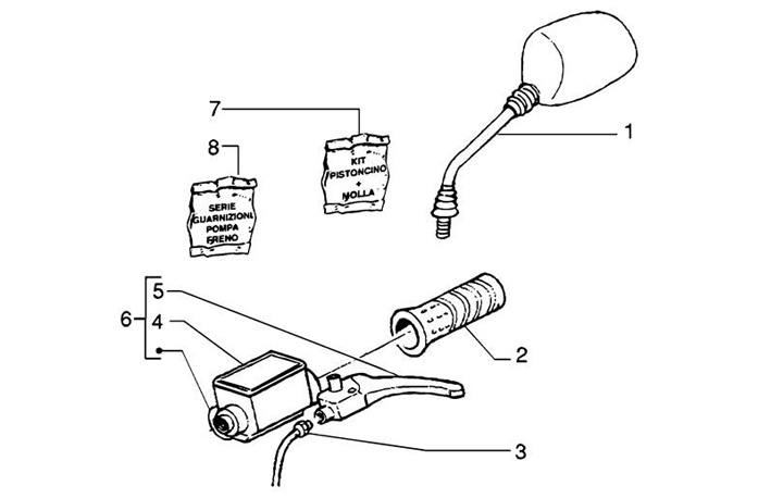
Brake master cylinder left - mirror
Piaggio NRG 50 DD (2001-2002, ZAPC3200000)
Sort