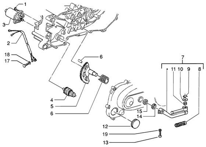
Starter motor - kickstarter
Piaggio NRG 50 DD (2001-2002, ZAPC3200000)
Sort