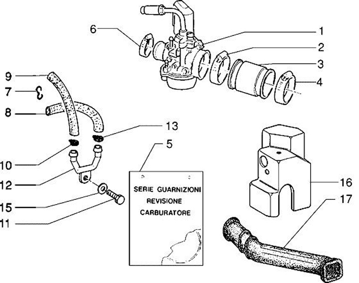
Carburettor
Piaggio NRG 50 MC3 DD (2002, ZAPC3200002)
Sort