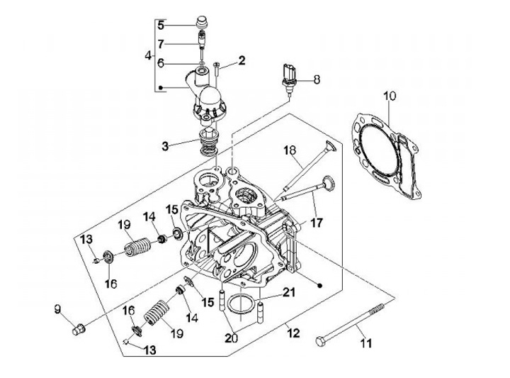
Cylinder head
Vespa GTS 250 ABS (2009, ZAPM45101)
Sort