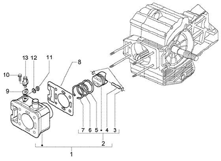
Cylinder - piston
Gilera Nexus 500 (2004, ZAPM35100)
Sort