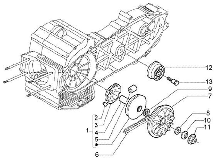
Variator - CVT
Gilera Nexus 500 (2004, ZAPM35100)
Sort