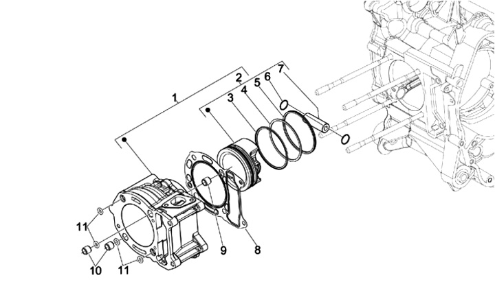
Cylinder
Vespa GTS 300ie Super Touring (2012, ZAPM45200)
Sort