very good
4.7 / 5
Shipping today with order in 27 min
Postage free from 99€ (DE)
High customer satisfaction
Contact
|
Privacy
|
AGB & Customer Info
|
Imprint
Shipping today with order in 27 min
Blog
DE | €
My garage
password forgotten?
login
Create new customer account
0
all
Motor
All off Motor
Air filter
Carburetor
Clutch
Cooling
Crankshaft
Cylinder
Drive
Exhaust
Gearbox
Ignition
Injection system
Intake manifold & diaphragm
Motor & housing
Motors
Overhaul set
Screws & small parts
Seals
Starter
Electrical system
All off Electrical system
Batteries
Cables
Ignition & alternator
Instruments
Light source
Lighting
Regulator, rectifier
Screws & small parts
sockets & plugs
Spark plugs
Starter motor
Switches
Frame & add-on parts
All off Frame & add-on parts
Cladding parts
Forks
Fuel system
Lettering
Main & side stand
Screws & small parts
Seats
Shock absorber
Steering head bearing
Handlebars & fittings
All off Handlebars & fittings
Brake & clutch
Gas shift handles
Handlebars & fairing parts
Handles
Instruments
Mirror
Screws & small parts
Switches
Bowden cables
All off Bowden cables
Brake lines
Cable pulls & sets
Clamping nipples & adjusting screws
Control elements
Speedometer cables
Tacho drives
Wheels
All off Wheels
Brakes
Hoses
Rims
Tires
Valves & small parts
Wheels
Service
All off Service
Filter
Oils
Sets
Tool
V-belt
Oil & Chemistry
All off Oil & Chemistry
Adhesives
Care products & cleaners
Greases & Lubricants
Lacquers & paints
Oils
Operating materials
Sealant
Workshop supplies
Accessories
All off Accessories
Bags
Crash bars
Literature
Luggage racks
Merchandise
Mobile phone mounts & accessories
Rev limiters
Special accessories
Theft protection
Topcase
Windshields
Workshop Equipment
Helmets & Clothing
All off Helmets & Clothing
Accessories
Gloves
Goggles & Visors
Helmets
Jackets & Trousers
T-Shirt & Hemden
Vouchers
Tip of the day
BGM PRO
Interchangeable ratchet crimping pliers tool kit -BGM PRO- for end cap for outer cable Ø=4mm, Ø=5mm, Ø=6mm
54,00 €*
Vespa Classic
Engines
All off Engines
Air filter
Carburetor
Clutch
Cooling
Crankshaft
Cylinder
Drive
Exhaust
Gearbox
Ignition
Intake manifold & diaphragm
Motor & housing
Motors
Revision set
Screws & small parts
Seals
Starter
Electrical system
All off Electrical system
Batteries
Cables
Ignition & alternator
Instruments
Light source
Lighting
Plug
Regulator, rectifier
Screws & small parts
Spark plugs
Starter motor
Switches
Chassis
All off Chassis
Benches
Cladding parts
Forks
Fuel system
Lettering
Main & side stand
Screws & small parts
Shock absorber
Steering head bearing
Handlebar
All off Handlebar
Brake & clutch
Gas shift handles
Handlebars & fairing parts
Handles
Instruments
Mirror
Screws & small parts
Switches
Bowden cables
All off Bowden cables
Brake lines
Cable pulls & sets
Clamping nipples & adjusting screws
Control elements
Speedometer cables
Tacho drives
Wheels
All off Wheels
Brakes
Hoses
Rims
Tires
Valves & small parts
Wheels
Service
All off Service
Filter
Oils
Sets
Tool
Oil & Chemistry
All off Oil & Chemistry
Adhesives
Care products & cleaners
Greases & Lubricants
Lacquers & paints
Oils
Operating materials
Sealant
Workshop supplies
Accessories
All off Accessories
Bags
Crash bar
Literature
Luggage carrier
Merchandise
Smartphone holders & accessories
Special accessories
TopCase
Wind shields
Workshop equipment
Helmets & Clothing
All off Helmets & Clothing
Accessories
Glasses & visors
Gloves
Helmets
Jackets & pants
T-shirt & shirts
Tip of the day
Top
BGM PRO
Tires -BGM Sport (Made in Germany by Heidenau)- 3.50 - 10 inch TL 59S 180 km/h (reinforced) - only for tubeless rims
59,00 €*
Vespa Modern
Motor
All off Motor
Air filter
Carburetor
Clutch
Cooling
Crankshaft
Cylinder
Drive
Exhaust
Gearbox
Ignition
Injection system
Intake manifold & diaphragm
Motor & housing
Motors
Revision set
Screws & small parts
Seals
Starter
Electrical system
All off Electrical system
Batteries
Cables
Ignition & alternator
Instruments
Light source
Lighting
Plug
Regulator, rectifier
Screws & small parts
Spark plugs
Starter motor
Switches
Frame & add-on parts
All off Frame & add-on parts
Benches
Cladding parts
Forks
Fuel system
Lettering
Main & side stand
Screws & small parts
Shock absorber
Steering head bearing
Handlebars & fittings
All off Handlebars & fittings
Brake & clutch
Gas shift handles
Handlebars & fairing parts
Handles
Instruments
Mirror
Screws & small parts
Switches
Bowden cables
All off Bowden cables
Brake lines
Cable pulls & sets
Clamping nipples & adjusting screws
Control elements
Speedometer cables
Tacho drives
Wheels
All off Wheels
Brakes
Hoses
Rims
Tires
Valves & small parts
Wheels
Service
All off Service
Cleaner
Filter
Oils
Sets
Tool
V-belt
Oil & Chemistry
All off Oil & Chemistry
Adhesives
Care products & cleaners
Greases & Lubricants
Lacquers & paints
Oils
Operating materials
Sealant
Workshop supplies
Accessories
All off Accessories
Bags
Crash bar
Literature
Luggage carrier
Merchandise
Smartphone holders & accessories
Special accessories
Theft protection
TopCase
Wind shields
Workshop equipment
Helmets & Clothing
All off Helmets & Clothing
Accessories
Glasses & visors
Gloves
Helmets
Jackets & pants
T-shirt & shirts
Tip of the day
BIG BOX
-BIGBOX- Helmet compartment with larger capacity for Vespa GTS / GTV 125-310 from 2019
319,00 €*
Moped classic
Motor
All off Motor
Air filter
Carburetor
Clutch
Cooling
Crankshaft
Cylinder
Drive
Exhaust
Gearbox
Ignition
Intake manifold & diaphragm
Motor & housing
Revision set
Screws & small parts
Seals
Starter
Electrical system
All off Electrical system
Batteries
Cables
Ignition & alternator
Instruments
Light source
Lighting
Plug
Regulator, rectifier
Screws & small parts
Spark plugs
Switches
Frame & add-on parts
All off Frame & add-on parts
Benches
Cladding parts
Forks
Fuel system
Lettering
Main & side stand
Screws & small parts
Shock absorber
Steering head bearing
Handlebars & fittings
All off Handlebars & fittings
Brake & clutch
Gas shift handles
Handlebars & fairing parts
Handles
Instruments
Mirror
Screws & small parts
Switches
Bowden cables
All off Bowden cables
Cable pulls & sets
Clamping nipples & adjusting screws
Control elements
Speedometer cables
Tacho drives
Wheels
All off Wheels
Brakes
Hoses
Rims
Tires
Valves & small parts
Wheels
Service
All off Service
Filter
Oils
Tool
Oil & Chemistry
All off Oil & Chemistry
Adhesives
Care products & cleaners
Greases & Lubricants
Lacquers & paints
Oils
Operating materials
Sealant
Workshop supplies
Accessories
All off Accessories
Bags
Literature
Luggage carrier
Merchandise
Special accessories
Theft protection
Workshop equipment
Helmets & Clothing
All off Helmets & Clothing
Accessories
Gloves
Helmets
T-shirt & shirts
Tip of the day
Moto Nostra
Rear footrests -MOTO NOSTRA- Piaggio Ciao -Chrome
79,00 €*
Lambretta
Motor
All off Motor
Air filter
Carburetor
Clutch
Cooling
Crankshaft
Cylinder
Drive
Exhaust
Gasket
Gearbox
Ignition
Intake manifold & diaphragm
Kickstarter
Motor & housing
Revision sets
Screws & small parts
Electrical system
All off Electrical system
Batteries
Cable harnesses
Ignition & alternator
Instruments
Light source
Lighting
Plug
Regulator & rectifier
Screws & small parts
Spark plugs
Switches
Frame & add-on parts
All off Frame & add-on parts
Benches
Cladding parts
Forks
Fuel system
Lettering
Main stand
Screws & small parts
Shock absorber
Steering head bearing
Handlebars & fittings
All off Handlebars & fittings
Brake & clutch
Gas shift handles
Handlebars & fairing parts
Handles
Instruments
Mirror
Screws & small parts
Switches
Bowden cables
All off Bowden cables
Brake hoses
Cable pulls & sets
Clamping nipples & adjusting screws
Control elements
Speedometer cables
Tacho drives
Wheels
All off Wheels
Brakes
Hoses
Rims
Tires
Valves & small parts
Wheels
Service
All off Service
Cleaner
Oils
Sets
Tool
Oil & Chemistry
All off Oil & Chemistry
Adhesives
Care products & cleaners
Greases & Lubricants
Lacquers & paints
Oils
Operating materials
Sealant
Workshop supplies
Accessories
All off Accessories
Bags
Crash bar
Literature
Luggage carrier
Merchandise
Smartphone holders & accessories
Special accessories
Theft protection
Wind shields
Workshop equipment
Helmets & Clothing
All off Helmets & Clothing
Accessories
Gloves
Helmets
Jackets & pants
T-shirt & shirts
Tip of the day
BGM PRO
Fork spring compressor -BGM PRO Made in Germany- Lambretta LI, LIS, SX, TV, DL, GP
59,00 €*
Scooter 50-850cc
Motor
All off Motor
Air intake filters
Carburettors
Clutch
Cooling
Crankshaft
Cylinders
Drive
Engine casing
Engines
Exhaust
Gaskets
Gear boxes
Ignition
Injection system
Intake manifold & reed valve
Overhaul set
Screws & small parts
Starter
Electrical system
All off Electrical system
Batteries
Display instruments
Electric wires
Ignition & Alternator
Lamps
lighting
Regulator, rectifier
Screws & small parts
sockets & plugs
Spark plugs
starter
Switches
Frame & add-on parts
All off Frame & add-on parts
Benches
Cladding parts
Forks
Fuel system
Lettering
Main & side stand
Screws & small parts
Shock absorber
Steering head bearing
Handlebars & fittings
All off Handlebars & fittings
Brake & clutch
Gas shift handles
Handlebars & fairing parts
Handles
Instruments
Mirror
Screws & small parts
Switches
Bowden cables
All off Bowden cables
Brake lines
Cable pulls & sets
Control elements
Speedometer cables
Tacho drives
Trunions & adjusting screws
Wheels
All off Wheels
Brakes
Hoses
Rims
Tires
Valves & small parts
Wheels
Service
All off Service
Cleaner
Filter
Oils
Sets
Tool
V-belts
Oil & Chemistry
All off Oil & Chemistry
Adhesives
Care products & cleaners
Greases & Lubricants
Lacquers & paints
Oils
Operating fluids
Sealant
Workshop supplies
Accessories
All off Accessories
Bags
Crash bars
Literature
Luggage racks
Merchandise
Mobile phone mounts & accessories
Rev limiters
Special accessories
Theft protection
Topcase
Wind shields
Workshop equipment
Helmets & Clothing
All off Helmets & Clothing
Accessories
Gloves
Goggles & Visors
Helmets
Jackets & Trousers
T-shirt & shirts
Tip of the day
Polini
Variator-Kit -POLINI Evolution High-Speed-Kit - 250-310 Quasar/HPE - GTS 250-310, GTV 300-310, Royal Alloy GP 300, TG 300, Italjet Dragster 300
275,00 €*
Piaggio 50 2T
TPH 80 (1994, TE81T)
Explosionszeichnungen
Gehäusedeckel
Motor
Electrical system
Frame & add-on parts
Handlebars & fittings
Bowden cables
Wheels
Service
Oil & Chemistry
Accessories
Helmets & Clothing
Piaggio TPH 80 (1994-1996, TE81T)
Exploded views
Air intake filter
Battery
Carburettor
Carburettor parts
Chassis
Crankshaft
Cylinder
Cylinder head
Engine
Engine casing
Engine casing cover
Exhaust
Extra fuel tank
Fork
Front brake system
Front wheel
Fuel system
Fuel tank
Gears
Handlebar lhs
Handlebar rhs
Handlebar top
Headlight
Helmet box
Legshield
Mudguard
Oil pump
Oil tank
Rear brake shoes
Rear pulley - clutch
Rear shock absorber
Rear wheel
Regulator
Rocker bar
Seat
Side cover
Speedo cable
Starter motor
Stator
Steering set
Switch
Tail light
Throttle cable
Variator - CVT
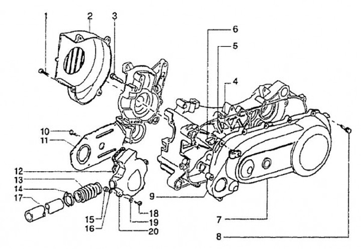
Engine casing cover
Piaggio TPH 80 (1994-1996, TE81T)
Component name
Gasket
(1)
Spring washer
(2)
Rubber part
(3)
Bracket
(1)
Cable ties
(2)
Nut
(1)
Screw
(5)
Manufacturer
BGM ORIGINAL
(1)
CIF
(1)
Normfest
(3)
Piaggio
(10)
Sort
Relevance
Prices ascending
Prices descending
Brand A-Z
Brand Z-A
Novelties
Piaggio
GP297049
Intake hose CVT cover -PIAGGIO- Gilera Runner 2 (RST) 50 (ZAPC46100, ZAPC46200, ZAPC46300), Piaggio NRG 50 (ZAPC3200, ZAPC45200, ZAPC2200, ZAPC04000, ZAPC18 DD, ZAPC45100, ZAPC1800, ZAPC45300, ZAPCA7100, ZAPC36200), Piaggio TPH 80 (TE81T0001001),
Piaggio
GP435586
Delivery date
Piaggio
GP259625
Buffer -PIAGGIO- Vespa LX
Piaggio
3330427
Cable fixing -PIAGGIO- width 13mm, Ø=7mm (used for starter cable Vespa PX )
Piaggio
GP018575
Screw -DIN 7985- M5 x 10mm
Piaggio
GP286206
Plate -PIAGGIO- Gilera Runner
Delivery date
BGM ORIGINAL
BGM9530
Screw for tool box -BGM ORIGINAL M5 x 25mm, nickel-plated- Vespa PX, Rally180, Rally200, TS125, GS160 / GS4 (since VSB1T0054684), SS180
%
Piaggio
7673353
Kickstart rubber buffer -PIAGGIO- Piaggio 125-180cc (2-stroke), Piaggio 125cc (4-stroke 1st generation) - ET4 125, HABANA125, LIBERTY125, MOJITO125, SFERA125, TORPEDO125
CIF
5150032
Mudguard crest screw, lateral M5 x 16mm -CIF- Vespa Smallframe V50, 50N, PV, ET3, PK S, PK XL, Largeframe PX, VNA, VNB, VBA, VBB, Super, Sprint Veloce, Rally - models without trim
Piaggio
GP414835
Screw with flansh -M6 x 45mm- -PIAGGIO-
Piaggio
GP030054
Washer -PIAGGIO- Piaggio TPH -
Normfest
9901050
Nut -DIN 934- M5
Piaggio
GP257134
Wire strap -PIAGGIO- 4.8x277mm
Normfest
9901053
Spring washer -DIN 127- M5
Normfest
077694
Spring washer - DIN 7980 for M8 screws
×
×