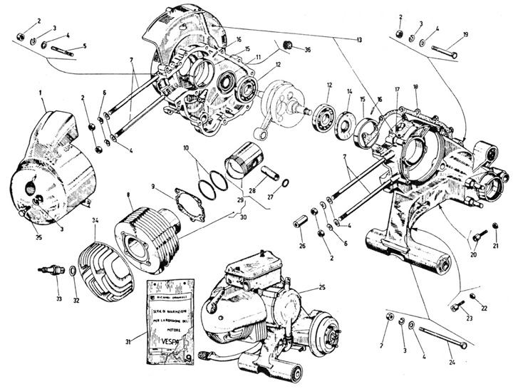
Engine casing - cylinder
Vespa 150 (VBA1T)
Sort