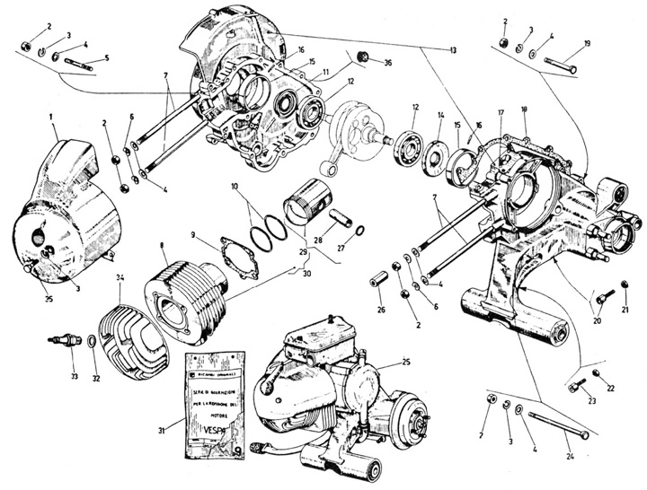
Engine casing - cylinder
Vespa 150 (VBB2T)
Sort