very good
4.7 / 5
Postage free from 99€ (DE) High customer satisfaction
Contact |Privacy |AGB & Customer Info |Imprint
Vespa LX 50 (2-stroke, 2007, ZAPC38101) | Exploded views | Vespa LX 50 (2-stroke, 2007, ZAPC38101) | Vespa LX/LXV/S 50 Vespa LX 50 (2-stroke, 2007, ZAPC38101) | Exploded views | Vespa LX 50 (2-stroke, 2007, ZAPC38101) | Vespa LX/LXV/S 50
Blog DE DE  |  €
My garage
password forgotten?
Create new customer account
0
  • all
    • Motor
      All off Motor
      • Air filter
      • Carburetor
      • Clutch
      • Cooling
      • Crankshaft
      • Cylinder
      • Drive
      • Exhaust
      • Gearbox
      • Ignition
      • Injection system
      • Intake manifold & diaphragm
      • Motor & housing
      • Motors
      • Overhaul set
      • Screws & small parts
      • Seals
      • Starter
    • Electrical system
      All off Electrical system
      • Batteries
      • Cables
      • Ignition & alternator
      • Instruments
      • Light source
      • Lighting
      • Regulator, rectifier
      • Screws & small parts
      • sockets & plugs
      • Spark plugs
      • Starter motor
      • Switches
    • Frame & add-on parts
      All off Frame & add-on parts
      • Cladding parts
      • Forks
      • Fuel system
      • Lettering
      • Main & side stand
      • Screws & small parts
      • Seats
      • Shock absorber
      • Steering head bearing
    • Handlebars & fittings
      All off Handlebars & fittings
      • Brake & clutch
      • Gas shift handles
      • Handlebars & fairing parts
      • Handles
      • Instruments
      • Mirror
      • Screws & small parts
      • Switches
    • Bowden cables
      All off Bowden cables
      • Brake lines
      • Cable pulls & sets
      • Clamping nipples & adjusting screws
      • Control elements
      • Speedometer cables
      • Tacho drives
    • Wheels
      All off Wheels
      • Brakes
      • Hoses
      • Rims
      • Tires
      • Valves & small parts
      • Wheels
    • Service
      All off Service
      • Filter
      • Oils
      • Sets
      • Tool
      • V-belt
    • Oil & Chemistry
      All off Oil & Chemistry
      • Adhesives
      • Care products & cleaners
      • Greases & Lubricants
      • Lacquers & paints
      • Oils
      • Operating materials
      • Sealant
      • Workshop supplies
    • Accessories
      All off Accessories
      • Bags
      • Crash bars
      • Literature
      • Luggage racks
      • Merchandise
      • Mobile phone mounts & accessories
      • Rev limiters
      • Special accessories
      • Theft protection
      • Topcase
      • Windshields
      • Workshop Equipment
    • Helmets & Clothing
      All off Helmets & Clothing
      • Accessories
      • Gloves
      • Goggles & Visors
      • Helmets
      • Jackets & Trousers
      • T-Shirt & Hemden
    • Vouchers
    Tip of the day
    Battery charger -H-TRONIC AL 300Pro- 2V, 6V, 12V
    H-Tronic
    Battery charger -H-TRONIC AL 300Pro- 2V, 6V, 12V
    16,90 €*
  • Vespa Classic
    • Engines
      All off Engines
      • Air filter
      • Carburetor
      • Clutch
      • Cooling
      • Crankshaft
      • Cylinder
      • Drive
      • Exhaust
      • Gearbox
      • Ignition
      • Intake manifold & diaphragm
      • Motor & housing
      • Motors
      • Revision set
      • Screws & small parts
      • Seals
      • Starter
    • Electrical system
      All off Electrical system
      • Batteries
      • Cables
      • Ignition & alternator
      • Instruments
      • Light source
      • Lighting
      • Plug
      • Regulator, rectifier
      • Screws & small parts
      • Spark plugs
      • Starter motor
      • Switches
    • Chassis
      All off Chassis
      • Benches
      • Cladding parts
      • Forks
      • Fuel system
      • Lettering
      • Main & side stand
      • Screws & small parts
      • Shock absorber
      • Steering head bearing
    • Handlebar
      All off Handlebar
      • Brake & clutch
      • Gas shift handles
      • Handlebars & fairing parts
      • Handles
      • Instruments
      • Mirror
      • Screws & small parts
      • Switches
    • Bowden cables
      All off Bowden cables
      • Brake lines
      • Cable pulls & sets
      • Clamping nipples & adjusting screws
      • Control elements
      • Speedometer cables
      • Tacho drives
    • Wheels
      All off Wheels
      • Brakes
      • Hoses
      • Rims
      • Tires
      • Valves & small parts
      • Wheels
    • Service
      All off Service
      • Filter
      • Oils
      • Sets
      • Tool
    • Oil & Chemistry
      All off Oil & Chemistry
      • Adhesives
      • Care products & cleaners
      • Greases & Lubricants
      • Lacquers & paints
      • Oils
      • Operating materials
      • Sealant
      • Workshop supplies
    • Accessories
      All off Accessories
      • Bags
      • Crash bar
      • Literature
      • Luggage carrier
      • Merchandise
      • Smartphone holders & accessories
      • Special accessories
      • TopCase
      • Wind shields
      • Workshop equipment
    • Helmets & Clothing
      All off Helmets & Clothing
      • Accessories
      • Glasses & visors
      • Gloves
      • Helmets
      • Jackets & pants
      • T-shirt & shirts
    Tip of the day
    Complete wheel - BGM Pro Superstrong - BGM Sport, tubeless, Vespa Largeframe PX, Sprint, Rally, GT, GTR, TS, T4, LML Star/Stella- 3.50 - 10 inch TL 59S (reinforced) - rim 2.10-10 black matt
    Top
    BGM PRO
    Complete wheel - BGM Pro Superstrong - BGM Sport, tubeless, Vespa Largeframe PX, Sprint, Rally, GT, GTR, TS, T4, LML Star/Stella- 3.50 - 10 inch TL 59S (reinforced) - rim 2.10-10 black matt
    159,00 €*
  • Vespa Modern
    • Motor
      All off Motor
      • Air filter
      • Carburetor
      • Clutch
      • Cooling
      • Crankshaft
      • Cylinder
      • Drive
      • Exhaust
      • Gearbox
      • Ignition
      • Injection system
      • Intake manifold & diaphragm
      • Motor & housing
      • Motors
      • Revision set
      • Screws & small parts
      • Seals
      • Starter
    • Electrical system
      All off Electrical system
      • Batteries
      • Cables
      • Ignition & alternator
      • Instruments
      • Light source
      • Lighting
      • Plug
      • Regulator, rectifier
      • Screws & small parts
      • Spark plugs
      • Starter motor
      • Switches
    • Frame & add-on parts
      All off Frame & add-on parts
      • Benches
      • Cladding parts
      • Forks
      • Fuel system
      • Lettering
      • Main & side stand
      • Screws & small parts
      • Shock absorber
      • Steering head bearing
    • Handlebars & fittings
      All off Handlebars & fittings
      • Brake & clutch
      • Gas shift handles
      • Handlebars & fairing parts
      • Handles
      • Instruments
      • Mirror
      • Screws & small parts
      • Switches
    • Bowden cables
      All off Bowden cables
      • Brake lines
      • Cable pulls & sets
      • Clamping nipples & adjusting screws
      • Control elements
      • Speedometer cables
      • Tacho drives
    • Wheels
      All off Wheels
      • Brakes
      • Hoses
      • Rims
      • Tires
      • Valves & small parts
      • Wheels
    • Service
      All off Service
      • Cleaner
      • Filter
      • Oils
      • Sets
      • Tool
      • V-belt
    • Oil & Chemistry
      All off Oil & Chemistry
      • Adhesives
      • Care products & cleaners
      • Greases & Lubricants
      • Lacquers & paints
      • Oils
      • Operating materials
      • Sealant
      • Workshop supplies
    • Accessories
      All off Accessories
      • Bags
      • Crash bar
      • Literature
      • Luggage carrier
      • Merchandise
      • Smartphone holders & accessories
      • Special accessories
      • Theft protection
      • TopCase
      • Wind shields
      • Workshop equipment
    • Helmets & Clothing
      All off Helmets & Clothing
      • Accessories
      • Glasses & visors
      • Gloves
      • Helmets
      • Jackets & pants
      • T-shirt & shirts
    Tip of the day
    CDI -POLINI ECM- Piaggio 50 ccm 4-stroke (3-valve) - Vespa Primavera 50 3V iGet (Euro5), Sprint 50 iGet (Euro5), Piaggio Liberty 50 iGet (Euro5)
    Polini
    CDI -POLINI ECM- Piaggio 50 ccm 4-stroke (3-valve) - Vespa Primavera 50 3V iGet (Euro5), Sprint 50 iGet (Euro5), Piaggio Liberty 50 iGet (Euro5)
    265,00 €*
  • Moped classic
    • Motor
      All off Motor
      • Air filter
      • Carburetor
      • Clutch
      • Cooling
      • Crankshaft
      • Cylinder
      • Drive
      • Exhaust
      • Gearbox
      • Ignition
      • Intake manifold & diaphragm
      • Motor & housing
      • Revision set
      • Screws & small parts
      • Seals
      • Starter
    • Electrical system
      All off Electrical system
      • Batteries
      • Cables
      • Ignition & alternator
      • Instruments
      • Light source
      • Lighting
      • Plug
      • Regulator, rectifier
      • Screws & small parts
      • Spark plugs
      • Switches
    • Frame & add-on parts
      All off Frame & add-on parts
      • Benches
      • Cladding parts
      • Forks
      • Fuel system
      • Lettering
      • Main & side stand
      • Screws & small parts
      • Shock absorber
      • Steering head bearing
    • Handlebars & fittings
      All off Handlebars & fittings
      • Brake & clutch
      • Gas shift handles
      • Handlebars & fairing parts
      • Handles
      • Instruments
      • Mirror
      • Screws & small parts
      • Switches
    • Bowden cables
      All off Bowden cables
      • Cable pulls & sets
      • Clamping nipples & adjusting screws
      • Control elements
      • Speedometer cables
      • Tacho drives
    • Wheels
      All off Wheels
      • Brakes
      • Hoses
      • Rims
      • Tires
      • Valves & small parts
      • Wheels
    • Service
      All off Service
      • Filter
      • Oils
      • Tool
    • Oil & Chemistry
      All off Oil & Chemistry
      • Adhesives
      • Care products & cleaners
      • Greases & Lubricants
      • Lacquers & paints
      • Oils
      • Operating materials
      • Sealant
      • Workshop supplies
    • Accessories
      All off Accessories
      • Bags
      • Literature
      • Luggage carrier
      • Merchandise
      • Special accessories
      • Theft protection
      • Workshop equipment
    • Helmets & Clothing
      All off Helmets & Clothing
      • Accessories
      • Gloves
      • Helmets
      • T-shirt & shirts
    Tip of the day
    Cylinder kit Schmitt Sportfreund Vertex Edition 50cc for Simson S51 KR512 SR50
    Schmitt
    Cylinder kit Schmitt Sportfreund Vertex Edition 50cc for Simson S51 KR512 SR50
    265,00 €*
  • Lambretta
    • Motor
      All off Motor
      • Air filter
      • Carburetor
      • Clutch
      • Cooling
      • Crankshaft
      • Cylinder
      • Drive
      • Exhaust
      • Gasket
      • Gearbox
      • Ignition
      • Intake manifold & diaphragm
      • Kickstarter
      • Motor & housing
      • Revision sets
      • Screws & small parts
    • Electrical system
      All off Electrical system
      • Batteries
      • Cable harnesses
      • Ignition & alternator
      • Instruments
      • Light source
      • Lighting
      • Plug
      • Regulator & rectifier
      • Screws & small parts
      • Spark plugs
      • Switches
    • Frame & add-on parts
      All off Frame & add-on parts
      • Benches
      • Cladding parts
      • Forks
      • Fuel system
      • Lettering
      • Main stand
      • Screws & small parts
      • Shock absorber
      • Steering head bearing
    • Handlebars & fittings
      All off Handlebars & fittings
      • Brake & clutch
      • Gas shift handles
      • Handlebars & fairing parts
      • Handles
      • Instruments
      • Mirror
      • Screws & small parts
      • Switches
    • Bowden cables
      All off Bowden cables
      • Brake hoses
      • Cable pulls & sets
      • Clamping nipples & adjusting screws
      • Control elements
      • Speedometer cables
      • Tacho drives
    • Wheels
      All off Wheels
      • Brakes
      • Hoses
      • Rims
      • Tires
      • Valves & small parts
      • Wheels
    • Service
      All off Service
      • Cleaner
      • Oils
      • Sets
      • Tool
    • Oil & Chemistry
      All off Oil & Chemistry
      • Adhesives
      • Care products & cleaners
      • Greases & Lubricants
      • Lacquers & paints
      • Oils
      • Operating materials
      • Sealant
      • Workshop supplies
    • Accessories
      All off Accessories
      • Bags
      • Crash bar
      • Literature
      • Luggage carrier
      • Merchandise
      • Smartphone holders & accessories
      • Special accessories
      • Theft protection
      • Wind shields
      • Workshop equipment
    • Helmets & Clothing
      All off Helmets & Clothing
      • Accessories
      • Gloves
      • Helmets
      • Jackets & pants
      • T-shirt & shirts
    Tip of the day
    Gearbox oil (Made in Germany) -BGM PRO STREET- Lambretta SAE80, GL3 - 600ml
    BGM PRO
    Gearbox oil (Made in Germany) -BGM PRO STREET- Lambretta SAE80, GL3 - 600ml
    8,90 €*
  • Scooter 50-850cc
    • Motor
      All off Motor
      • Air intake filters
      • Carburettors
      • Clutch
      • Cooling
      • Crankshaft
      • Cylinders
      • Drive
      • Engine casing
      • Engines
      • Exhaust
      • Gaskets
      • Gear boxes
      • Ignition
      • Injection system
      • Intake manifold & reed valve
      • Overhaul set
      • Screws & small parts
      • Starter
    • Electrical system
      All off Electrical system
      • Batteries
      • Display instruments
      • Electric wires
      • Ignition & Alternator
      • Lamps
      • lighting
      • Regulator, rectifier
      • Screws & small parts
      • sockets & plugs
      • Spark plugs
      • starter
      • Switches
    • Frame & add-on parts
      All off Frame & add-on parts
      • Benches
      • Cladding parts
      • Forks
      • Fuel system
      • Lettering
      • Main & side stand
      • Screws & small parts
      • Shock absorber
      • Steering head bearing
    • Handlebars & fittings
      All off Handlebars & fittings
      • Brake & clutch
      • Gas shift handles
      • Handlebars & fairing parts
      • Handles
      • Instruments
      • Mirror
      • Screws & small parts
      • Switches
    • Bowden cables
      All off Bowden cables
      • Brake lines
      • Cable pulls & sets
      • Control elements
      • Speedometer cables
      • Tacho drives
      • Trunions & adjusting screws
    • Wheels
      All off Wheels
      • Brakes
      • Hoses
      • Rims
      • Tires
      • Valves & small parts
      • Wheels
    • Service
      All off Service
      • Cleaner
      • Filter
      • Oils
      • Sets
      • Tool
      • V-belts
    • Oil & Chemistry
      All off Oil & Chemistry
      • Adhesives
      • Care products & cleaners
      • Greases & Lubricants
      • Lacquers & paints
      • Oils
      • Operating fluids
      • Sealant
      • Workshop supplies
    • Accessories
      All off Accessories
      • Bags
      • Crash bars
      • Literature
      • Luggage racks
      • Merchandise
      • Mobile phone mounts & accessories
      • Rev limiters
      • Special accessories
      • Theft protection
      • Topcase
      • Wind shields
      • Workshop equipment
    • Helmets & Clothing
      All off Helmets & Clothing
      • Accessories
      • Gloves
      • Goggles & Visors
      • Helmets
      • Jackets & Trousers
      • T-shirt & shirts
    Tip of the day
    Air scoop vario cover -MALOSSI- Piaggio Leader/Quasar - Vespa ET4, LX, LXV, S, GT, GTS, GTV, GTL 125-300, Royal Alloy GP, TG - black
    Malossi
    Air scoop vario cover -MALOSSI- Piaggio Leader/Quasar - Vespa ET4, LX, LXV, S, GT, GTS, GTV, GTL 125-300, Royal Alloy GP, TG - black
    129,90 €*
  1. Vespa LX/LXV/S 50
  2. Vespa LX 50 (2-Takt, 2007, ZAPC38101)
  3. Explosionszeichnungen
Motor
Electrical system
Frame & add-on parts
Handlebars & fittings
Bowden cables
Wheels
Service
Oil & Chemistry
Accessories
Helmets & Clothing
Vespa LX 50 (2-stroke, 2007, ZAPC38101)
  • Exploded views
    • Air intake filter
    • Carburettor
    • Carburettor parts
    • Centre stand - side stand
    • Chassis
    • Crankshaft
    • Cylinder - piston
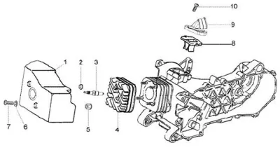
    • Cylinder head
    • Decor
    • Engine - gasket set engine
    • Engine casing
    • Engine casing cover
    • Exhaust
    • Footboard
    • Fork - steering set
    • Front brake caliper
    • Front cover - trims
    • Front mudguard - rear mudguard
    • Front wheel
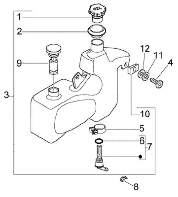
    • Fuel tank
    • Gears
    • Handlebar - clutch grip
    • Handlebar top
    • Headlight - indicator
    • Helmet box
    • Licence plate holder
    • Lock set - ignition switch
    • Mirror
    • Oil pump
    • Oil tank
    • Rear brake shoes
    • Rear pulley - clutch
    • Rear shock absorber
    • Rear wheel
    • Regulator - control device - high tension coil
    • Rocker bar
    • Seat
    • Secondary air housing
    • Side cover - spoiler
    • Speedo
    • Speedo cable - rear brake cable
    • Starter motor - kickstarter
    • Starter switch - battery - horn
    • Stator
    • Switch
    • Tail light - indicator
    • Toolbox
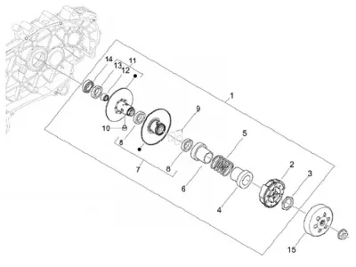
    • Variator - CVT
    • Wiring harness
Exploded views
Vespa LX 50 (2-stroke, 2007, ZAPC38101)
Air intake filter
Air intake filter
Carburettor
Carburettor
Carburettor parts
Carburettor parts
Centre stand - side stand
Centre stand - side stand
Chassis
Chassis
Crankshaft
Crankshaft
Cylinder - piston
Cylinder - piston
Cylinder head
Cylinder head
Decor
Decor
Engine - gasket set engine
Engine - gasket set engine
Engine casing
Engine casing
Engine casing cover
Engine casing cover
Exhaust
Exhaust
Footboard
Footboard
Fork - steering set
Fork - steering set
Front brake caliper
Front brake caliper
Front cover - trims
Front cover - trims
Front mudguard - rear mudguard
Front mudguard - rear mudguard
Front wheel
Front wheel
Fuel tank
Fuel tank
Gears
Gears
Handlebar - clutch grip
Handlebar - clutch grip
Handlebar top
Handlebar top
Headlight - indicator
Headlight - indicator
Helmet box
Helmet box
Licence plate holder
Licence plate holder
Lock set - ignition switch
Lock set - ignition switch
Mirror
Mirror
Oil pump
Oil pump
Oil tank
Oil tank
Rear brake shoes
Rear brake shoes
Rear pulley - clutch
Rear pulley - clutch
Rear shock absorber
Rear shock absorber
Rear wheel
Rear wheel
Regulator - control device - high tension coil
Regulator - control device - high tension coil
Rocker bar
Rocker bar
Seat
Seat
Secondary air housing
Secondary air housing
Side cover - spoiler
Side cover - spoiler
Speedo
Speedo
Speedo cable - rear brake cable
Speedo cable - rear brake cable
Starter motor - kickstarter
Starter motor - kickstarter
Starter switch - battery - horn
Starter switch - battery - horn
Stator
Stator
Switch
Switch
Tail light - indicator
Tail light - indicator
Toolbox
Toolbox
Variator - CVT
Variator - CVT
Wiring harness
Wiring harness
Subscribe to the Scooter Center Newsletter
Enter your e-mail address..
Sign up for our newsletter now and get a €5 discount on your next order of €50 or more!
Always stay up to date - with news, promotions and exclusive offers for scooters & tuning.
You can unsubscribe at any time. Your data will not be passed on to third parties.
Scooter Center
very good 4.7 / 5
Scooter Center
About us
Contact Us
How to contact us
Opening hours
For dealers
Career
Our responsibility/ESG
 
Shipping service
Shipping costs
Payment methods/prices
Returns/Returns
Buy voucher
Direct order
Exploded views
Our vehicles
FAQ
Payment and shipping
Sie können im Shop mit paypal zahlen Sie können im Shop per Vorkasse zahlen Sie können im Shop mit Kreditkarte zahlen Sie können im Shop mit Google Pay zahlen Sie können im Shop mit Apple Pay zahlen Sie können im Shop per Nachnahme zahlen Sie können im Shop mit Trustly zahlen Sie können im Shop mit iDEAL zahlen Sie können im Shop mit bancontact zahlen Sie können im Shop mit Bancomat Pay zahlen Sie können im Shop mit Amex zahlen Sie können im Shop mit BLIK zahlen
Free delivery from an order value of 99 euros for all end customers within Germany.
Wir versenden mit DHL Wir versenden mit ups Wir versenden mit DPD Wir versenden mit Fedex Click & Collect
Ausgezeichnet durch das eKomi Siegel
Article without TÜV and ABE unless otherwise indicated. Delivery times refer to deliveries within Germany.
All rights reserved © 2025 Scooter Center GmbH
Legal matters
Environmental conditions Ordinance on Small Electrical Parts Right of withdrawal AGB & customer information Cookie settings Legal notice Privacy policy
* incl. VAT. plus shipping costs