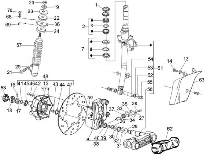
Fork - steering set
Vespa LX 50 (2-stroke, 2007, ZAPC38101)
Sort