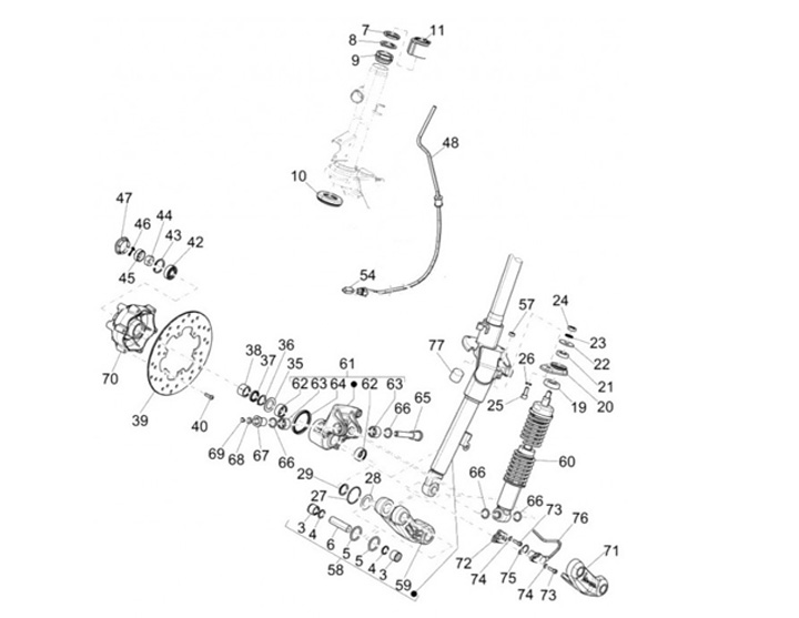
Fork front wheel
Vespa GTS 250 (2014, ZAPM45100)
Sort