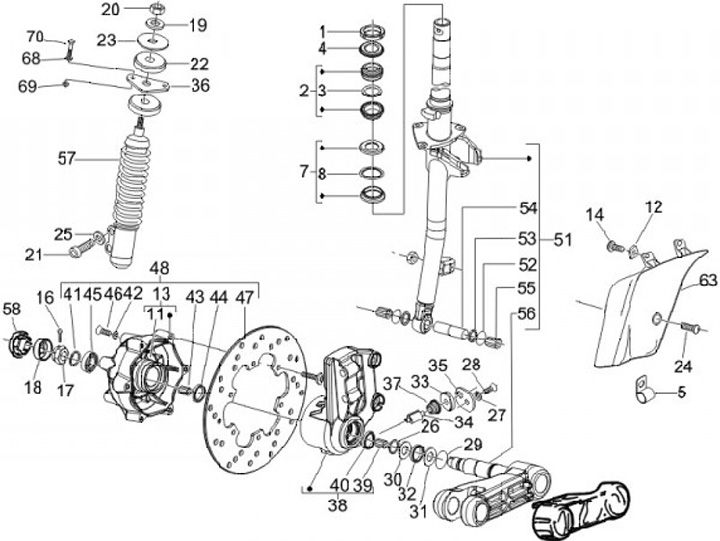
Fork - steering set - front shock absorber
Piaggio Zip 50 SP2 (2013, ZAPC25000)
Sort