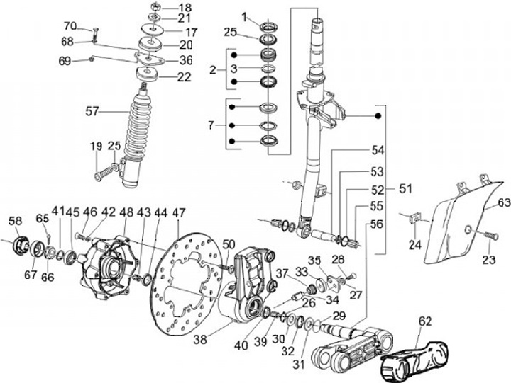
Fork - steering set
Vespa LX 50 (4-stroke, 2005, ZAPC38300)
Sort