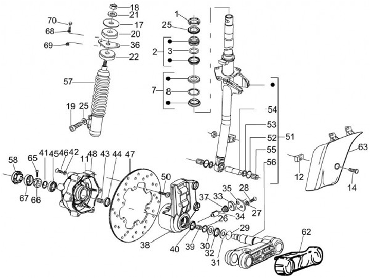
Fork
Vespa LXV 125 (2010, ZAPM68102)
Sort