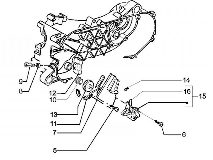
Oil pump
Gilera Runner 50 RST Purejet (2006, ZAPC46200)
Sort