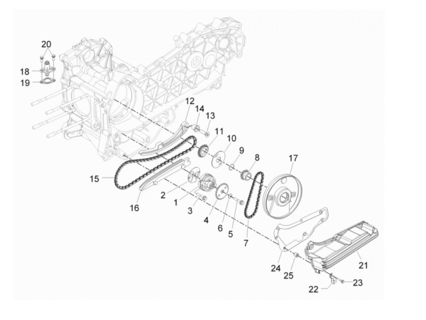
Oil pump
Vespa GTS 300ie Super Tech HPE ABS ASR (2021, ZAPMD3101)
Sort