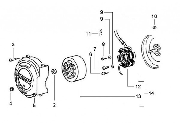
Stator
Piaggio Zip 50 SP2 (2001, ZAPC25600)
Sort