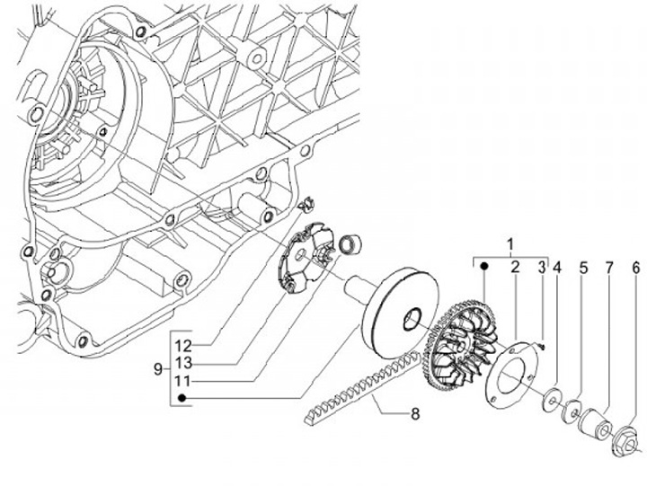
Variator - CVT
Piaggio Fly 125 (2007, LBMM57100)
Sort