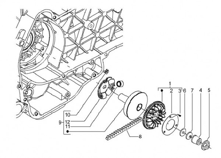
Variator - CVT
Vespa LX 125 Touring (2010, ZAPM68100)
Sort