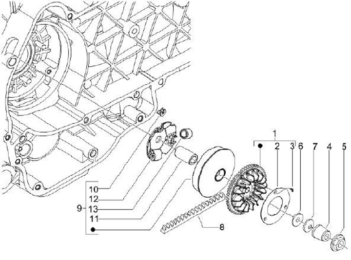
Variator - CVT
Vespa LX 150 (2009, ZAPM44400)
Sort