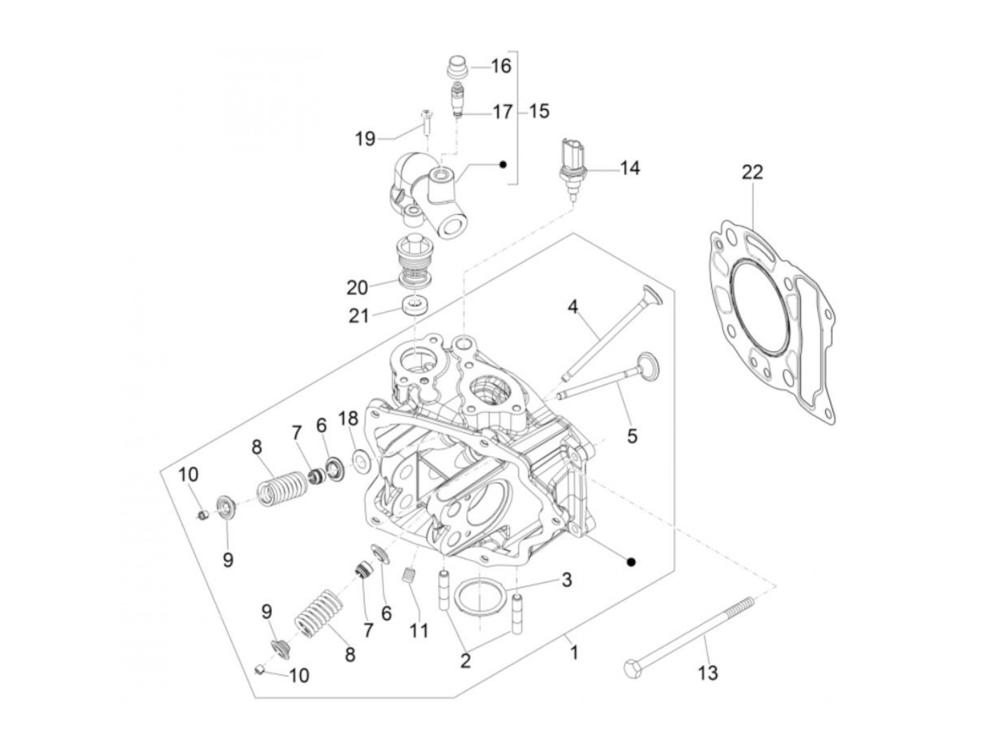
Culata
Vespa GTS 125ie Super ABS (2014, ZAPM45300)
Ordenar