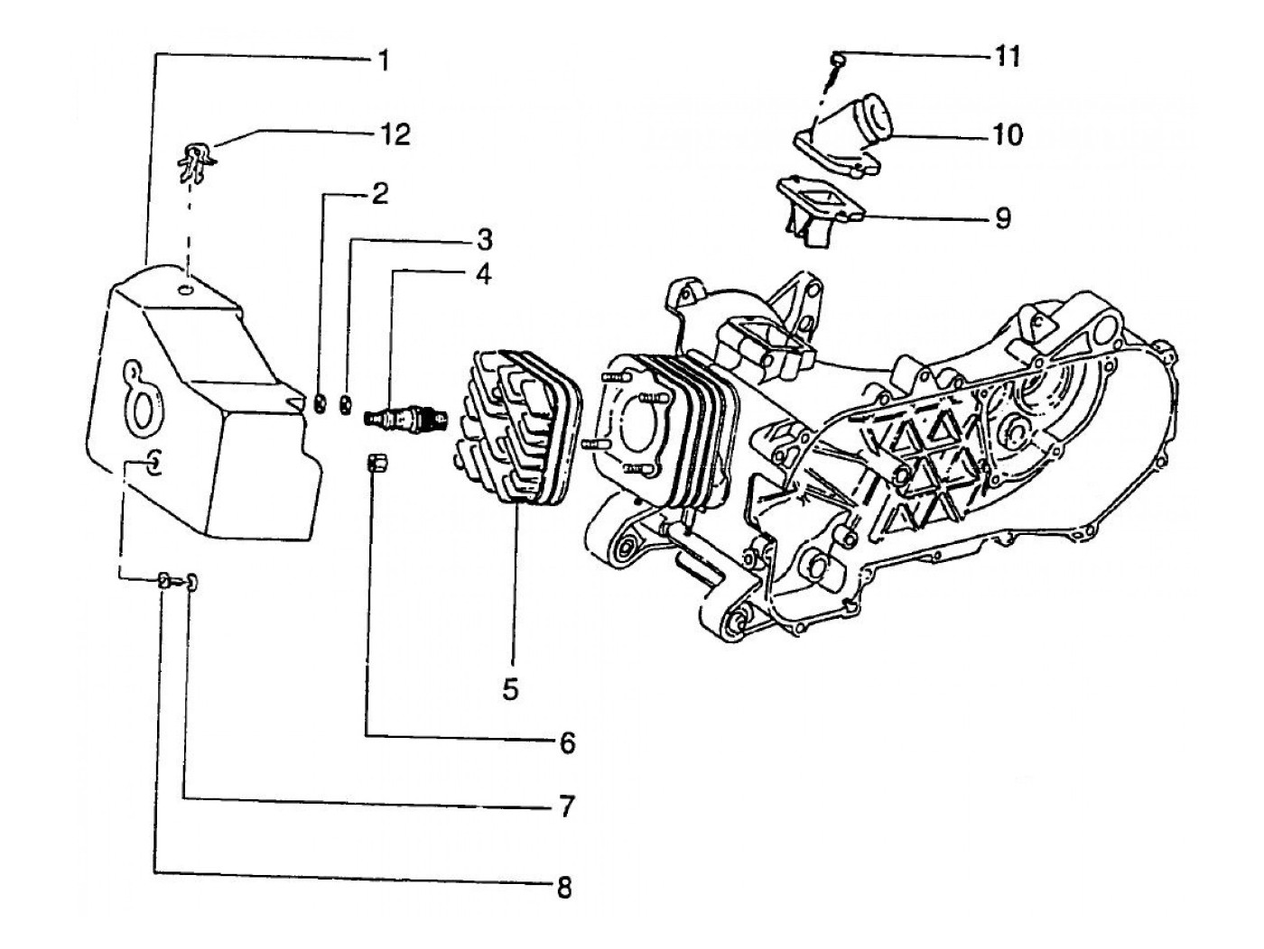
Culata
Vespa ET2 50 (1997, ZAPC16000)
Ordenar