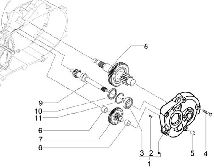
Engranaje
Vespa S 50 (4-tiempos, 2010, ZAPC38600)
Ordenar