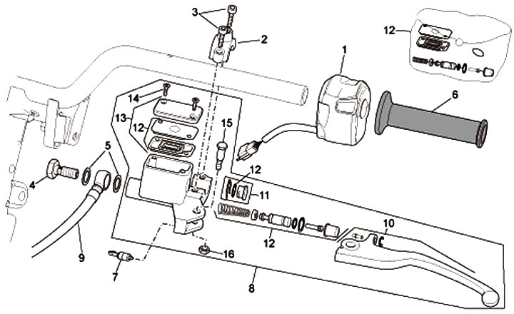
Interruptores lado izquierdo (Grimeca)
Aprilia SR 50 R (2009, ZD4VFD00)
Ordenar