BGM ORIGINAL Número de artículo: BGM6620B
BGM ORIGINAL
3 valoraciones
6,90 €*
disponible inmediatamente
Peso del envío 0,08 kg

Un mazo de cables es una pieza de desgaste. Después de muchos años expuesto al calor, al frío, a los vapores de la gasolina, a las vibraciones y a la humedad, incluso el mejor cable de cobre se estropea. Normalmente bien camuflado en el exterior por un aislamiento aparentemente intacto, el llamado hilo interior ya está corroído y quebradizo. Una luz débil, fallos de encendido... todo eso es cosa del pasado con uno de nuestros nuevos mazos de cables de alta calidad.

Para garantizar que el vehículo se puede restaurar fiel al original, nos suministra el fabricante que también produjo los mazos de cables originales para Piaggio en su día. Esto se ve, se siente y se nota.
Muchos detalles pequeños y cariñosos como los terminales de cable originales, los tubos termorretráctiles, los extremos de los cables estañados a mano, etc. hacen que la expectación del primer viaje se dispare. La certeza de que puede confiar al 100% en el sistema eléctrico de nuevo es también un colchón de seguridad para el primer viaje largo.

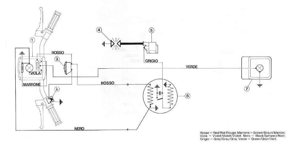
Mazo de cables para los modelos de ciclomotor Piaggio Ciao, Bravo y Boxer.

Se incluye un cable separado para controlar el claxon.

Si no se instala ningún claxon (bocina), el segundo cable rojo se puede simplemente desconectar o pelar.



- Esquema eléctrico: Ver descargas

Así es como nos aseguramos, que las reseñas provienen de consumidores reales.
Denis L. a causa de Geroldswil 05/14/2025
Nicola Q. a causa de Sala capriasca 07/16/2025
Paulo S. a causa de Porto 09/10/2025
Números OEM (sólo a efectos comparativos)
Scooter Center:
BGM6620B
A juego
Los clientes también compraron