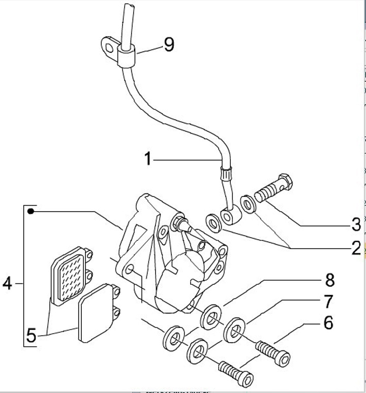
Pinza de freno delantero - tubería freno
Piaggio Liberty 200 (2002, ZAPM38400)
Ordenar