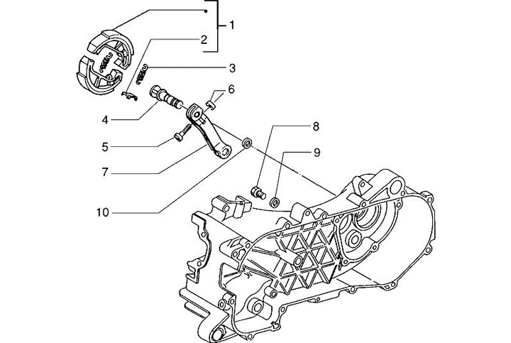
Zapatas de freno trasero
Piaggio TPH 125 (1995, ZAPM02000)
Ordenar