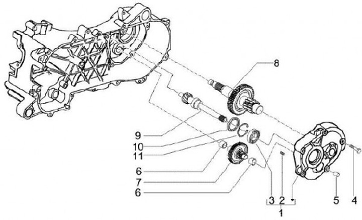
Boîte de vitesses
Vespa LX 50 Touring (2-temps, 2013, ZAPC38101)
Trier